Alternator and starter wiring diagram needed

Tiny
ANDRE BATTIS
  • MEMBER
  • 2000 MAZDA PROTEGE
  • 160,000 MILES
Hello,

Can someone help me figure out it how the alternator and starter wiring is?

I just did a head gasket and I'm putting everything back together.
Wednesday, June 9th, 2021 AT 12:07 AM

8 Replies

Tiny
ASEMASTER6371
  • MECHANIC
  • 52,796 POSTS
Good morning,

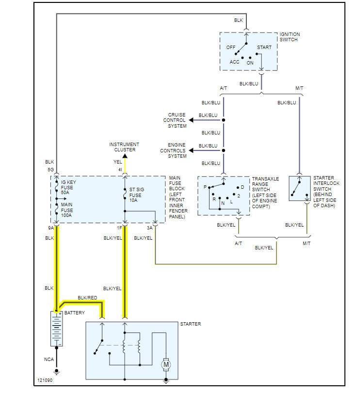
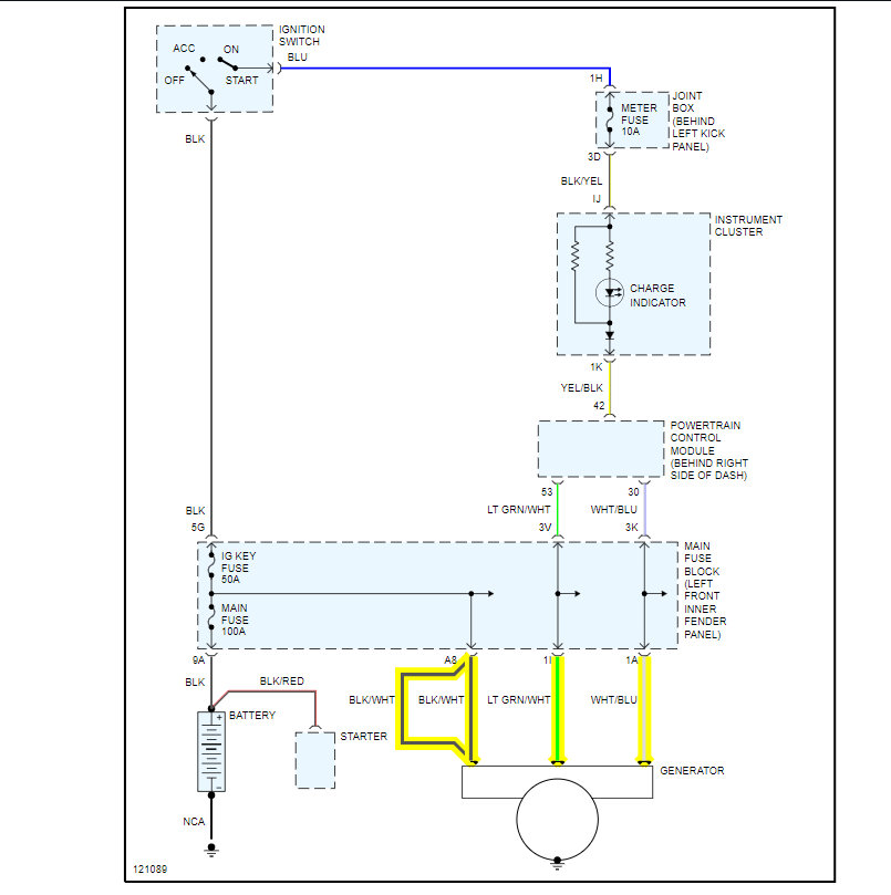
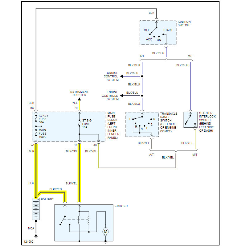
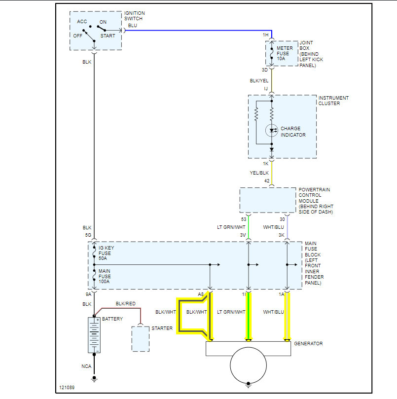
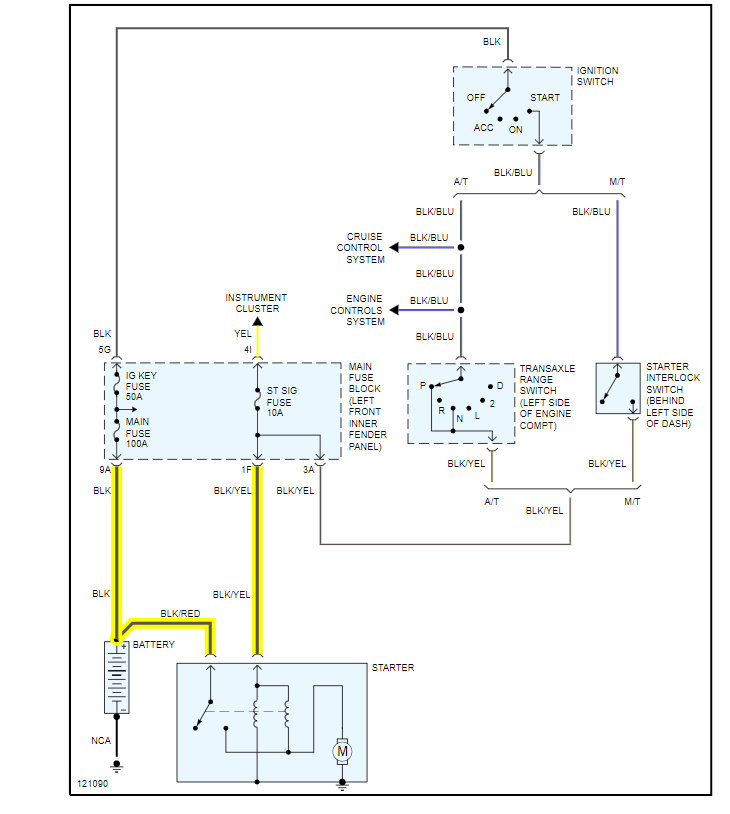
I attached the diagram for the charging system below. I also attached the connector for the alternator with the color wires for the connector.

https://www.2carpros.com/articles/how-to-replace-an-alternator

I also attached the diagram for the starting system. There is only the big battery cable from the battery to the solenoid and the small wire from the neutral switch to the small terminal on the solenoid.

https://www.2carpros.com/articles/how-to-check-wiring

https://www.2carpros.com/articles/how-to-use-a-voltmeter

Let me know if you have any other questions.

Roy
Was this
answer
helpful?
Yes
No
Wednesday, June 9th, 2021 AT 2:15 AM
Tiny
ANDRE BATTIS
  • MEMBER
  • 16 POSTS
I bought connector pigtail but it is red and black. For my alternator I got green and white and blue and white. Which one negative?
Was this
answer
helpful?
Yes
No
Thursday, June 10th, 2021 AT 4:00 PM
Tiny
ASEMASTER6371
  • MECHANIC
  • 52,796 POSTS
Okay, look at the generator connector diagram I posted for you. Locate the tab in the center of the connector.

Attach the light green and white to the terminal on the left.

The other wire goes to the right. There is no ground. One has 3 volts and the other is a pulse width modulated signal.

Roy
Was this
answer
helpful?
Yes
No
Thursday, June 10th, 2021 AT 4:28 PM
Tiny
ANDRE BATTIS
  • MEMBER
  • 16 POSTS
So I have a black and red pigtails for the alternator. So it doesn't matter which wire I solder.
Was this
answer
helpful?
Yes
No
Thursday, June 10th, 2021 AT 5:27 PM
Tiny
ASEMASTER6371
  • MECHANIC
  • 52,796 POSTS
The wires need to go to the proper pin according to the diagram. I sent the instructions in the last post.

The black and red are just wires they put on the connector.

Roy
Was this
answer
helpful?
Yes
No
Thursday, June 10th, 2021 AT 5:46 PM
Tiny
ANDRE BATTIS
  • MEMBER
  • 16 POSTS
That's what I'm saying though I bought that pigtail on eBay. So I can't match them up because they are different colors.
Was this
answer
helpful?
Yes
No
Thursday, June 10th, 2021 AT 5:59 PM
Tiny
ASEMASTER6371
  • MECHANIC
  • 52,796 POSTS
Again, it does not matter what color the wires are. Look at the connector diagram I sent. The left side of the connector is where the light green/white goes. Attach to whatever color wire is for that pin. Then attach the other side as well.

Roy
Was this
answer
helpful?
Yes
No
+1
Friday, June 11th, 2021 AT 3:52 AM

Please login or register to post a reply.