Tuesday, July 21st, 2020 AT 3:55 AM
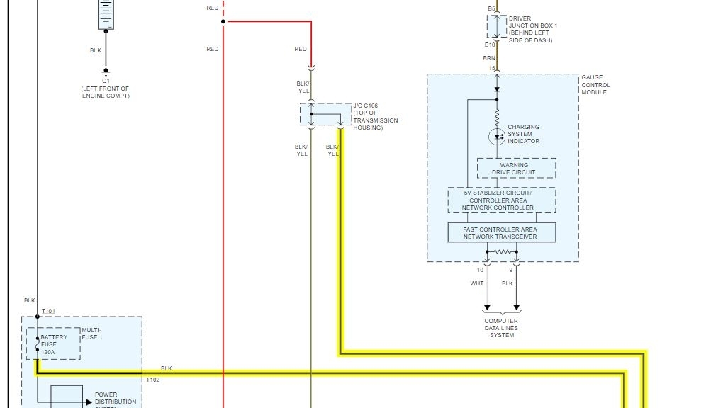
I have a message on my dash saying check charging system I have replace the battery and the alternator and is still coming up check charging system. Can it be the belt and pulley? It just happen out of no where. I was about to make a turn my lights on my dash started flickering inside the car and then it shut off. I need help.




