All three brake lights stay on?

Tiny
RMOZAK
  • MEMBER
  • 2011 CHEVROLET SUBURBAN
  • 6.0L
  • V8
  • 4WD
  • AUTOMATIC
  • 180,000 MILES
Brake lights won't go off. Unplugged brake switch, stay on. Pulled all the trailer fuses, stay on. Pulled fuses for drivers' side and passenger side turn signal and stop lamp, stay on. Pull the fuse #12 stop lamp and they go off.
Sunday, August 27th, 2023 AT 3:14 PM

4 Replies

Tiny
AL514
  • MECHANIC
  • 5,590 POSTS
Hello, it sounds like this is another bad Body Control module (BCM) unfortunately. It controls so many components in these make, model vehicles and they fail all the time. But it's still necessary to check all the powers, grounds, inputs and outputs to make sure. Do you have any testing tools, test light, basic multimeter, anything else?

https://www.2carpros.com/articles/how-to-use-a-voltmeter

https://www.2carpros.com/articles/how-to-use-a-test-light-circuit-tester
Was this
answer
helpful?
Yes
No
+1
Monday, August 28th, 2023 AT 10:25 AM
Tiny
KEN L
  • MASTER CERTIFIED MECHANIC
  • 55,335 POSTS
The first thing to do is to check the fuses because I have seen if a fuse is out, it can cause the BCM to malfunction. Here is a guide to help and I have included the brake light BCM wiring diagrams below so you can see which fuses to check if you don't want to check them all. I have included the fuse locations to help.

https://www.2carpros.com/articles/how-to-check-a-car-fuse

If the fuses are okay, then it sounds like the BCM has gone out but to be sure let's do a CAN scan. You can get a CAN scanner (Controller Area Network) which will work on most cars from Amazon.

Here is a video to show you how:

https://youtu.be/u-4syLc-ifQ

Here is how to change out the BCM in case you need it, you can get a preprogrammed unit by searching Google or Ebay. Check out the images (below). Let us know what happens and please upload pictures or videos of the problem so we can see what's going on.

Was this
answer
helpful?
Yes
No
Monday, August 28th, 2023 AT 10:26 AM
Tiny
RMOZAK
  • MEMBER
  • 2 POSTS
I have a multi meter but that is it. I have checked quite a few fuses but the schematics you provided are extremely helpful and I will go back and make sure I check them all and get back to you.

Thanks
Was this
answer
helpful?
Yes
No
Monday, August 28th, 2023 AT 6:19 PM
Tiny
AL514
  • MECHANIC
  • 5,590 POSTS
The Stop Lamps fuse you pulled is one of many fuses to the BCM that power it up. And the Brake Pedal switch for the Brake lights is just an input, it has nothing to do with the actual circuit for the brake lamps. It's just a 12volt Reference to the switch and then an input wire back to the BCM to signal the pedal was depressed. Then another completely different circuit outputs the Brake lamp voltage to the bulbs. I'll give you a few inputs and outputs to check just to be sure the BCM is not receiving an input from somewhere else that it shouldn't be. Do you know the location of the BCM in your vehicle?
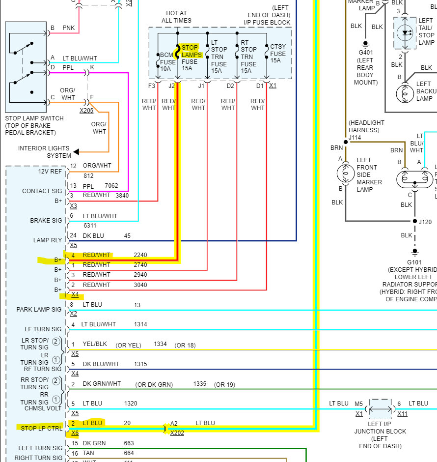
This first diagram shows the fuse you pulled (Stop Lamps 15A) and the Output wire for the Brake lamps themselves.
The 2nd is the Brake Lamp Switch operation (Stop Lamp). It has a 12v Reference going Out to the switch from the BCM which is a contact wire, showing when the switch is Not depressed. So, the Contact Sig wire should show 12v.
And the Brake Sig wire should not show 12volts unless the pedal is depressed. Some of these open/closed circuits are for the ABS and Cruise control circuits as well.

The 3, 4 diagram shows the Brown X5 pin 6 BCM connector which is the input wire from the Brake Lamp switch, so there should not be 12volts on there unless you press the pedal. So, verify that there isn't a short to power on this wire, If the BCM is receiving voltage from another source it could trigger the Stop Lamp output circuit.

The 5, 6 diagrams are for the Brake Lamp output wire from the pink BCM connector X6 pin 2. It should not have 12v unless pressing the pedal, this is where you will find you probably have voltage coming out when it shouldn't. Now if you turn the key off, and you unplug this connector and still have voltage on this wire, then it is feeding back from some other source. Such as a short to another power wire. I don't think you'll find that since pulling the Stop Lamp fuse shuts down the circuit. But it's good to check before replacing any modules.
I would also go through all the main powers and grounds for the BCM before placement.
Was this
answer
helpful?
Yes
No
Tuesday, August 29th, 2023 AT 8:28 AM

Please login or register to post a reply.