Friday, April 10th, 2020 AT 3:21 PM
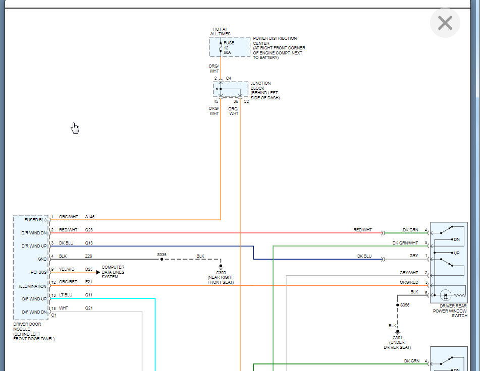
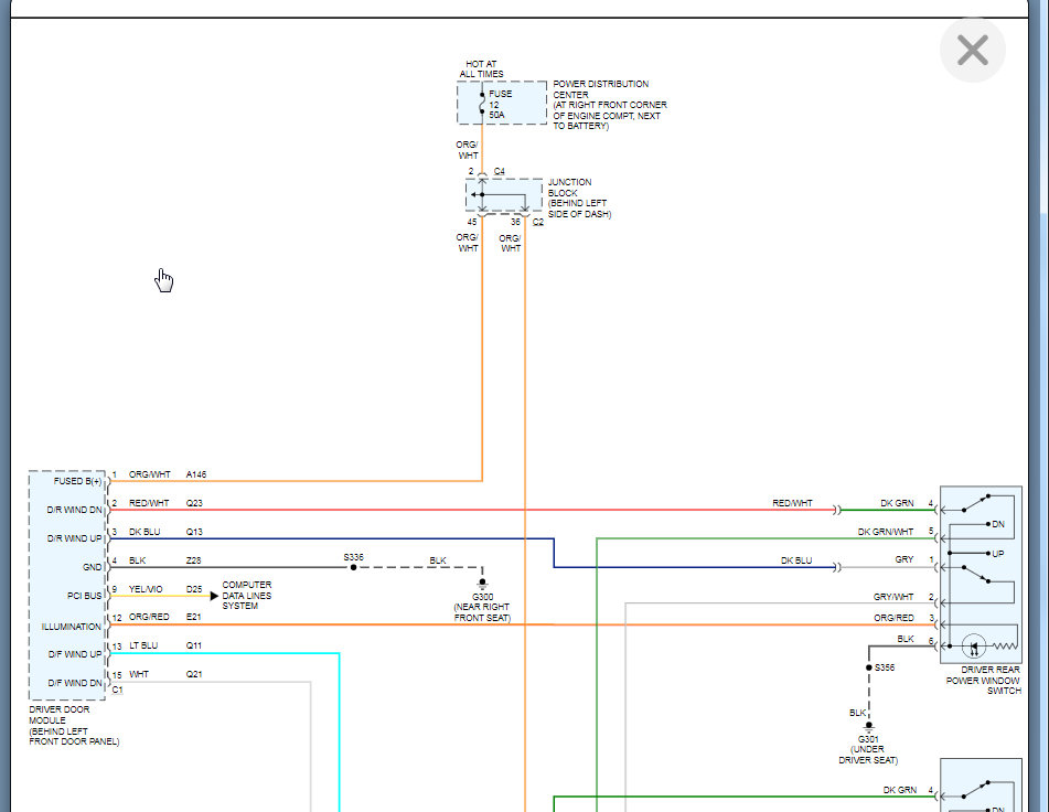
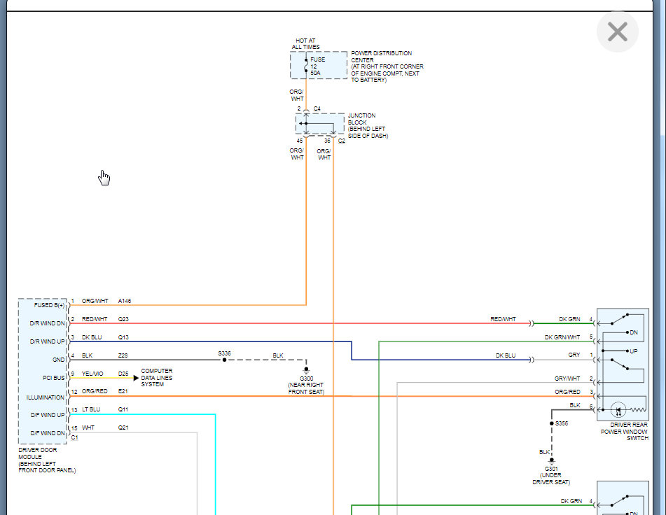
Need the fuse diagram and the circuit relays. I know where they are but don't know which ones are for the windows. There was a broken black ground wire but I have fixed that and they still don't work.



