All exterior lights turn off when I use the turn signal switch?

Tiny
ANGMAC
  • MEMBER
  • 2016 TOYOTA CAMRY
  • 2WD
  • AUTOMATIC
  • 117,000 MILES
When using the turn signal the lights will shut off completely for 10 seconds to 2 minutes. I have tried the fuse box relay under the hood, it helped for several months, but it is now worse than before. What might be causing this issue?
Wednesday, February 15th, 2023 AT 8:26 PM

1 Reply

Tiny
KEN L
  • MASTER CERTIFIED MECHANIC
  • 55,499 POSTS
Hello,

This will be one of two items that are malfunctioning, either the main body ECU or the combination meter, to be sure which one we need to do a CAN scan which is easy, you can get a CAN scanner (Controller Area Network) from Amazon.

Here is a video to show you how:

https://youtu.be/u-4syLc-ifQ

and

https://www.2carpros.com/articles/can-scan-controller-area-network-easy

Here is a list of CAN scanners starting at about $25.00 on Amazon:

https://amzn.to/3DBMlc7

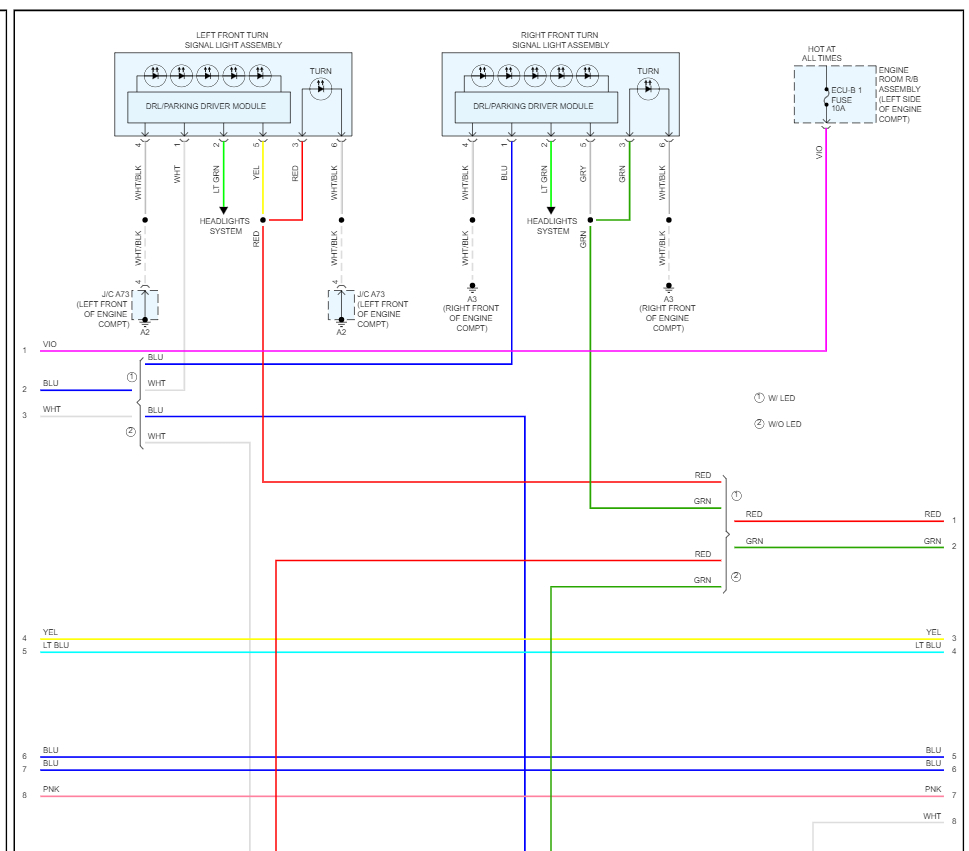
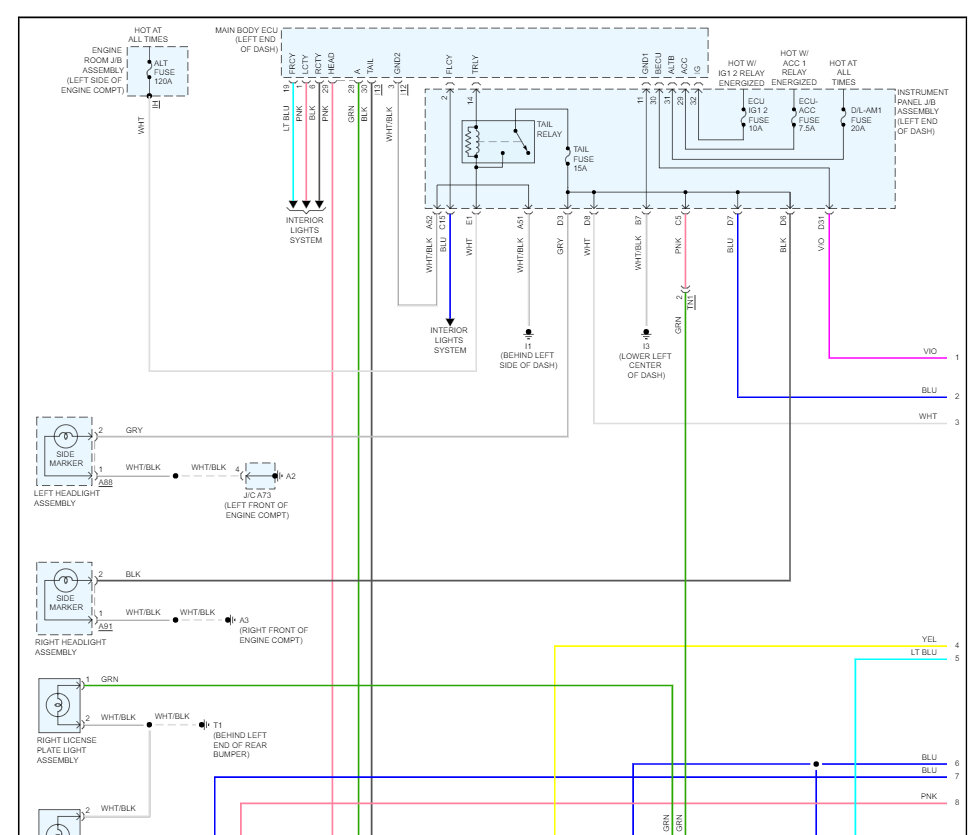
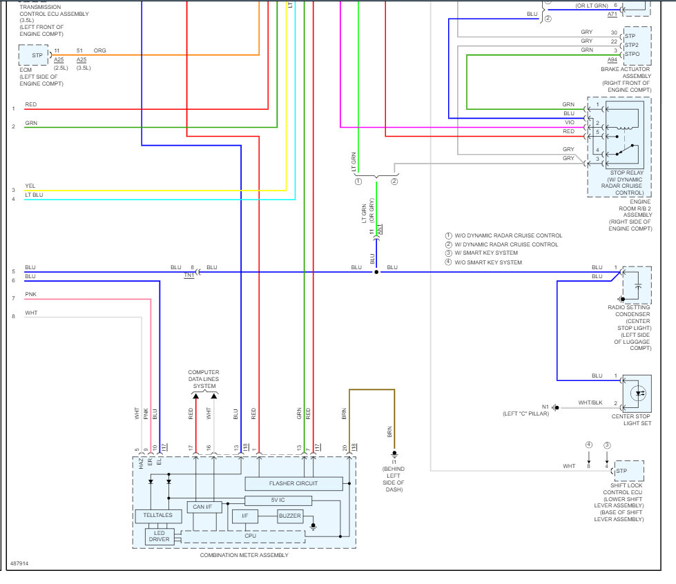
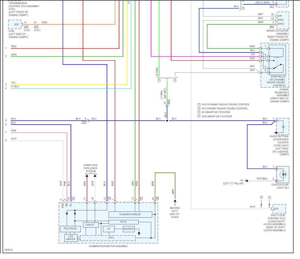
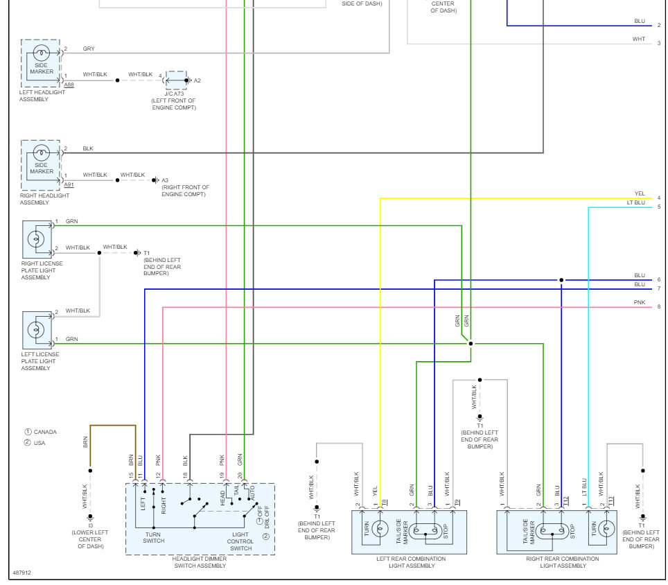
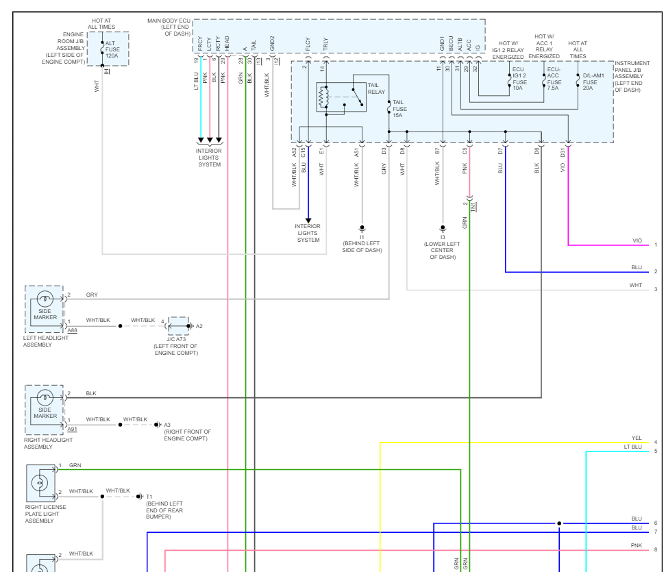
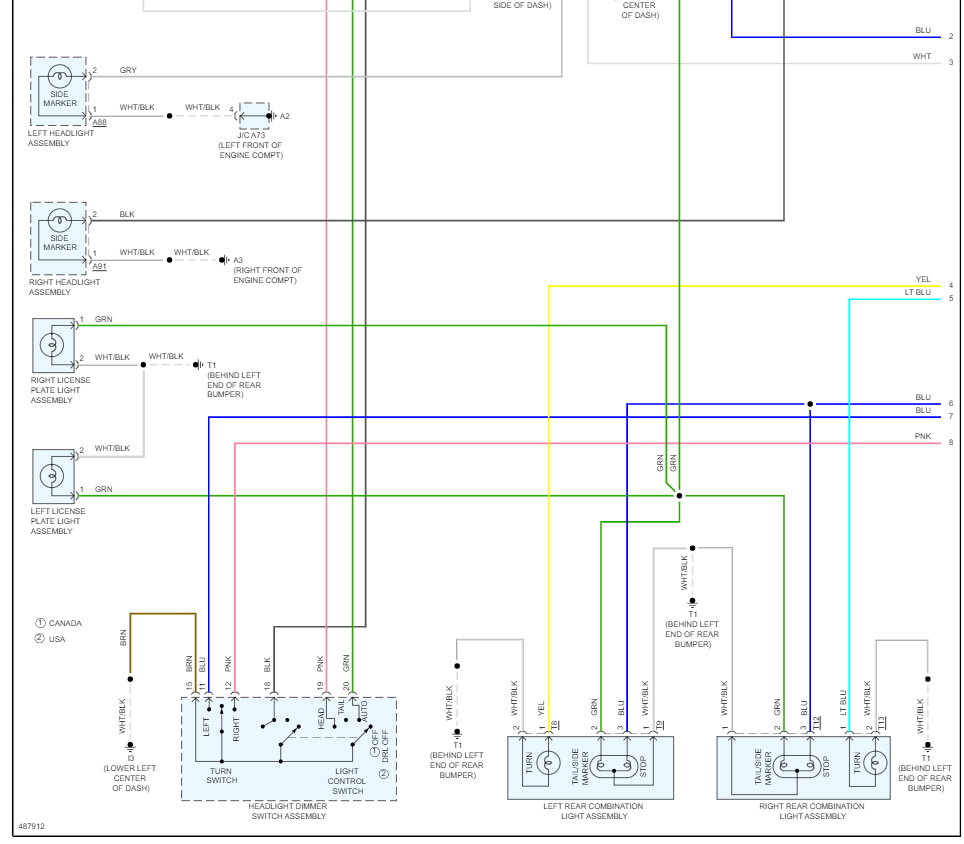
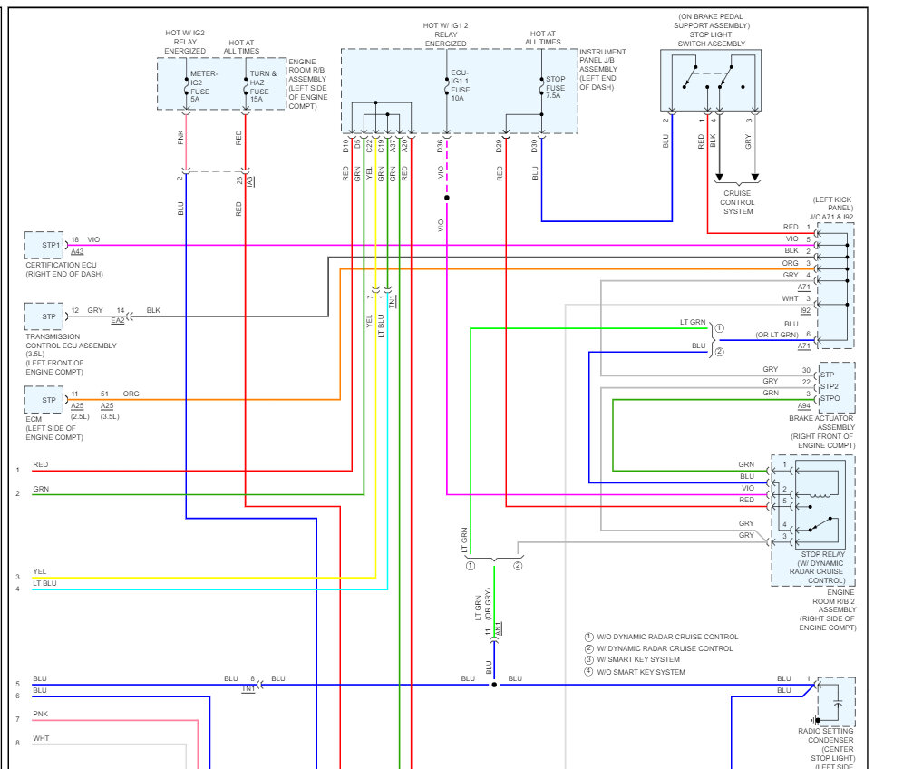
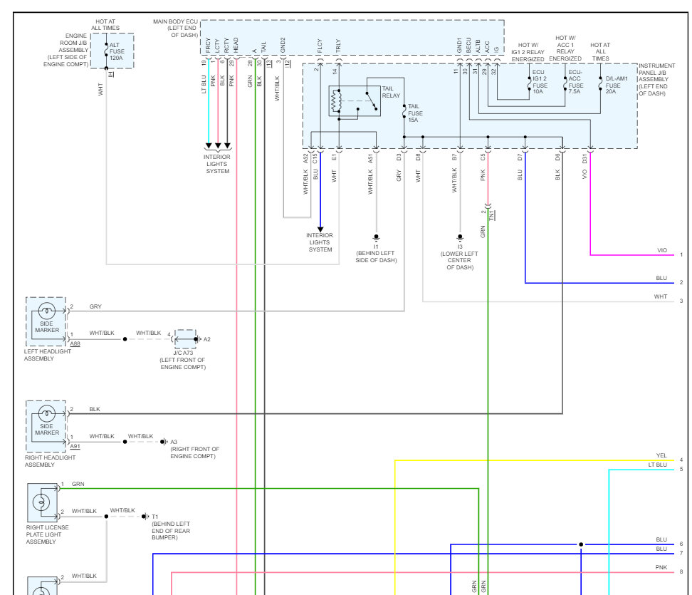
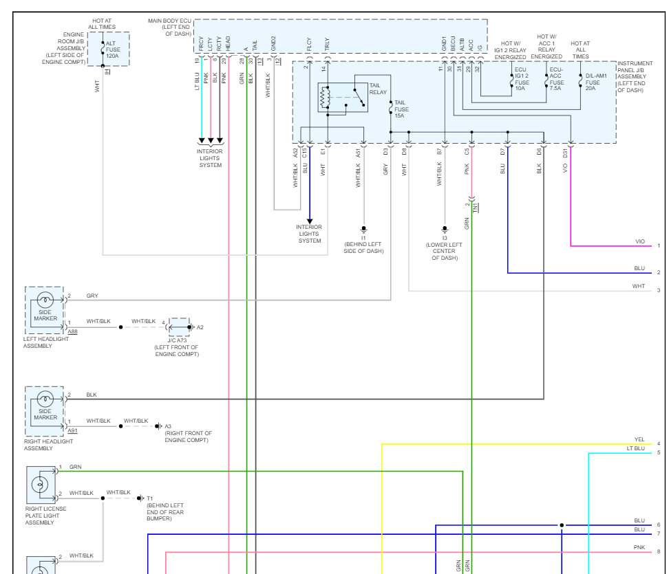
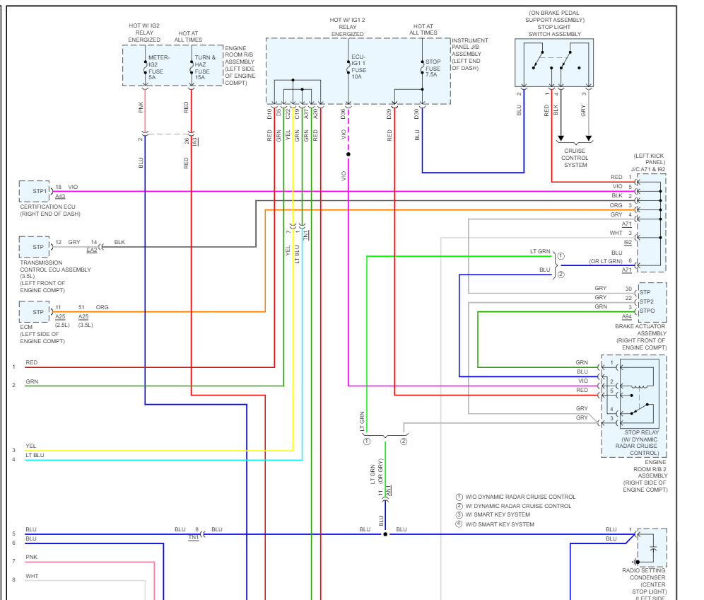
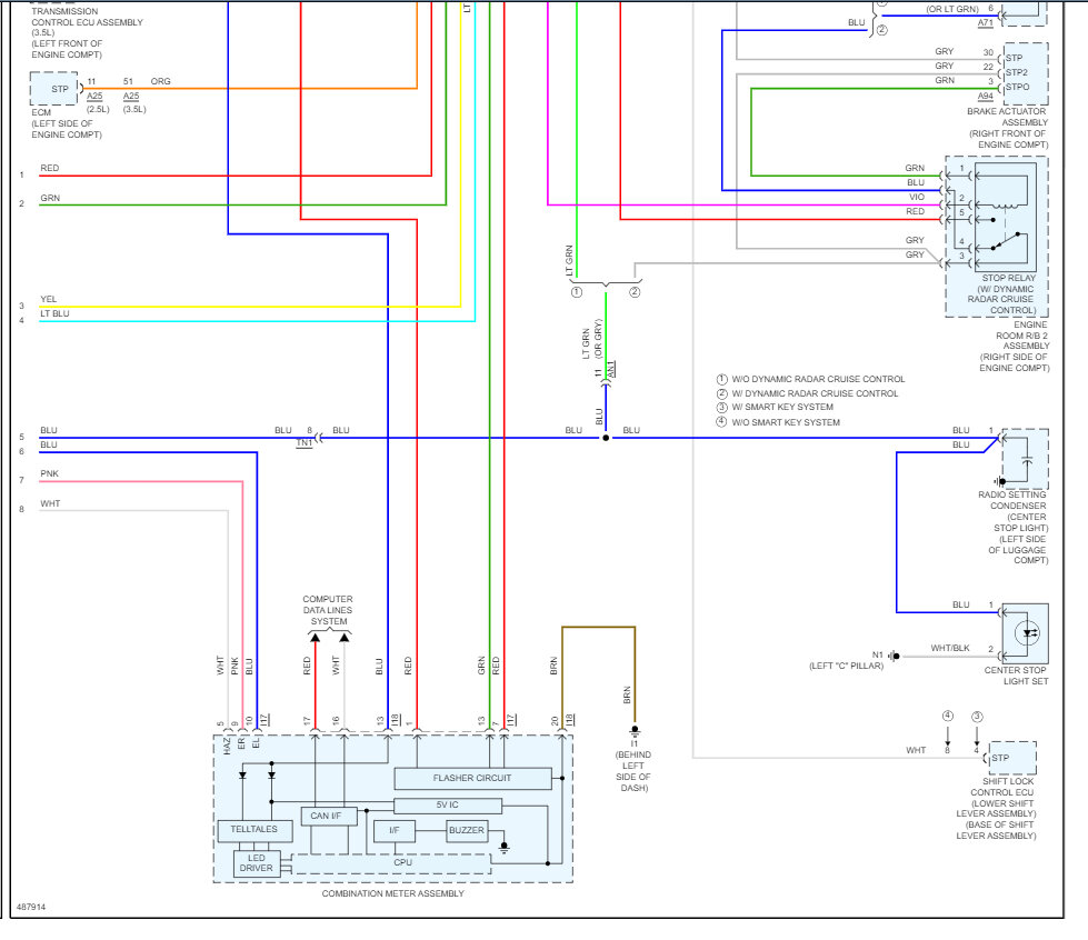
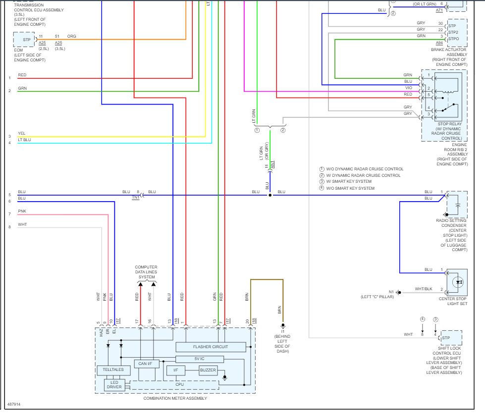
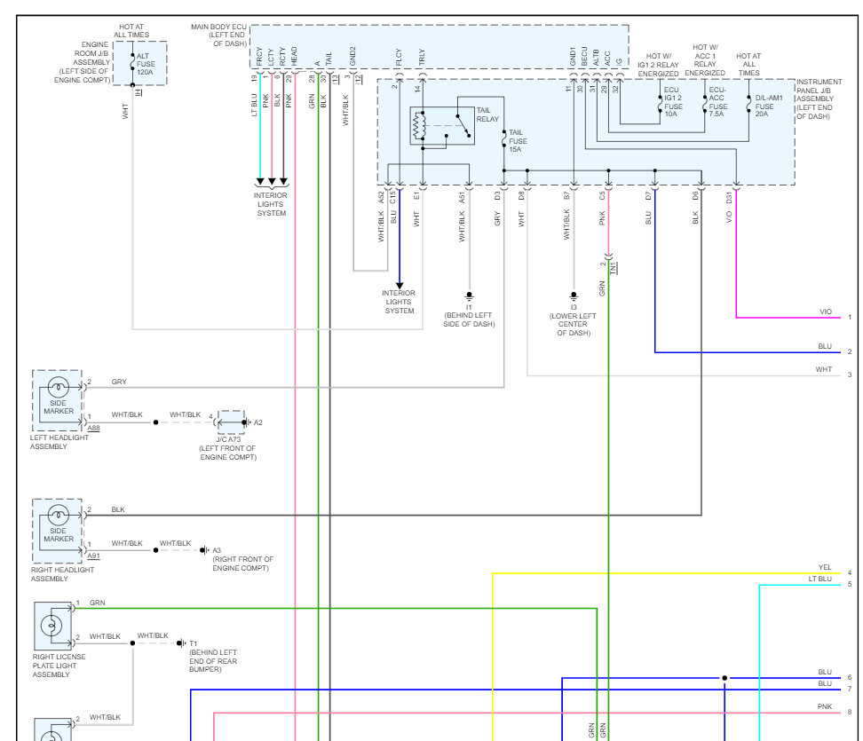
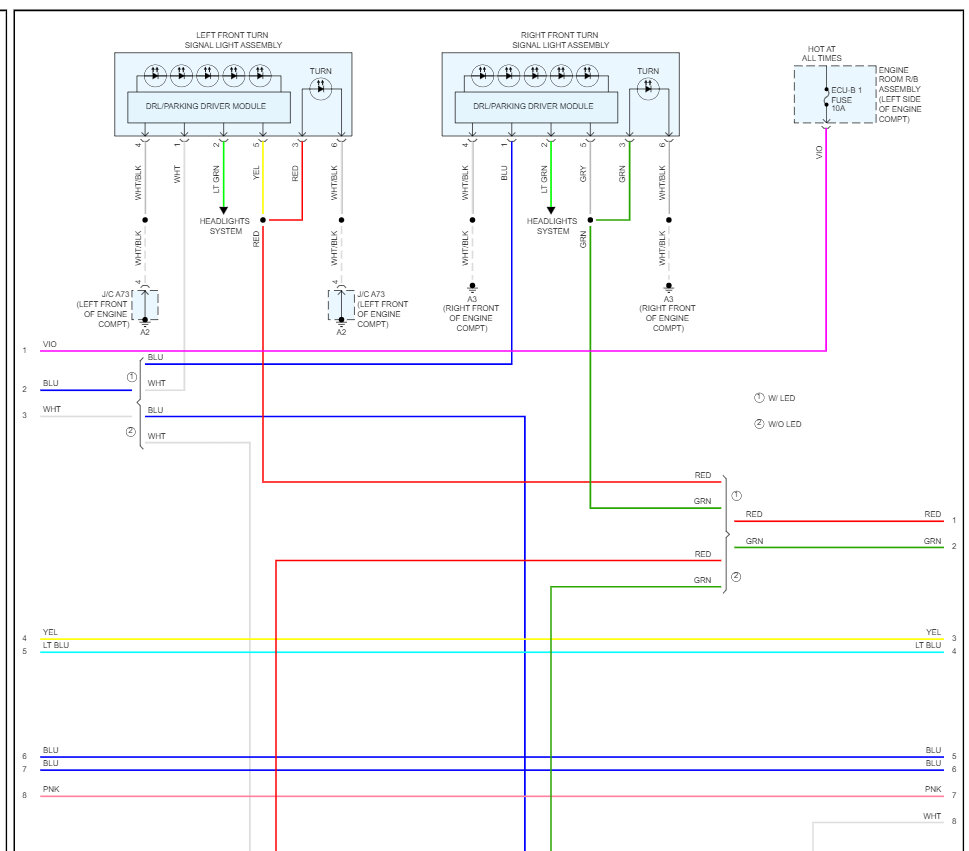
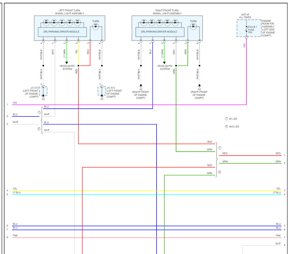
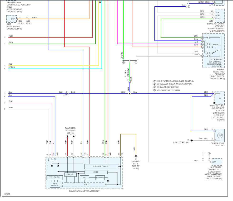
I have also included the location of the main body ECU, which is what I am leaning towards, and the exterior light wiring diagram so you can see how the system works. You can get a rebuilt unit that is preprogrammed by searching Google or eBay. Please let us know what happens.
Was this
answer
helpful?
Yes
No
Thursday, February 16th, 2023 AT 12:08 PM

Please login or register to post a reply.