At one point the battery drained and needed a jump start in the morning.
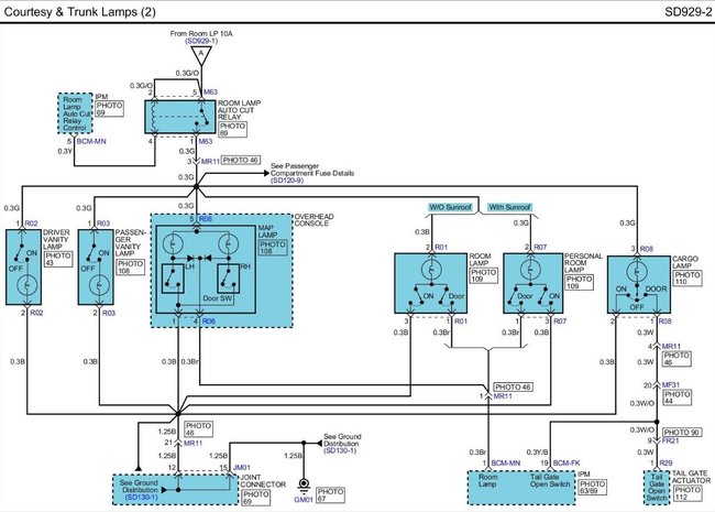
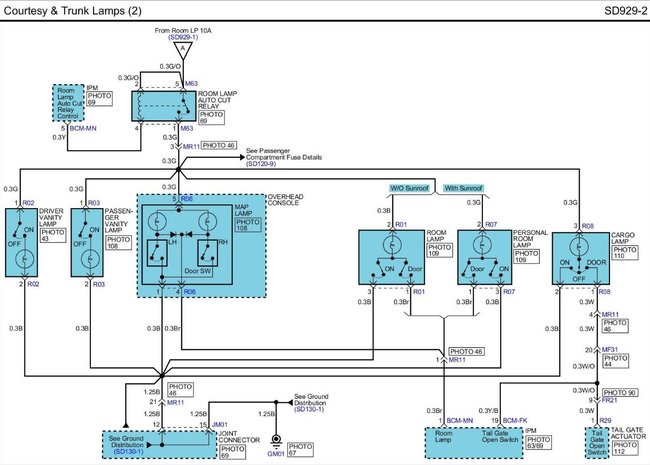
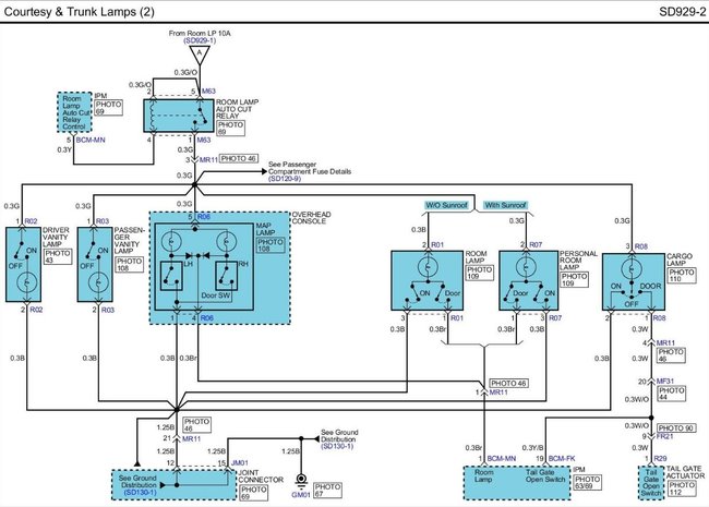
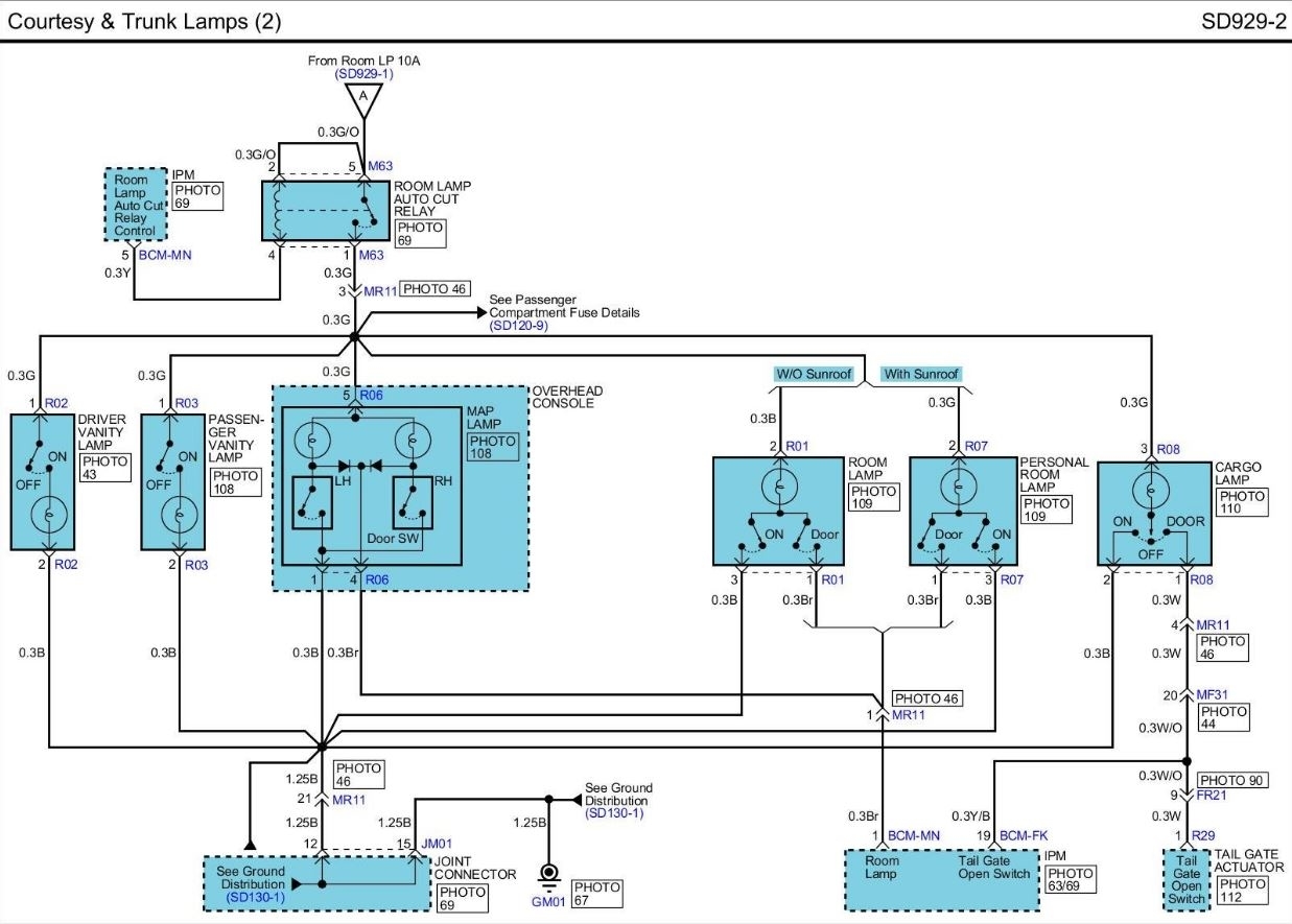
My local garage has looked at it and cleaned and checked all the door switches and there doesn't appear to be anything wrong with them. The car was fine when I got it back and the alarm didn't sound overnight. I started it in the morning to check the battery was ok and no problem. I locked the car again and lo and behold the alarm started going off about an hour or so later, with door ajar light and interior lights on.
Sometimes when this happens the car wont lock and other times it locks and unlocks again similar to when a door isn't shut properly. Sometimes the interior lights stay on and sometimes they don't.
Took the car back to the garage and on the diagnostics again. Whilst on the diag machine the mechanic could access light/door/alarm systems and turn them all on and off ok but the fault did repeat several times several times whilst plugged in so they could at least see what was occurring.
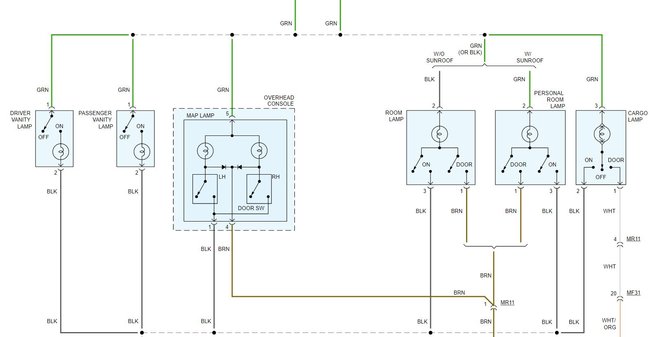
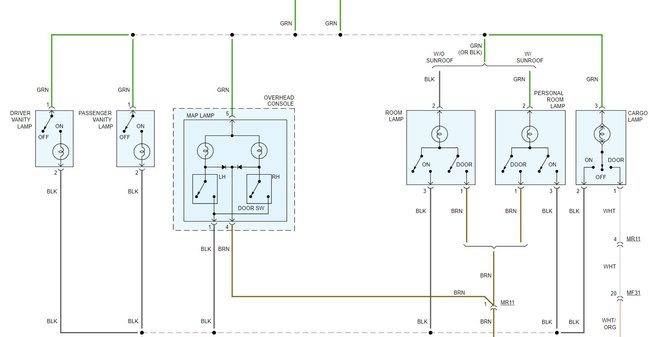
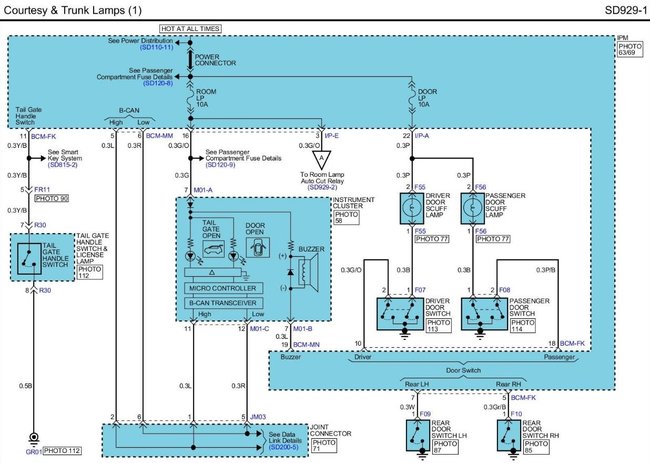
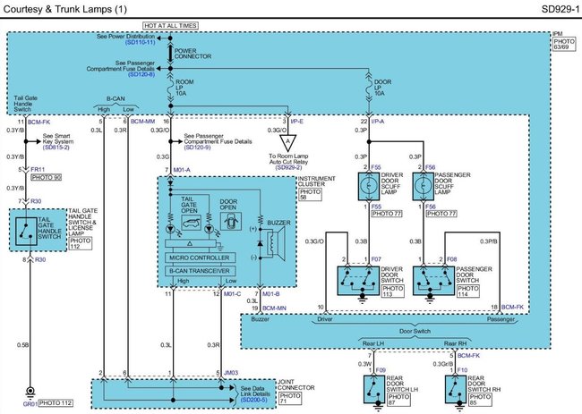
Tried all the usual door switch checks and when not in fault they all work fine and close off well before each door is tight shut. Mechanic and I agreed that this is unlikely to be a door switch fault.
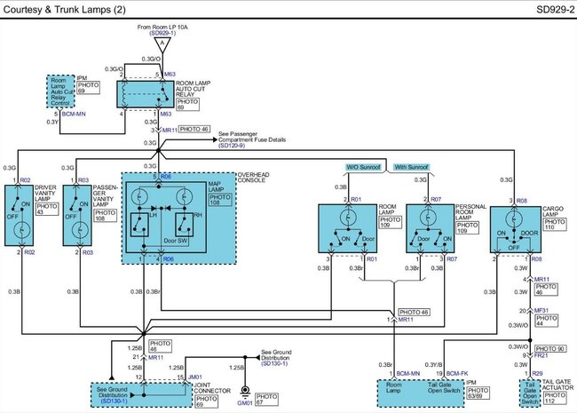
When I got the car home from the garage again the ajar light stayed on as did the interior lights, so to avoid a flat battery again I've removed the bulbs as there doesn't appear to be a way of switching the front interior light off.
Next thought is the BCM if I can locate it and I will probably have to take it to a dealer, which will be expensive.
Any thoughts or suggestions would be appreciated.
Thursday, March 4th, 2021 AT 1:47 PM










