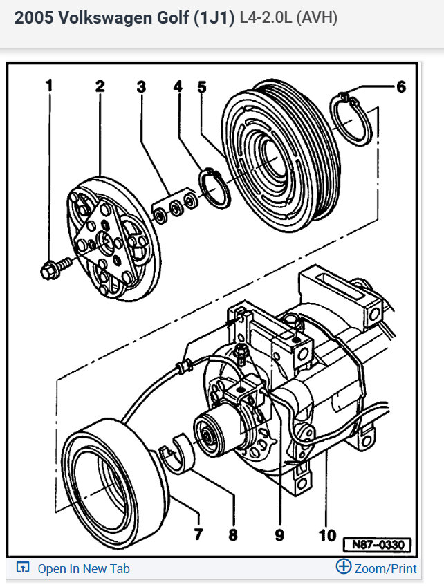
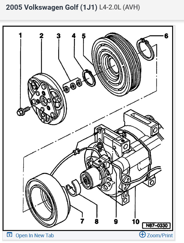
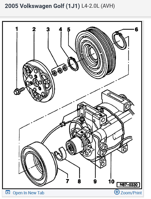
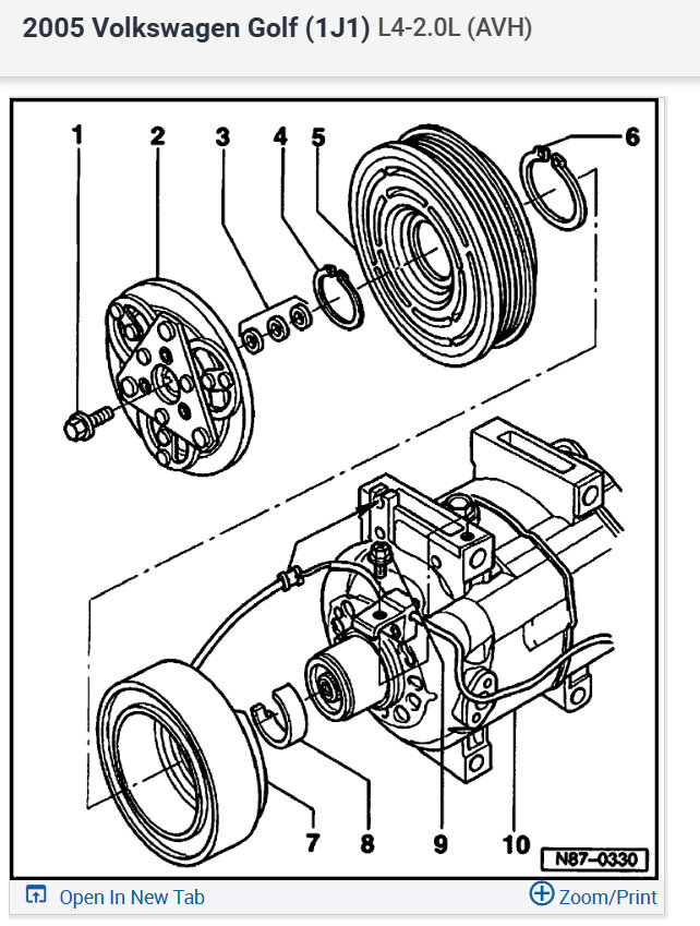
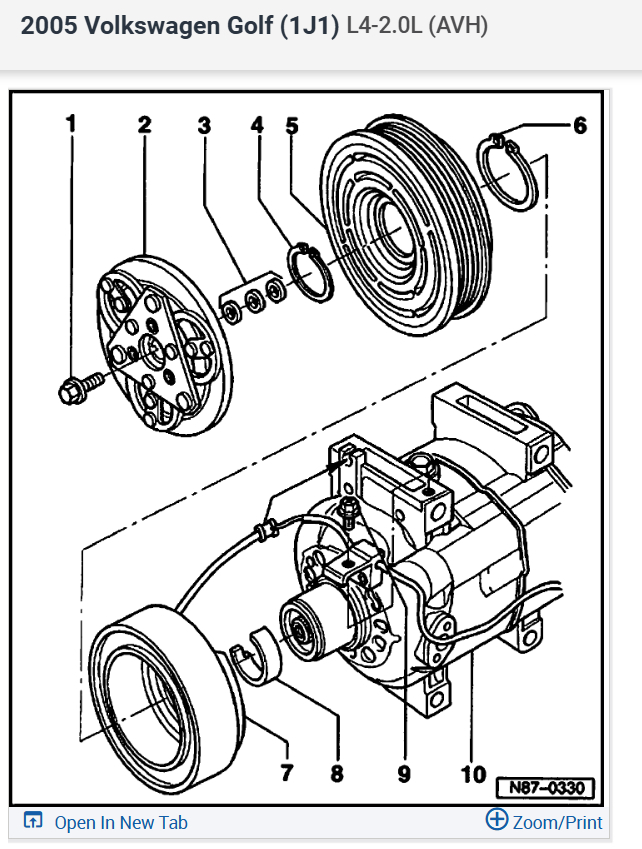
The air conditioning (A/C) is not working. I’m uncertain whether the compressor has a clutch because there is a control valve connected to the back of the compressor with two wires, and I don't see any other wiring connections. When I turn on the ignition switch, I measure around 5V on one of the wires. I can see the high-side pressure switch, but I cannot locate the low-side switch.
There was very little refrigerant gas in the system. I safely evacuated and recharged it with Hychill Minus 30 after confirming there were no leaks during the vacuum process. However, the compressor did not engage, and I observed 80 psi on both the high and low sides. Additionally, the refrigerant paused halfway while entering the system.
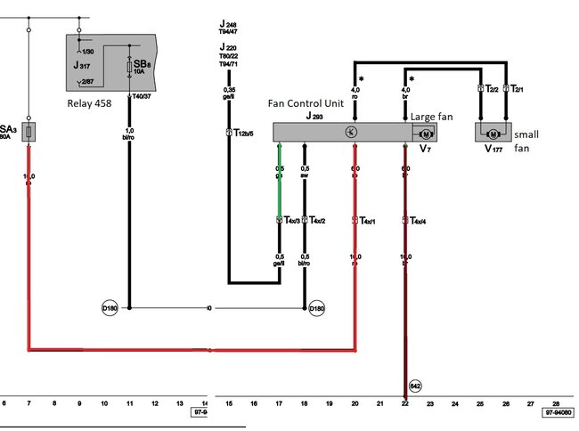
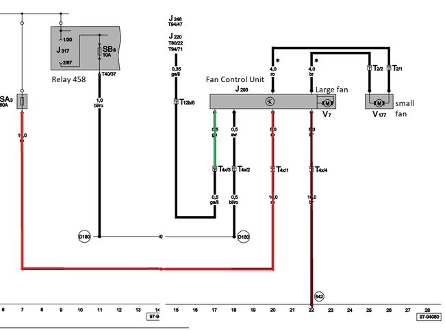
I would greatly appreciate your assistance in troubleshooting the issue. Additionally, please provide the wiring diagram for the A/C, as well as the locations of the relays and fuses.
Monday, November 18th, 2024 AT 1:04 PM

















