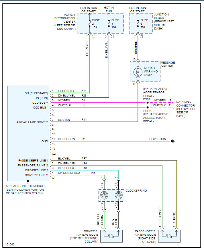
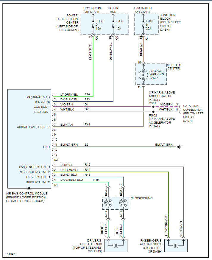
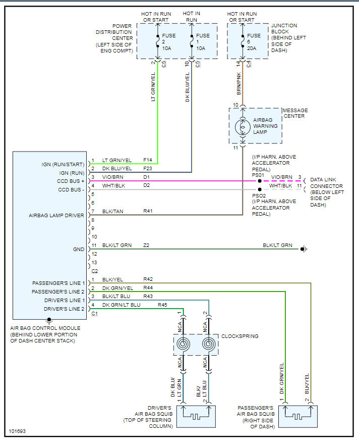
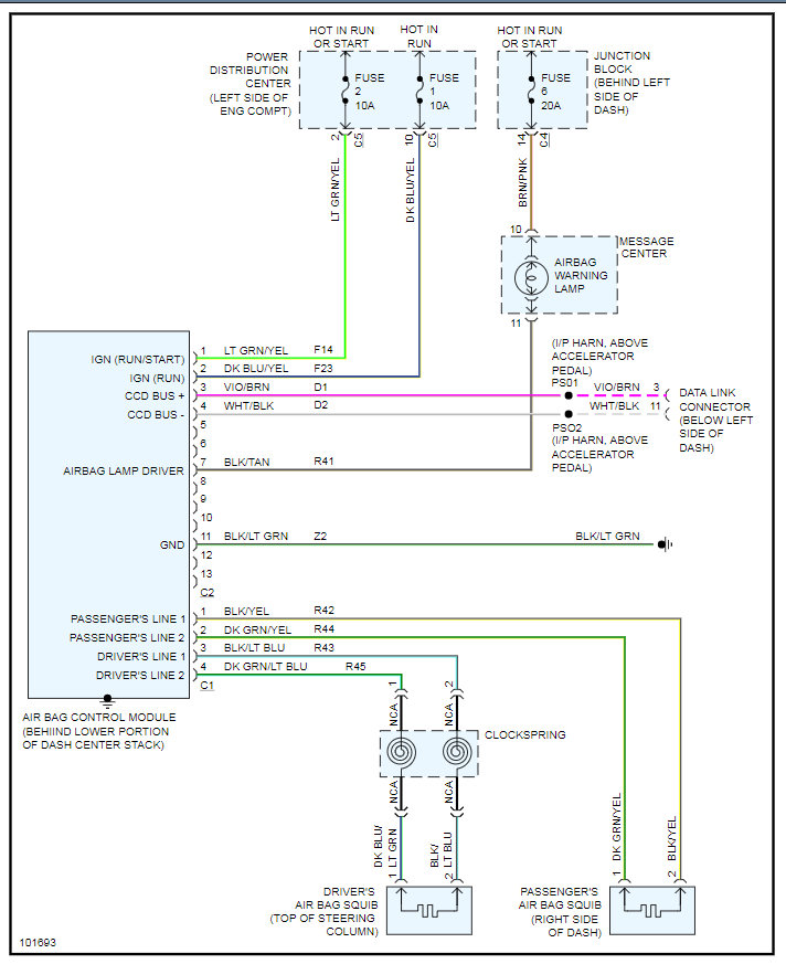
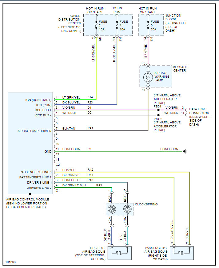
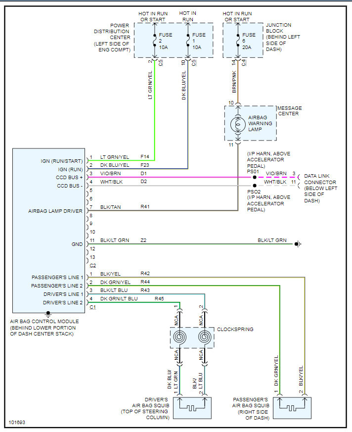
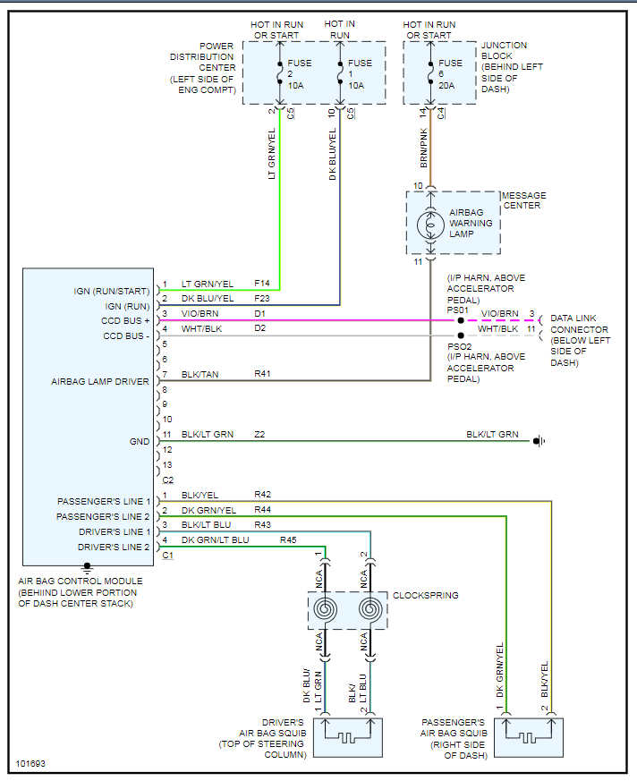
I have a question I have an airbag light always on in the van.
I just had dealer replace clock spring on warranty hoping light would go out as that is normally the cause.
Horn works now that clock spring is replaced which is good.
But they could not reset the airbag light/code.
I asked for error and was told no.
I don't want to go buy a reader just to find error code.
disconnecting battery for over 12 hours also did not fix the issue.
Is there another simple item that could be causing the problem?
I will add as a side note that when horn quit working the airbag light would flicker for about 2 weeks before it turned on solid. It was just 2 weeks ago clock spring was replaced under warranty. But the light had been on solid for almost a full year.
Thanks in advance.
Vor
Friday, March 20th, 2020 AT 12:20 PM
















