Friday, July 6th, 2018 AT 6:35 PM
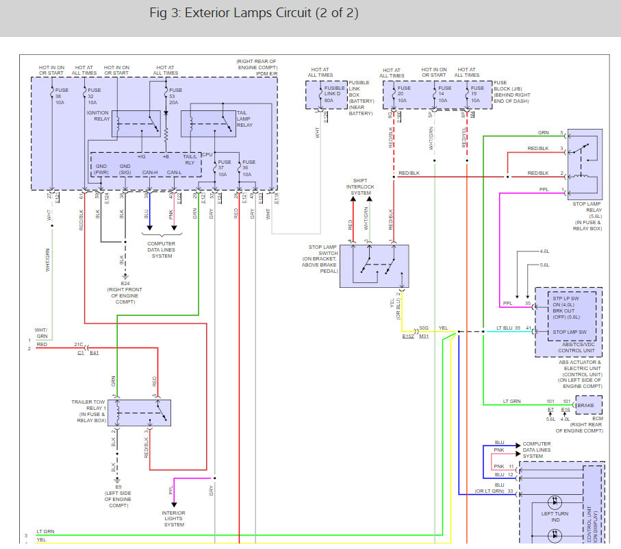
The airbag light was on and the horn did not work so I got a new one from eBay, installed it and light went out. A couple days later I got pulled over for no tail lights, so the fuse was blown and kept blowing. So I took out all bulbs and replaced one at a time to check for short. Got all in except for license plate and one of them did not work so I switched with the other and my steering wheel started smoking. I took wheel apart again and clock spring wires were melted so I got a refund from eBay and ordered an OEM part installed it and it worked great for one month. Now my tail light fuse is blowing again. Where do I start looking for a short or is there something causing the clock spring to go bad?



