Air Ride Suspension no power to the Air Compressor?

Tiny
2004 LINCOLN TOWNCAR
  • MEMBER
  • 2004 LINCOLN TOWN CAR
  • 4.6L
  • V8
  • 2WD
  • AUTOMATIC
  • 132,000 MILES
It appears to have no power to the Air Compressor. New solenoids, new air bags, new Air Compressor. No power to the off switch in the trunk. Fuses good. Relay good, swapped air relay with starter relay.

Car starts
Battery good

All in all, the airbags are flat. Solenoids must be closed, 100 PSI from air compressor. Airbags are still flat.
Wednesday, May 10th, 2023 AT 5:47 PM

13 Replies

Tiny
JACOBANDNICKOLAS
  • MECHANIC
  • 110,192 POSTS
Hi,

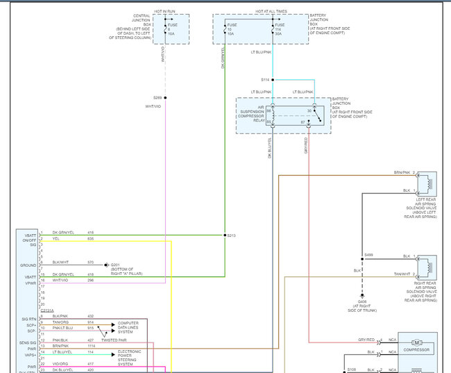
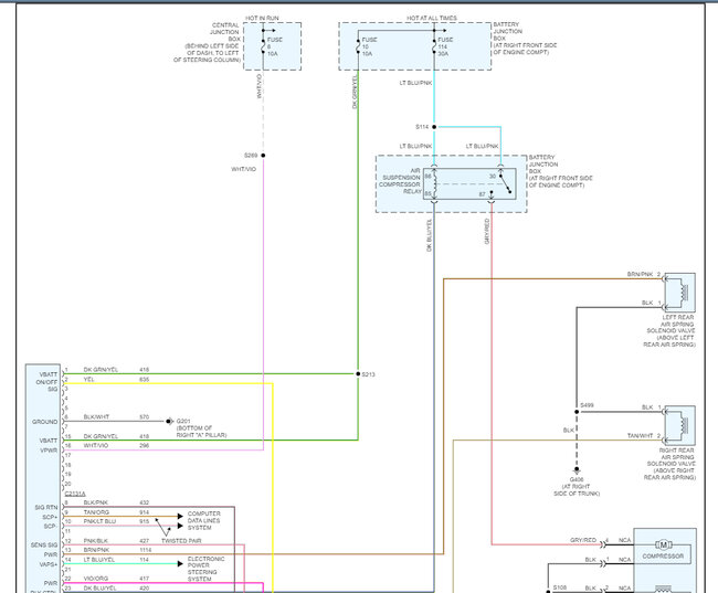
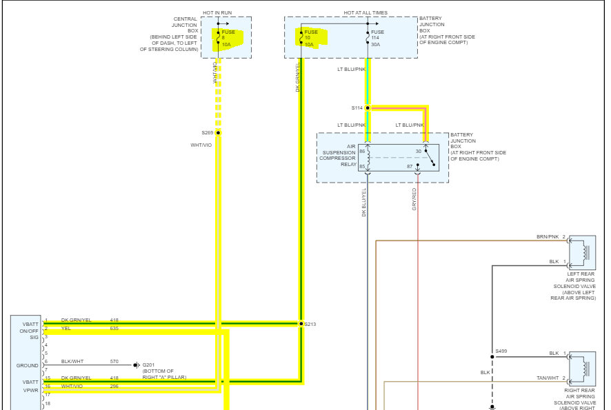
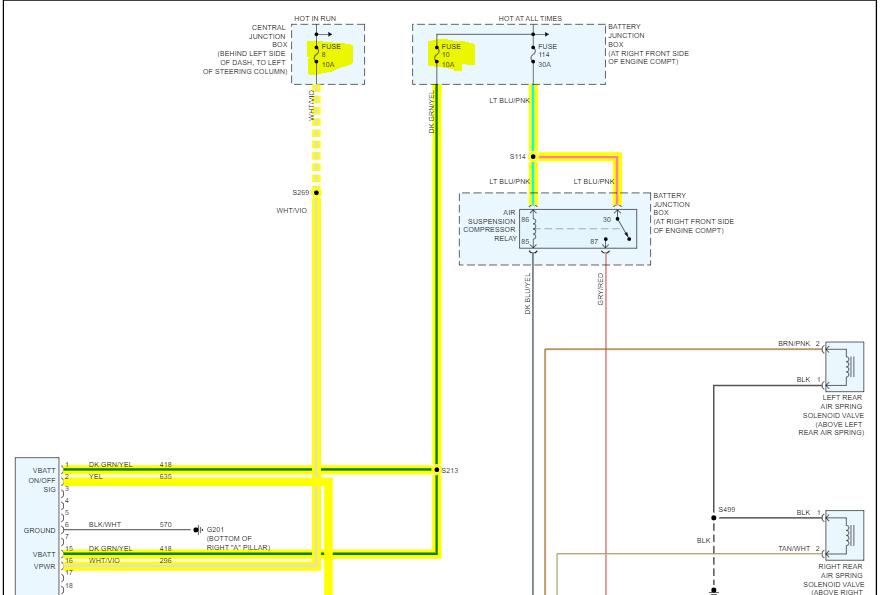
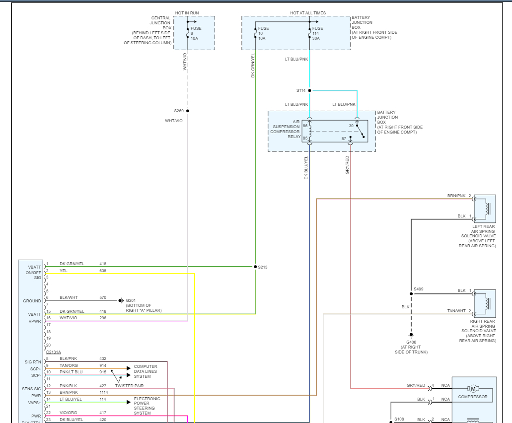
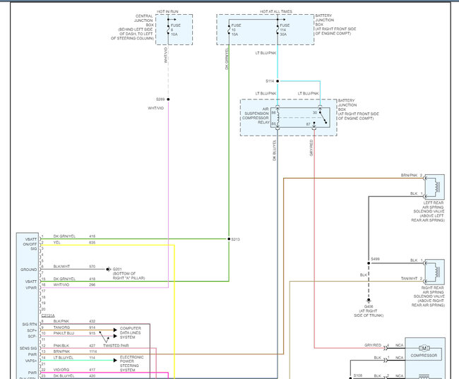
First, there are three fuses that are related to the air ride suspension. I need you to check them. See pic 1 below. When you check the fuses, confirm there is power to and from them.

Here is a link you may find helpful:

https://www.2carpros.com/articles/how-to-check-a-car-fuse

If they are good, then go back to the relay and remove it. On the relay, you will see that each pin has a number assigned to it indicating what it does. I need you to first locate pins 86 and 30 on the relay. Then determine which connector pins they go to in the box. Check both for battery voltage. They should have power at all times.

If they do, take a test light and connect the alligator clip to the battery-positive terminal and probe (in the box) where pin 85 would connect. With the key on, the test lamp should turn on because a ground path is provided via the suspension module actuating the relay.

Here is a link you may find helpful:

https://www.2carpros.com/articles/how-to-check-an-electrical-relay-and-wiring-control-circuit

Let me know what you find.

Take care,

Joe

See pics below.
Was this
answer
helpful?
Yes
No
Wednesday, May 10th, 2023 AT 8:56 PM
Tiny
2004 LINCOLN TOWNCAR
  • MEMBER
  • 9 POSTS
All fuses checked out, are good, show power.
Relay: #86 #30 check out, show power.
#85 pin: key on, test light clip to positive.
Test light on, with key on or with key off.
Was this
answer
helpful?
Yes
No
Thursday, May 11th, 2023 AT 5:16 AM
Tiny
2004 LINCOLN TOWNCAR
  • MEMBER
  • 9 POSTS
Typo: Relay pin slot for #86, #30 and pin slot #85.
Was this
answer
helpful?
Yes
No
Thursday, May 11th, 2023 AT 5:20 AM
Tiny
KEN L
  • MASTER CERTIFIED MECHANIC
  • 55,322 POSTS
Do you have power at the fuse for the system? Fuse # 114, # 10 and #8? If so, check the ground to the air suspension control unit and if so, replace the air suspension control unit.

Here is a guide to help you check the power and grounds:

https://www.2carpros.com/articles/how-to-use-a-test-light-circuit-tester

Here is the module location so you can check it out.
Was this
answer
helpful?
Yes
No
Thursday, May 11th, 2023 AT 6:02 PM
Tiny
2004 LINCOLN TOWNCAR
  • MEMBER
  • 9 POSTS
Power to #114 yes
Power to #10 yes
#8 is not in use empty from the factory

In the mean time, Can you explain the test light results:

5 pin Relay Sockets in the bottom of the “POWER DISTRIBUTION BOX”
Test light test

#30 All light

#86 2 light

#85 1 light

#87 No light no power

Power Yes
#86 Relay sock 304 & 303

Power Yes
#85 Relay. Sock 301

No power to
Sock #19 is for the MAF sensor DPEE sensor Injectors PCM
Sock# 20 is for the PCM Canister Vent Solenoid, UMV, HEGOS
Fuses Good

Working out of the owners manual
Was this
answer
helpful?
Yes
No
Thursday, May 11th, 2023 AT 7:41 PM
Tiny
2004 LINCOLN TOWNCAR
  • MEMBER
  • 9 POSTS
Is the air suspension control unit, the same for all panther body cars?
Was this
answer
helpful?
Yes
No
Friday, May 12th, 2023 AT 7:40 AM
Tiny
KEN L
  • MASTER CERTIFIED MECHANIC
  • 55,322 POSTS
Yes, is should be, is the control unit getting power and ground?
Was this
answer
helpful?
Yes
No
Saturday, May 13th, 2023 AT 10:02 AM
Tiny
2004 LINCOLN TOWNCAR
  • MEMBER
  • 9 POSTS
No power but ground is good.
Do you have a more detailed drawing or pictures demonstrating the removal of the air suspension control module?
The last one you supplied is not a match for this 2004 Lincoln town car.
Was this
answer
helpful?
Yes
No
Sunday, May 14th, 2023 AT 9:00 AM
Tiny
2004 LINCOLN TOWNCAR
  • MEMBER
  • 9 POSTS
The air ride suspension control module is out. Looks to be undamaged. What is the testing procedure to determine its work ability?
Was this
answer
helpful?
Yes
No
Sunday, May 14th, 2023 AT 6:05 PM
Tiny
KEN L
  • MASTER CERTIFIED MECHANIC
  • 55,322 POSTS
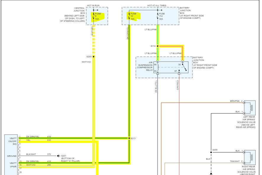
The best way to test it is to replace it. There is no easy way to test it. Here are the wiring diagrams so you can see how the system works. Check out the images (below). Please let us know what happens.
Was this
answer
helpful?
Yes
No
Monday, May 15th, 2023 AT 10:00 AM
Tiny
2004 LINCOLN TOWNCAR
  • MEMBER
  • 9 POSTS
10-4
I have already located the drawings
Now I am looking for one to replace it with.
Interesting!
The Dealership is out, I checked, it is not in the dealer books.
Most units show up on eBay but the numbers don’t match.
Something about the first number to do with the year.
Next
Was this
answer
helpful?
Yes
No
Monday, May 15th, 2023 AT 1:39 PM
Tiny
2004 LINCOLN TOWNCAR
  • MEMBER
  • 9 POSTS
Do you have any input on how to read the numbers?
Was this
answer
helpful?
Yes
No
Monday, May 15th, 2023 AT 2:31 PM
Tiny
KEN L
  • MASTER CERTIFIED MECHANIC
  • 55,322 POSTS
Nope, you must call the ford dealer.
Was this
answer
helpful?
Yes
No
Tuesday, May 16th, 2023 AT 12:18 PM

Please login or register to post a reply.