Wednesday, May 6th, 2020 AT 4:17 PM
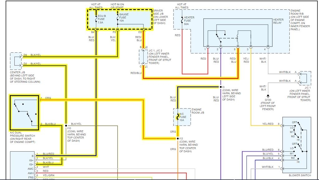
Replaced battery in car, afterward air stopped working. When you turn the air switch on from the dash there is no clutch engagement of the clutch. Also, the center console in the truck appears to have no power with exception of the radio which works. No A/C light, no clock, nothing seems to have power. We checked the fuses and relays, and they were all good. Any thoughts? Thanks for your time.





