Sunday, June 17th, 2018 AT 5:35 AM
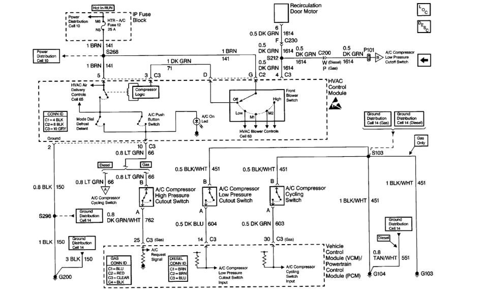
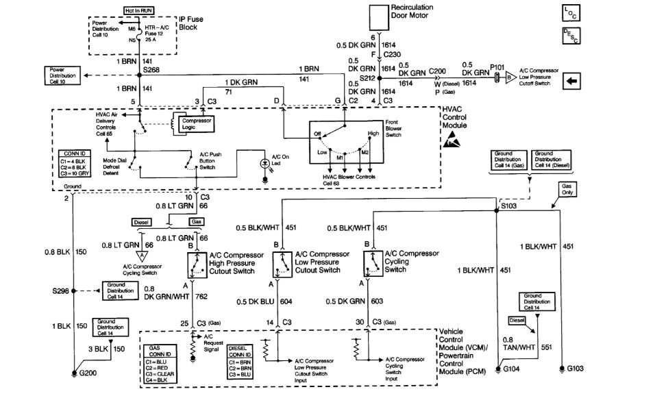
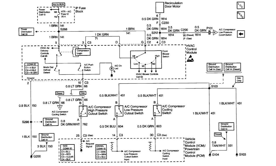
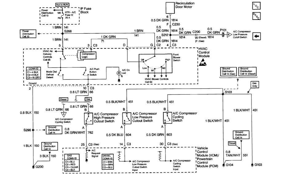
My old AC unit was leaking so I had to replace the compressor with a new one. Once I have the new compressor installed and charged it work but it blew the valve or the sensor out of the back of the compressor. I Replaced that snap ring that holds a sensor in. Recharge the system and the in cab control unit quit working the AC light would not turn on nor would the compressor kick in I put a different control unit in and it worked for about thirty seconds then quit. I am not sure where to go from there The compressor will run if it is bypassed or jumped by the relay.



