Monday, March 27th, 2023 AT 10:34 AM
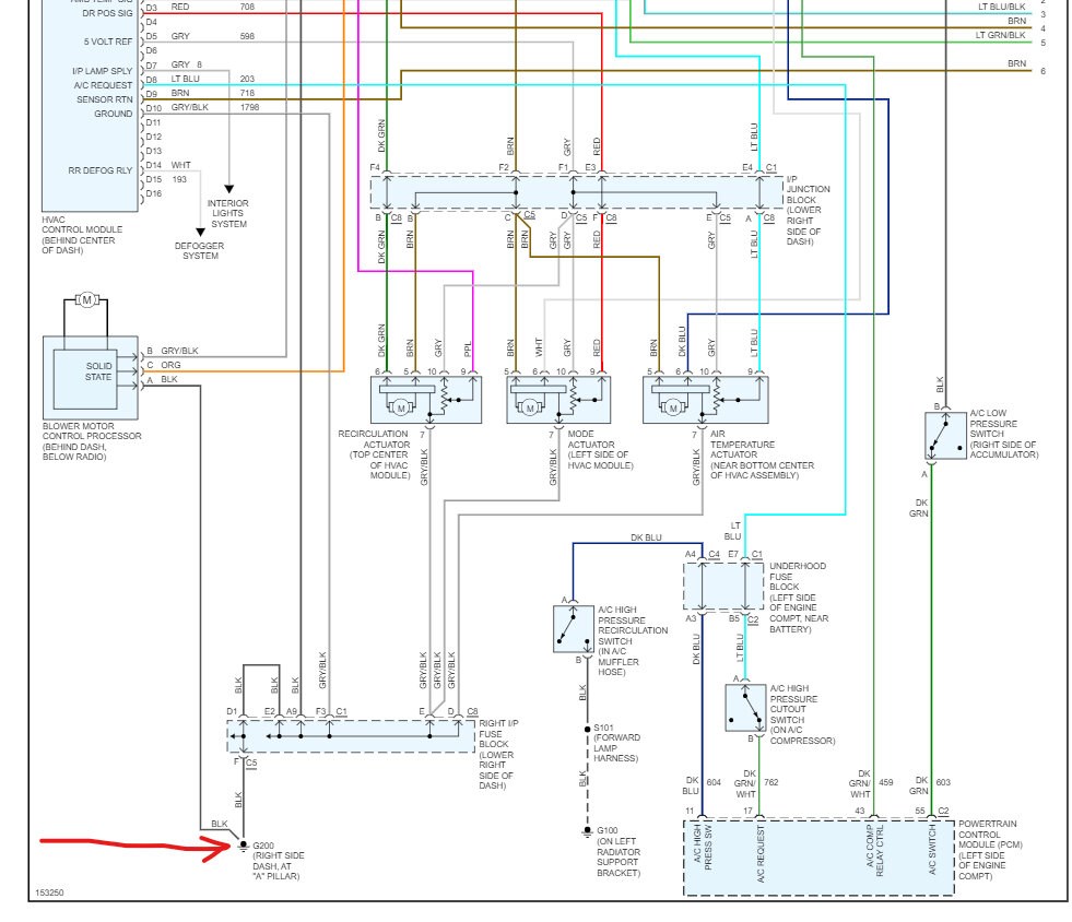
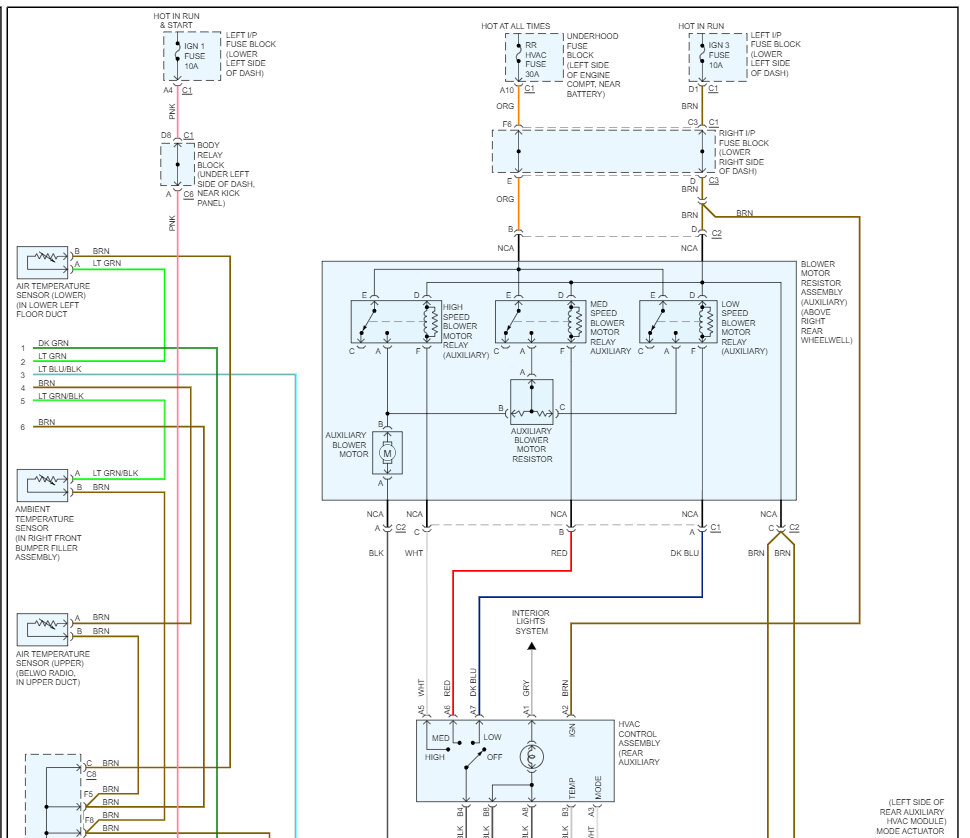
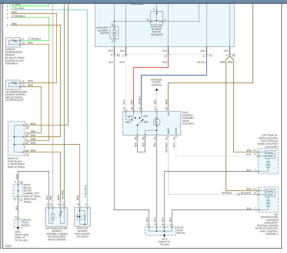
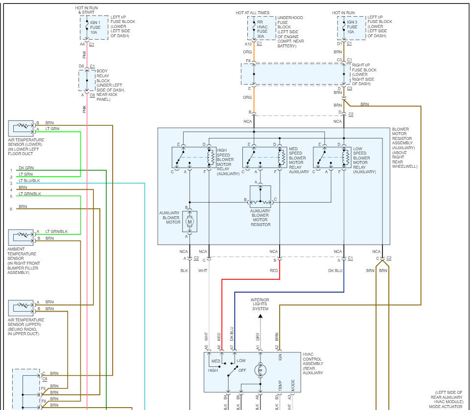
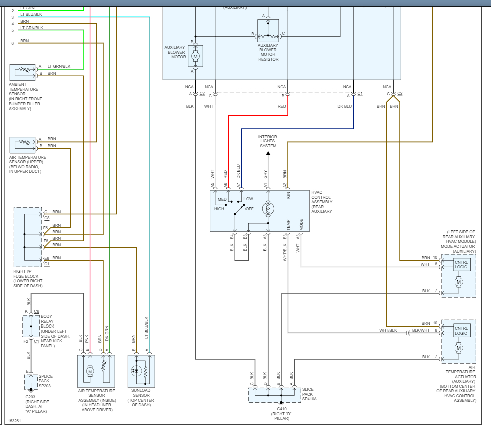
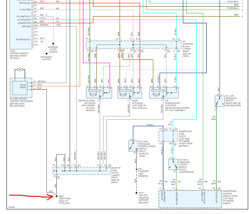
The A/C clutch is out so I leave A/C off and this winter while I had it on heat my front vents and front defrost blow little air when on any setting. I leave it on high because once in a blue moon not often the air will turn on and then turn off. I've replaced the blower motor and resistor as well as the blend door. I'm starting to think the ground wire but don't know full where to look when looking at the diagram in the book to vehicle. Also, when on defrost random times as well I'll hear a noise under the hood and once I turn off defrost it stops. Now do I have two blend doors because I also found another on the driver side the one I replaced was more on the passenger side. Any help would be great. You can hear it change when going from defrost to floor or face vents.






