Air/heat controls, heated and cooled seats not working?

Tiny
HASKINS23
  • MEMBER
  • 2020 CHEVROLET SILVERADO
  • 6.6L
  • V8
  • 4WD
  • AUTOMATIC
  • 80,000 MILES
My air/heat controls, heated/cooled seats and the center console do not work. I am able to run the air/heat from the radio with the controls there.
Thursday, May 18th, 2023 AT 7:27 AM

1 Reply

Tiny
KEN L
  • MASTER CERTIFIED MECHANIC
  • 55,112 POSTS
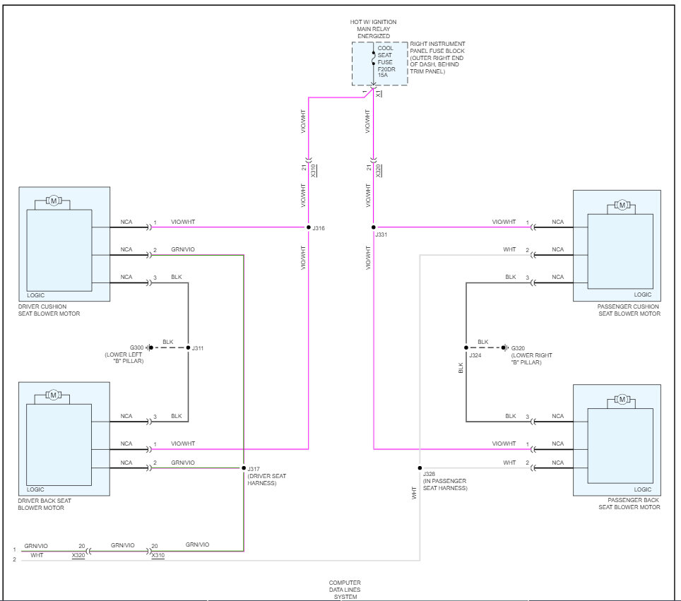
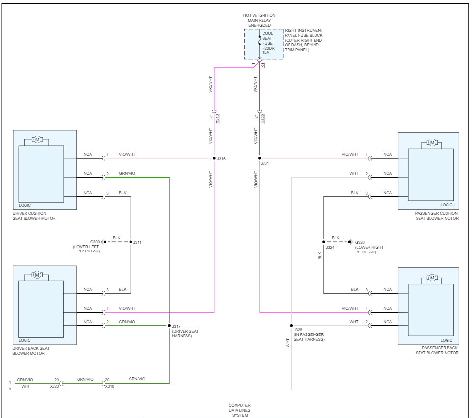
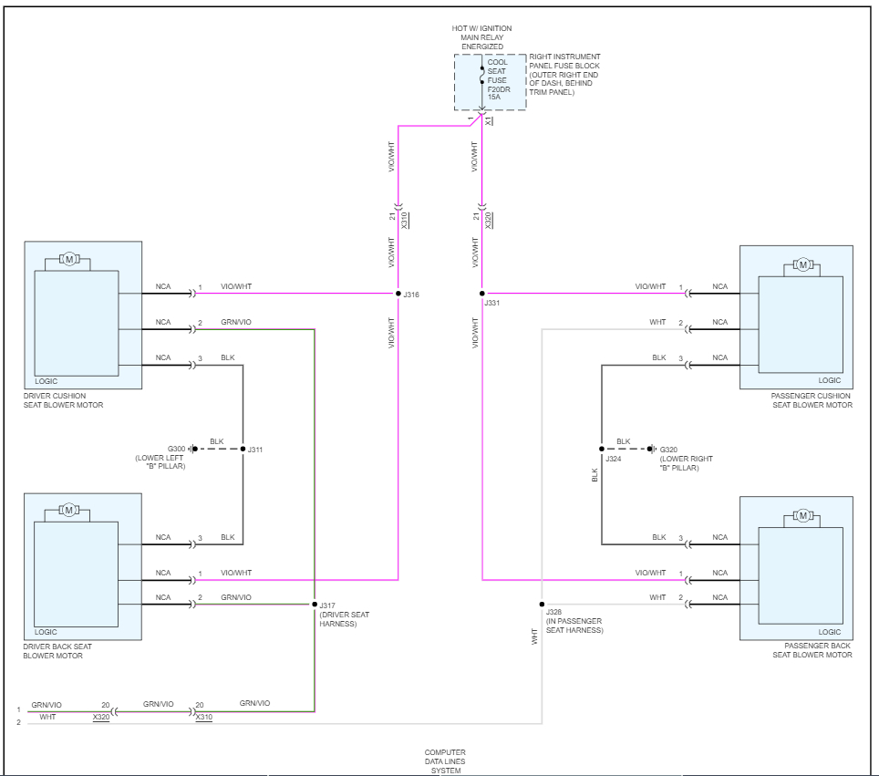
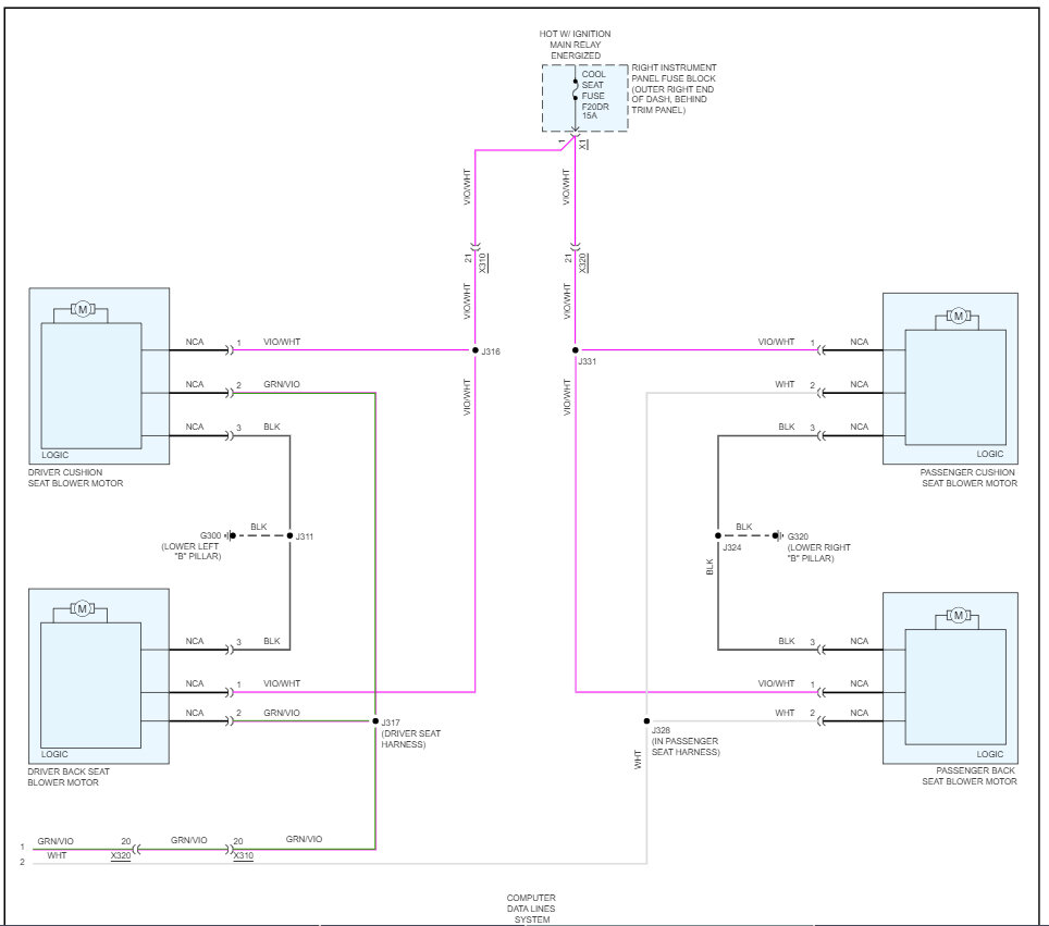
Okay, the first thing we need to do is check the fuse (HTD CLD SEATS LTRT) which is located on the left side of the dash behind the trim panel. Please test the fuse for power as well with the system on. This guide can help

https://www.2carpros.com/articles/how-to-check-a-car-fuse

I also have included the heated and cooled seats wiring diagrams so you can see how the system works. If the fuse it okay, it could be the front seat heating control module but to be sure we should do a CAN scan. You can get a CAN scanner (Controller Area Network) which will work on most cars from Amazon.

Here is a video to show you how:

https://youtu.be/u-4syLc-ifQ

and

https://www.2carpros.com/articles/can-scan-controller-area-network-easy

Check out the images (below). Let us know what happens and please upload pictures or videos of the problem so we can see what's going on.
Was this
answer
helpful?
Yes
No
Friday, May 19th, 2023 AT 10:38 AM

Please login or register to post a reply.