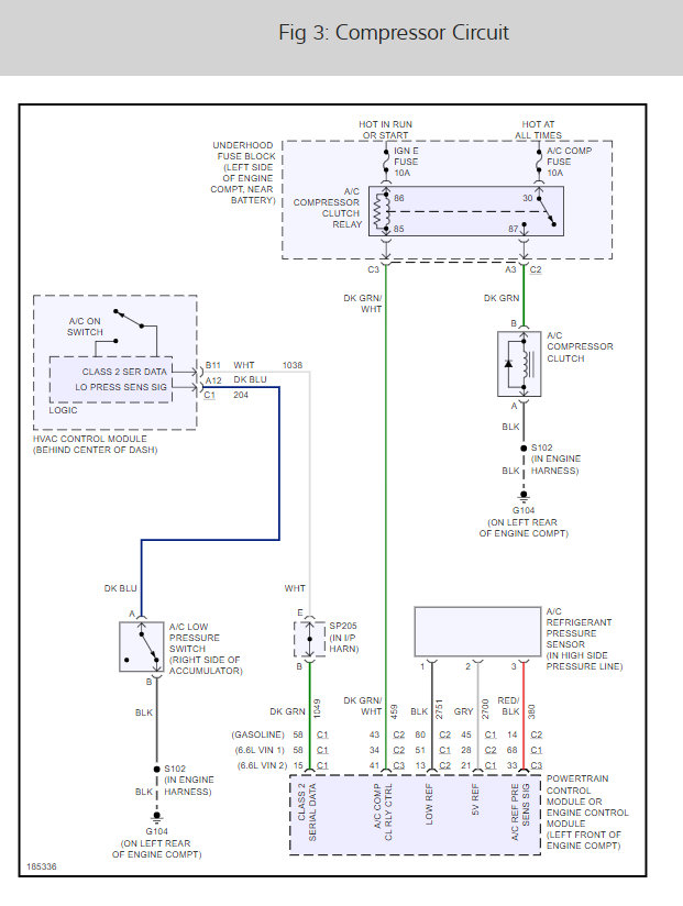
System had bad tensioner and replaced and put new belt on as belt wasn’t present when vehicle was purchased.
Noticed the AC wasn’t cold. Checked pressure and AC clutch was kicking in and out but was full of air and very little Freon. Evacuated system and installed can of oil and filled with Freon.
AC is very cold now but clutch will not disengage.
Any suggestions?
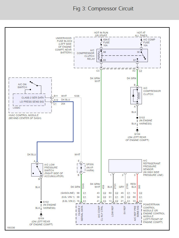
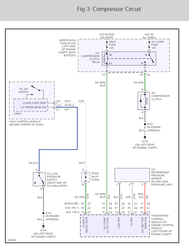
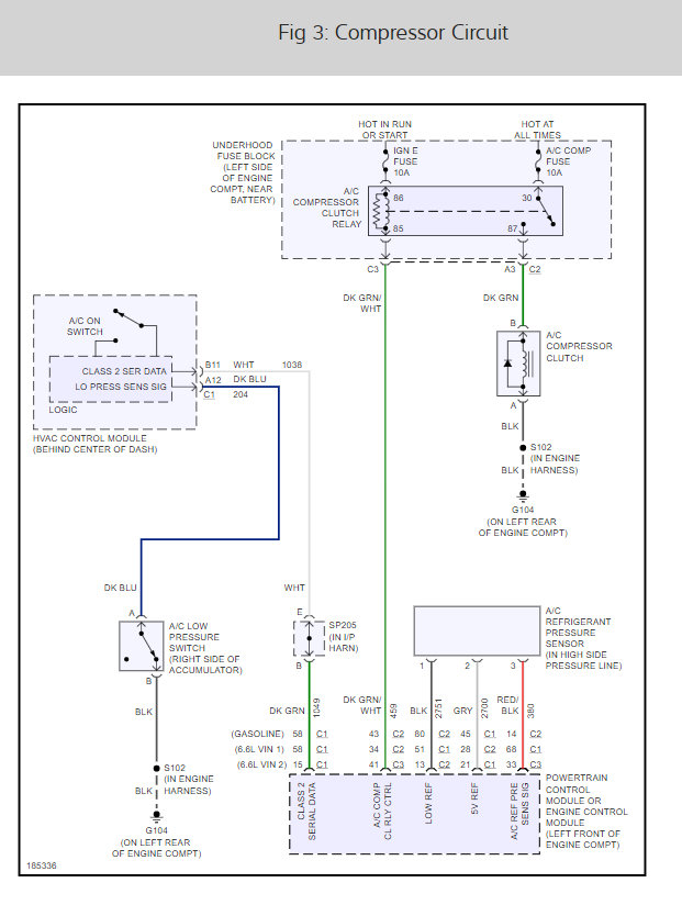
Noticed the AC wasn’t cold. Checked pressure and AC clutch was kicking in and out but was full of air and very little Freon. Evacuated system and installed can of oil and filled with Freon.
AC is very cold now but clutch will not disengage.
Any suggestions?
Jun 10, 2019 at 4:50 PM














