Passenger frontal squib 1 control wires shorted together

Tiny
RJBOUGHTON
  • MEMBER
  • 2013 DODGE RAM
  • 6.7L
  • 6 CYL
  • TURBO
  • 4WD
  • AUTOMATIC
  • 116,457 MILES
Where can I find a wiring schematic for the air bag system with all modules, sensors, etc?
Monday, January 13th, 2020 AT 11:12 AM

5 Replies

Tiny
ASEMASTER6371
  • MECHANIC
  • 52,796 POSTS
Good afternoon,

Can you give me the code that was set so I can narrow the area of failure?

I attached the diagram. I had to enlarge it for you to read.

Page 1 ram and ram 1. Page 2 is ram 2 and ram 3.

Page 3 is ram 4 and ram 5.

Roy
Was this
answer
helpful?
Yes
No
Monday, January 13th, 2020 AT 12:09 PM
Tiny
RJBOUGHTON
  • MEMBER
  • 3 POSTS
Code was B0010.
Was this
answer
helpful?
Yes
No
+1
Monday, January 13th, 2020 AT 12:35 PM
Tiny
RJBOUGHTON
  • MEMBER
  • 3 POSTS
Also, had to replace the heater core and I'm thinking we might have pulled the wires when we were removing the dash.
Was this
answer
helpful?
Yes
No
Monday, January 13th, 2020 AT 12:38 PM
Tiny
ASEMASTER6371
  • MECHANIC
  • 52,796 POSTS
Okay, I attached the description and the checks that need to be done.

Do you have a scan tool that can read the Airbag system?

Roy

Theory of Operation

When powered, the Occupant Restraint Controller (ORC) sends a test current to the squibs to verify the integrity of the squib and wiring. These circuits are maintained in a "floating" configuration at the ORC (connected to neither power nor ground) as protection against inadvertent deployment. Use of the Supplemental Restraints System (SRS) Load Tool Kit (8443A) in the tests below substitutes a suspect squib with a known good component. The use of the SRS Load Tool Adapter provides a test point as well as a method for opening the shorting bar connections within the ORC harness connector.

- When Monitored:
The ORC sends out a 40 mA diagnostic current on each squib voltage supply circuit at power up and every 100 ms thereafter while the ignition is on.

- Set Condition:
This Diagnostic Trouble Code (DTC) sets when the ORC detects a short to ground on the squib circuit for more than 2.5 seconds. This DTC transitions from active to stored when the ORC sees a recovery from a short to ground condition for greater than 2.5 seconds.

Image

Always perform the Pre-Diagnostic Troubleshooting procedure before proceeding. See: Restraints and Safety Systems > Initial Inspection and Diagnostic Overview > Restraint System Pre-Diagnostic Procedure.

Diagnostic Test

1. VERIFY ACTIVE DTC

NOTE: Make sure the battery is fully charged.

1. Turn the ignition on.
2. With the scan tool, read ORC DTCs.

Does the scan tool display active B0010-11-PASSENGER FRONTAL SQUIB 1 CONTROL - CIRCUIT SHORT TO GROUND DTC?

Yes

Go To 2

No

Perform the RESTRAINTS SYSTEM INTERMITTENT TEST. See: Restraints and Safety Systems > Initial Inspection and Diagnostic Overview > Restraint System Intermittent Condition Test.

2. CHECK PASSENGER AIRBAG SQUIB FOR SHORT TO GROUND

imageOpen In New TabZoom/Print

WARNING:
Turn the ignition off, disconnect the 12-volt battery and wait two minutes before proceeding. Failure to follow these instructions may result in possible serious or fatal injury.

1. Disconnect the Passenger Airbag Squib harness connectors.

WARNING:
Do not place an intact non-deployed airbag face down on a hard surface, the airbag propels into the air if accidentally deployed. Failure to follow these instructions may result in possible serious or fatal injury.

NOTE: Check connectors - Clean and repair as necessary.

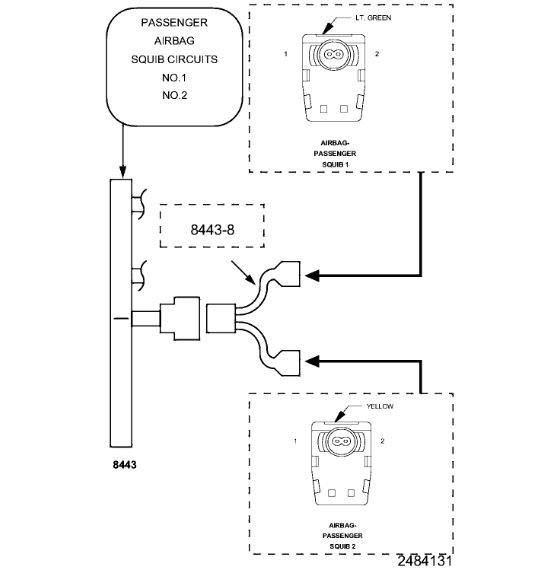
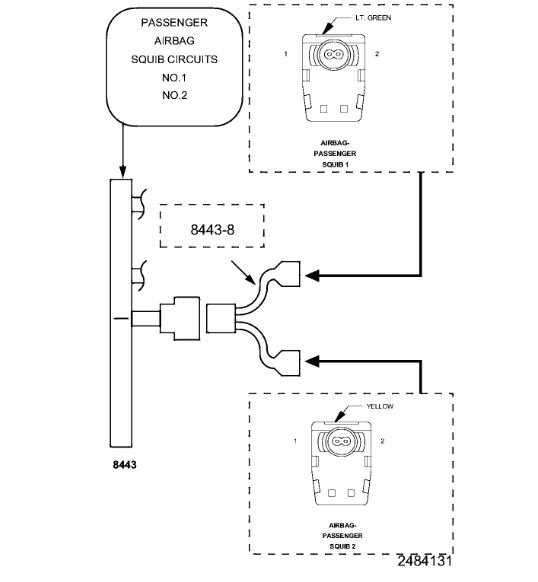
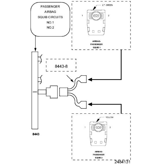
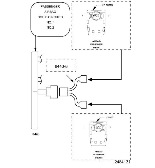
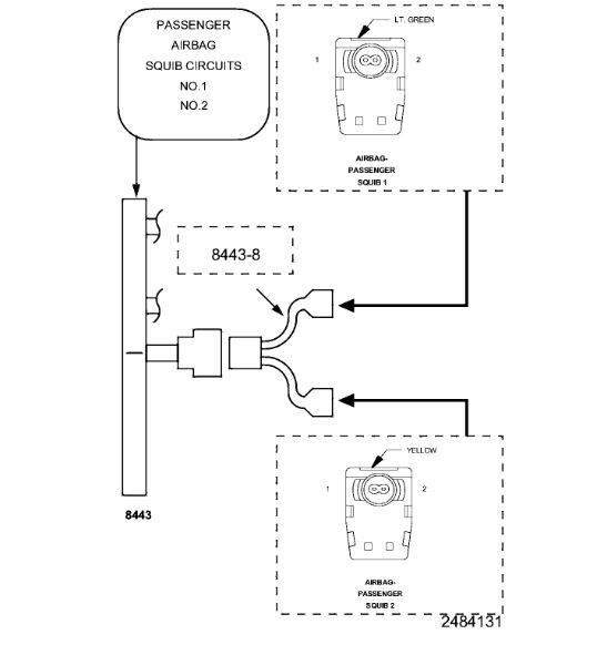
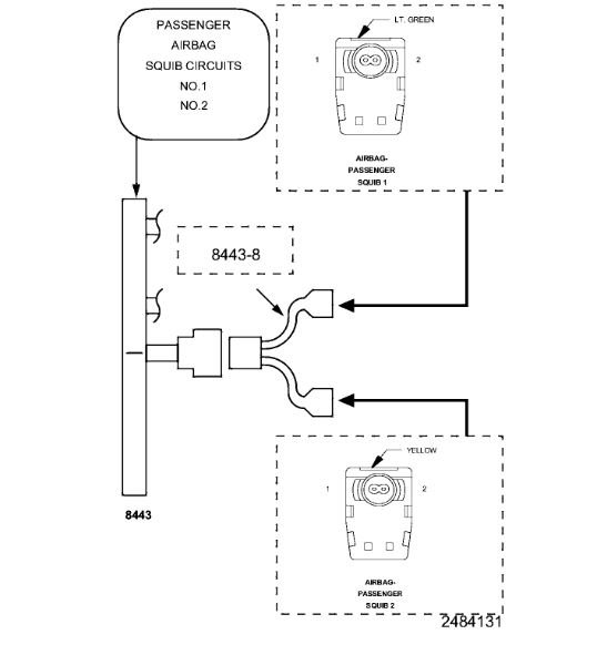
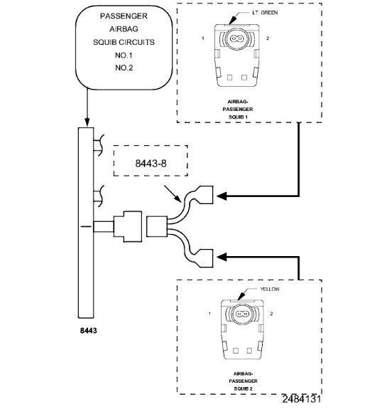
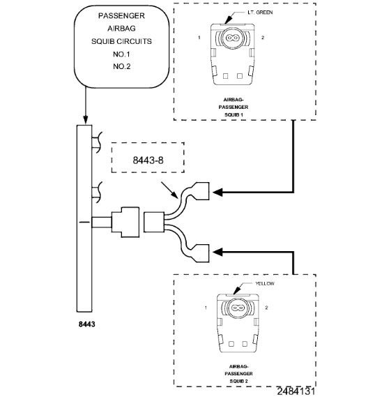
2. Connect the SRS Load Tool Kit (8443A) and SRS Load Tool Jumper (8443-8) to the Passenger Airbag Squib harness connectors.

WARNING:
Turn the ignition on, then reconnect the 12-volt battery and wait two minutes before proceeding. Failure to follow these instructions may result in possible serious or fatal injury.

3. With the scan tool, read the ORC DTCs.

Does the scan tool display active B0010-11-PASSENGER FRONTAL SQUIB 1 CONTROL - CIRCUIT SHORT TO GROUND DTC?

Yes

Go To 3

No

WARNING:
Turn the ignition off, disconnect the 12-volt battery and wait two minutes before proceeding. Failure to follow these instructions may result in possible serious or fatal injury.

Replace the Passenger Airbag.
Perform the RESTRAINTS SYSTEM VERIFICATION TEST. See: A L L Diagnostic Trouble Codes ( DTC ) > Verification Tests > Restraint System Verification Test.

3. CHECK (R42, R44) PASSENGER SQUIB 1 CIRCUITS FOR A SHORT TO GROUND

imageOpen In New TabZoom/Print

WARNING:
Turn the ignition off, disconnect the 12-volt battery and wait two minutes before proceeding. Failure to follow these instructions may result in possible serious or fatal injury.

1. Disconnect the SRS Load Tool Kit (8443A) and Jumper from the Passenger Airbag Squib harness connectors.
2. Disconnect the ORC harness connectors.

NOTE: Check connectors - Clean and repair as necessary.

3. Connect the SRS Load Tool Adapter (8443-57) to the ORC C1 harness connector.
4. Measure the resistance of the (R42) Passenger Squib 1 Line 2 circuit between the Passenger Airbag Squib 1 harness connector cavity 4 and ground.
5. Measure the resistance of the (R44) Passenger Squib 1 Line 1 circuit between and the Passenger Airbag Squib 1 harness connector cavity 3 and ground.

Is the resistance below 10K Ohms for either measurement?

Yes

Repair the (R42, R44) Passenger Squib 1 circuits for a short to ground.
Perform the RESTRAINTS SYSTEM VERIFICATION TEST. See: A L L Diagnostic Trouble Codes ( DTC ) > Verification Tests > Restraint System Verification Test.

No

WARNING:
If the Occupant Restraint Controller (ORC) is dropped at any time, it must be replaced. Failure to follow these instructions may result in possible serious or fatal injury.

Replace the ORC module. See: Air Bag Control Module > Removal and Replacement
Perform the RESTRAINTS SYSTEM VERIFICATION TEST. See: A L L Diagnostic Trouble Codes ( DTC ) > Verification Tests > Restraint System Verification Test.
Was this
answer
helpful?
Yes
No
+1
Monday, January 13th, 2020 AT 12:56 PM
Tiny
RJBOUGHTON
  • MEMBER
  • 3 POSTS
Thank you for the info. It was very helpful in solving the problem I had. Long story short version, we don’t have access to the SRS load tool kit, which we didn’t need. Some times you just have to take a couple of steps backwards to look at things and start over from the beginning, checking connections, a little air to clean the connectors on the air bag and wiring harness seems to have solved the problem.

Thank you again for the assistance.

Robert Boughton
Was this
answer
helpful?
Yes
No
Thursday, January 16th, 2020 AT 10:15 AM

Please login or register to post a reply.