Saturday, August 14th, 2021 AT 11:00 PM
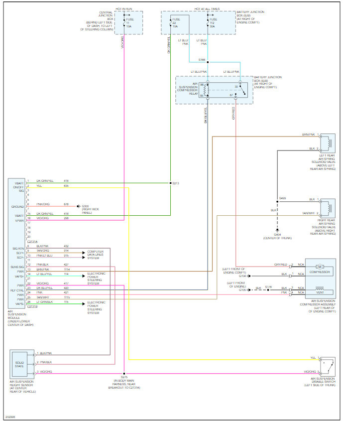
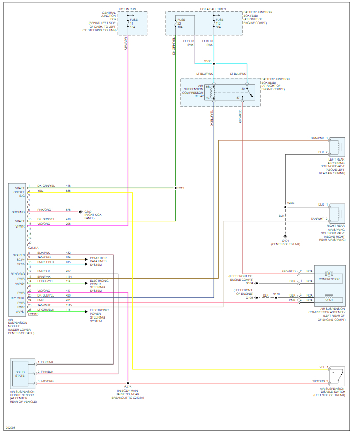
I've been having problems where my car randomly lowers at random times it seems, when the key is off as if the compressor doesn't go off. After a few weeks of it doing this I fired up the car and there was no power steering and no compressor, I've looked at some forums but can't find anything about it. Are these two linked? And if so are what would it be?









