Saturday, June 17th, 2017 AT 6:03 PM
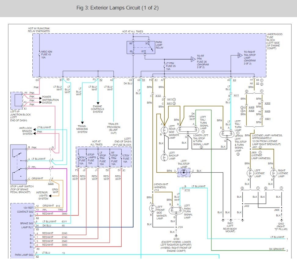
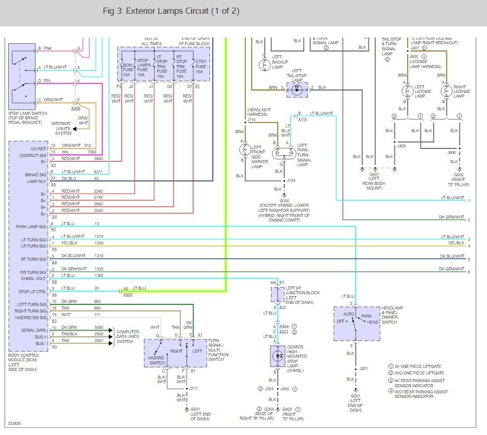
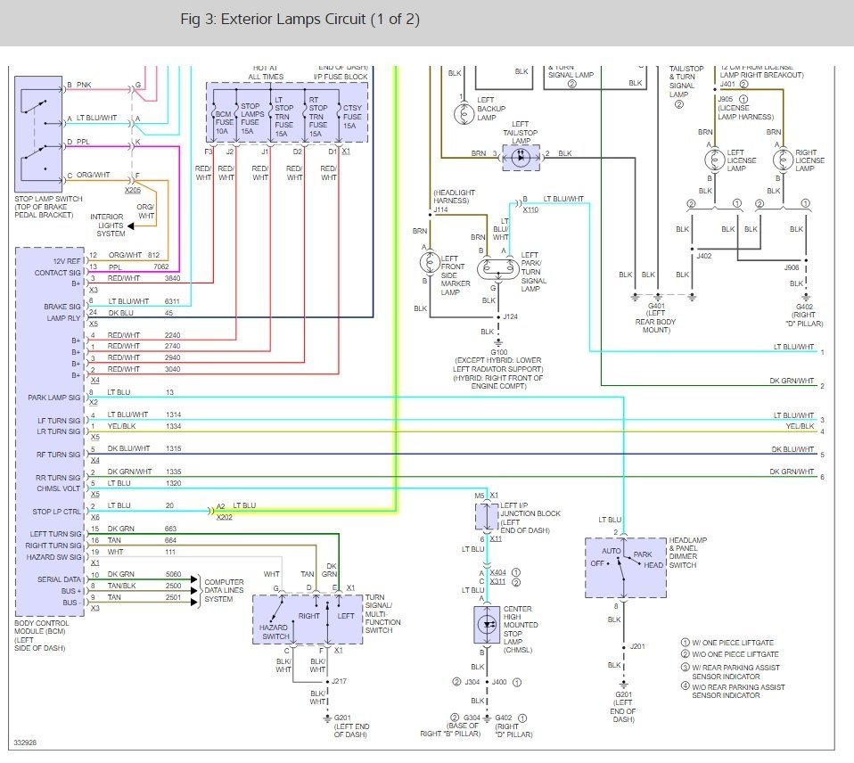
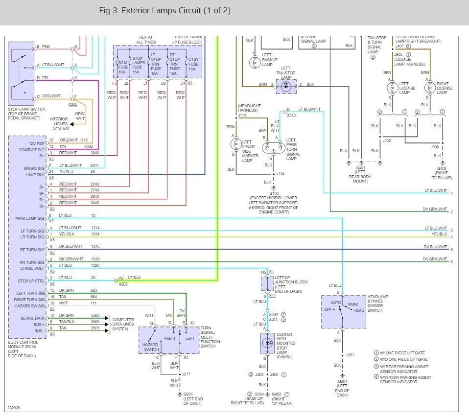
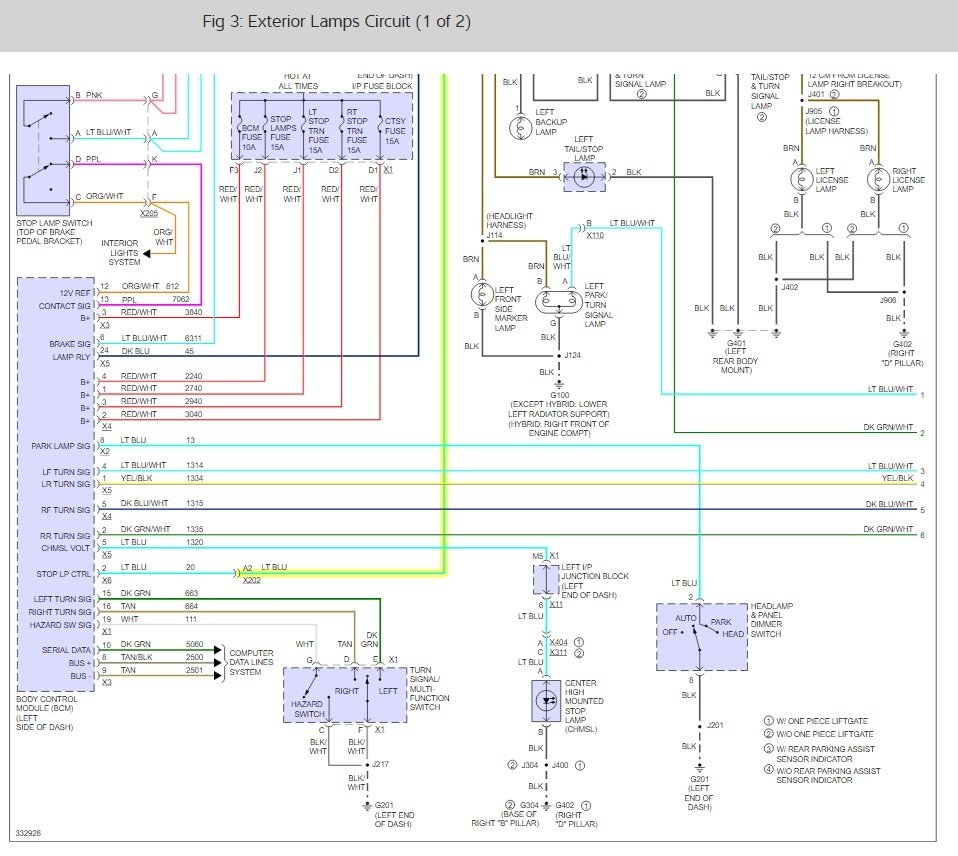
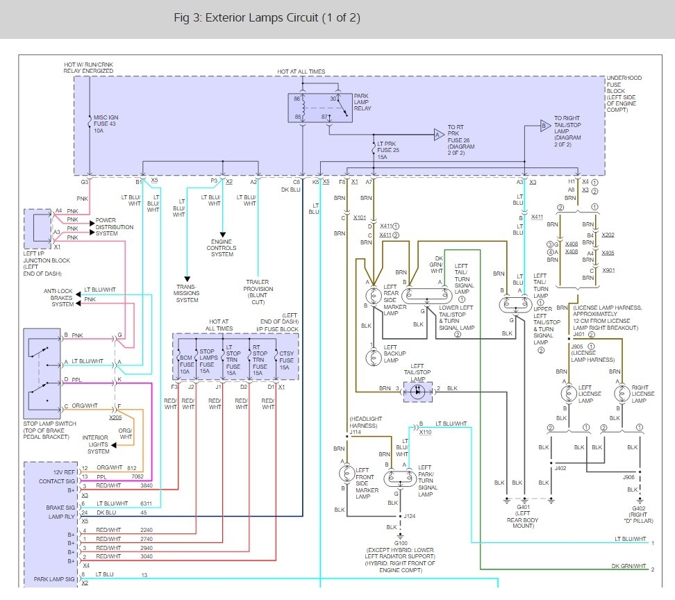
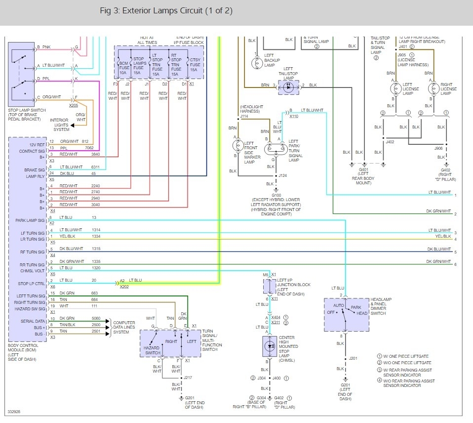
I have a XL Denali. I just bought this vehicle and it does not have an integrated brake controller so I bought an after market trailer brake controller and installed it on the vehicle. The vehicle did come pre-wired for a brake controller so the wires were already under the dashboard. I hooked it up and everything works great except the wire from the vehicle that is suppose to be for the brake switch is wired hot meaning there is power to it all the time and the brakes on the trailer are fully applied. This wire is only suppose to get power through the brake switch when the brake pedal is applied. Anybody ever heard of this before?




