Will not start after someone stole and tore out market stereo system

Tiny
VONDA MCARTHUR
  • MEMBER
  • 1996 TOYOTA AVALON
  • 2WD
  • AUTOMATIC
  • 110,000 MILES
I had an aftermarket sound system put in, everything was great, then had fuel injectors sticking had to replace them and while parked someone broke into car torn out sound system with speakers and broke trunk latch. Now the car won't start no matter what is done. How do I get it to start? Put another stereo system in it, aftermarket or original? Help
Sunday, December 19th, 2021 AT 11:11 PM

4 Replies

Tiny
KASEKENNY
  • MECHANIC
  • 18,907 POSTS
How did they break into the vehicle? More than likely there is an issue with the theft system and the vehicle thinks it was going to be stolen and so it disabled the ignition.

Is the ignition switch tampered with at all? I suspect they broke in and tried to steal the vehicle and when they couldn't they just took the radio.

https://www.2carpros.com/articles/how-to-reset-a-security-system

If the theft system is active, then you will not be able to start the vehicle until it is turned off.

I would suggest just checking for codes and see if there is anything that will point us in the correct direction.

https://www.2carpros.com/articles/checking-a-service-engine-soon-or-check-engine-light-on-or-flashing

Please run through this and let us know what you find with this.

Thanks
Was this
answer
helpful?
Yes
No
Monday, December 20th, 2021 AT 5:24 PM
Tiny
VONDA MCARTHUR
  • MEMBER
  • 3 POSTS
No, the ignition was not messed with, they just wanted the after-market sound system and speakers and the ob2 won't communicate with it, and the mill light doesn't come on. The bulbs have been checked and they are good.
Was this
answer
helpful?
Yes
No
Tuesday, December 21st, 2021 AT 2:08 PM
Tiny
VONDA MCARTHUR
  • MEMBER
  • 3 POSTS
Replaced the crank sensor checked all the sensors and dash bulbs and ob2 still can't communicate with system.
Was this
answer
helpful?
Yes
No
Tuesday, December 21st, 2021 AT 2:10 PM
Tiny
KASEKENNY
  • MECHANIC
  • 18,907 POSTS
Okay. That is important information and good to know so thanks for telling me. If there is any other info that you have that may be related, then please include that as well.

If the scan tool cannot communicate with the vehicle and the check engine light does not illuminate and then goes off when the key is turned to the on position, then the PCM is not able to communicate with the rest of the vehicle.

This is normally due to the PCM failing but if someone was in the vehicle to steal it, there is no telling what else was damaged.

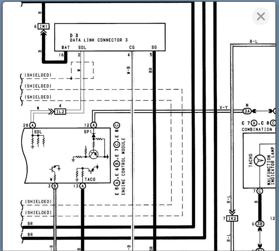
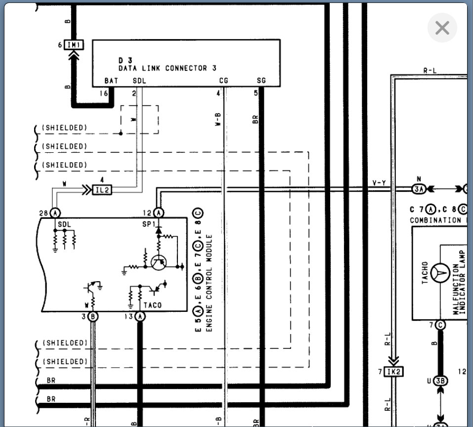
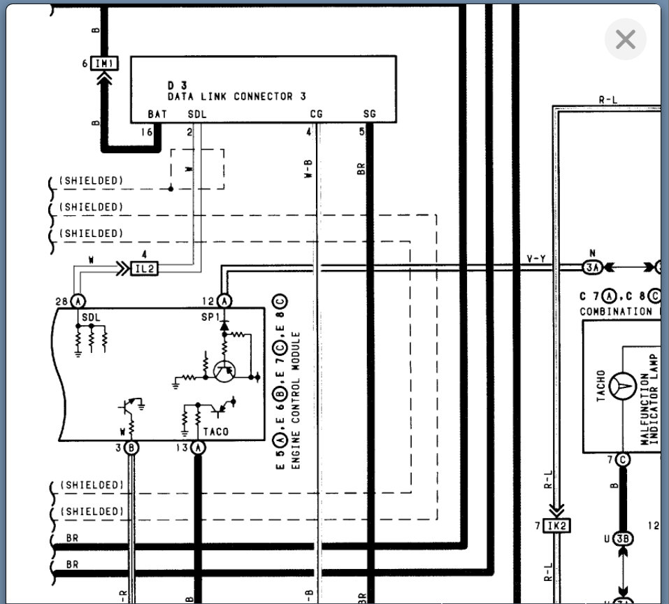
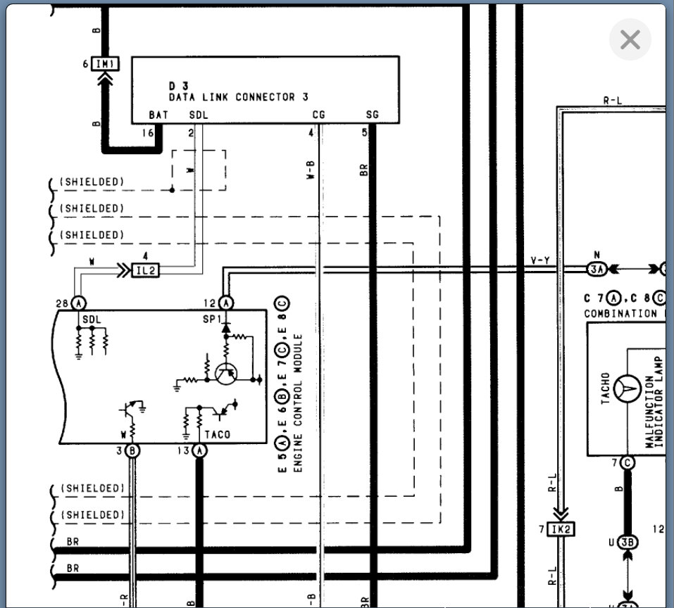
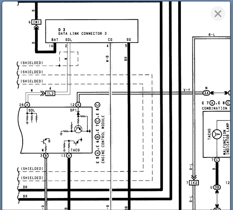
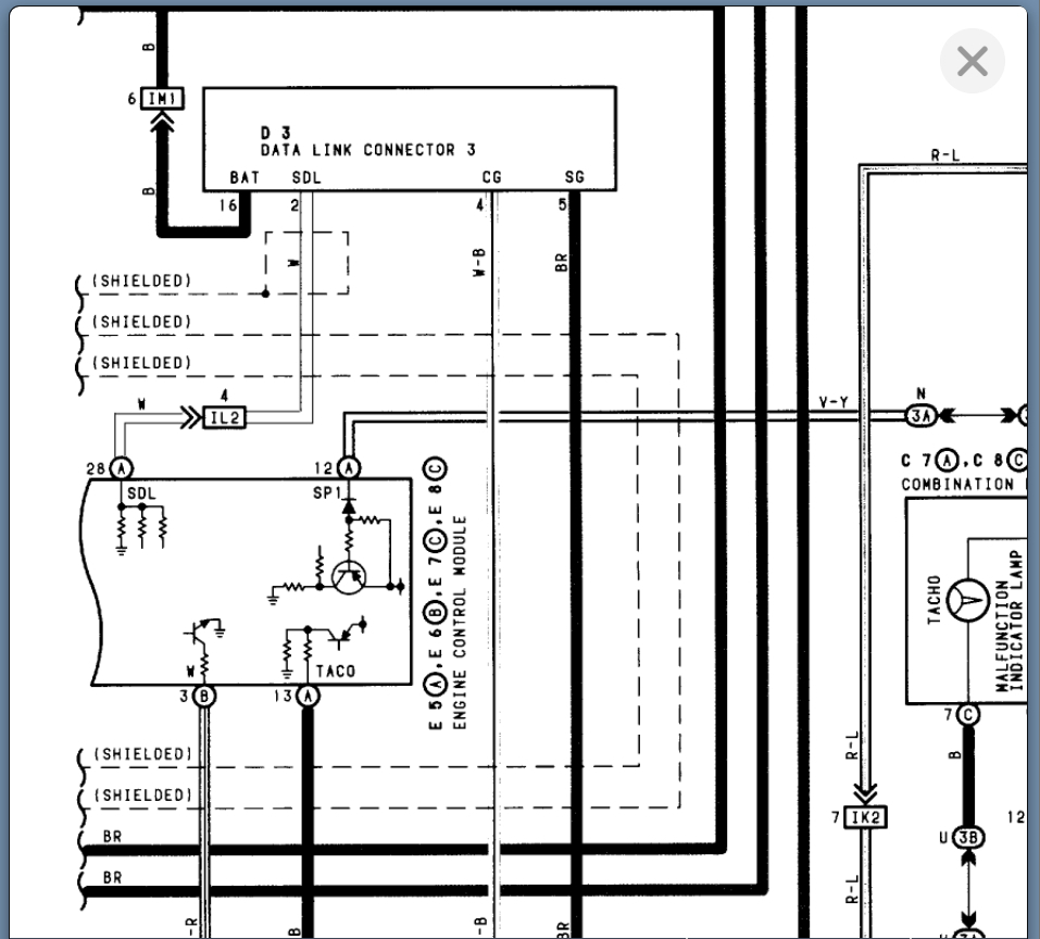
Basically, we need to check the wiring to the ECM by checking continuity from the DLC to the ECM connector. Here is a guide that will tell you how to do this. We are checking the resistance which should be less than a half ohm.

https://www.2carpros.com/articles/how-to-use-a-voltmeter

The wiring diagram is below. If the wiring is okay, then the ECM is likely the issue assuming there is not a scan tool issue. However, the fact that the light does not come on to show the initialization test passes is a sign of an ECM issue.
Was this
answer
helpful?
Yes
No
Tuesday, December 21st, 2021 AT 4:32 PM

Please login or register to post a reply.