Having trouble with programming ABS module and steering angle sensor

Tiny
VICTORY76
  • MEMBER
  • 2015 HONDA CIVIC
  • 2.4L
  • 4 CYL
  • 2WD
  • MANUAL
  • 70 MILES
Some mechanic cut off the wiring to the ABS module and replaced it with another. I am having problems trying to program ABS module and steering angle sensor. I can read with my scanner but never can get it done. Sent command I got a message saying procedure fails.
Car listed above is an SI model.
Thursday, February 10th, 2022 AT 8:36 AM

16 Replies

Tiny
KASEKENNY
  • MECHANIC
  • 18,907 POSTS
This is failing due to a response during the process that it doesn't like.

I suspect this is going to be related to the wiring repair that was made.

When you say they used a different connector, I assume you mean a connector from a different vehicle, but is it the correct connector for this vehicle?

The issue we may have been if he crossed wires or used a connector off a differently equipped vehicle.

So, at this point, we need to start with checking for codes and see if we have any ABS related codes.

https://www.2carpros.com/articles/checking-a-service-engine-soon-or-check-engine-light-on-or-flashing

Just make sure your scan tool pulls ABS codes, but it can communicate with the ABS to run this process then I am sure it can.

Also, if you have codes then the process will fail until they are gone so let's start with this and go from there. Thanks
Was this
answer
helpful?
Yes
No
Friday, February 11th, 2022 AT 9:22 AM
Tiny
VICTORY76
  • MEMBER
  • 27 POSTS
I'm so sorry I forgot to mention that the owner of the car bought a brand-new master wiring harness from the Honda dealer after they provided full vehicle information. So, it is the right one, but the other mechanic just cut off the section needed to hook up to the new ABS pump with new ABS module (the CAN-BUS) wires can be cut and crimped? Or twisted to connect to the new connector?
Thanks for your fine attention and help.
Was this
answer
helpful?
Yes
No
Friday, February 11th, 2022 AT 12:46 PM
Tiny
KASEKENNY
  • MECHANIC
  • 18,907 POSTS
Oh. I understand but can you get a picture of this?

You can replace a connector that includes CAN wires, but you can screw it up pretty easily.

If he used wire connectors and didn't solder them and heat shrink them then that very well could be the issue causing your initialization to fail.

I would suggest cutting these connectors out and solder them correctly just to be sure it is not an issue.

Here is a video that will show how to do this. I understand this is a headlight socket, but the wiring repair is the same.

https://www.youtube.com/watch?v=PxA5wczsCVo

As for the twisted CAN wires, they should be twisted but this is not solely the issue. They twist the wires because when you twist two wires together it reduces the chance of interference which will cause these network wires to have incorrect voltage. At this point that will cause issues with different modules because that is voltage dependent.

Let's start with a picture of what this looks like so I can be sure to be on the same page and we can go from there.
Was this
answer
helpful?
Yes
No
+1
Friday, February 11th, 2022 AT 2:01 PM
Tiny
VICTORY76
  • MEMBER
  • 27 POSTS
Thanks so much, I will cut out those wires and solder as need also going to use heat sleeves.
Was this
answer
helpful?
Yes
No
Friday, February 11th, 2022 AT 5:27 PM
Tiny
KASEKENNY
  • MECHANIC
  • 18,907 POSTS
Sounds great. Thanks for the update. Let us know what happens but I suspect after you do that you may have better success.

However, as you are doing it, just make sure each wire appears to line up correctly.

Also, if this does not allow it to pass then check for codes and make sure we don't have any,

Let us know what happens and we can go from there.
Was this
answer
helpful?
Yes
No
+1
Saturday, February 12th, 2022 AT 7:25 PM
Tiny
VICTORY76
  • MEMBER
  • 27 POSTS
Well, after many years fighting and just getting thought people around. Finally, I found loved people like to help God bless all people like you deep from my heart.
Victor
Was this
answer
helpful?
Yes
No
Sunday, February 13th, 2022 AT 10:18 AM
Tiny
KASEKENNY
  • MECHANIC
  • 18,907 POSTS
Very kind but hopefully your search is over. We are all here to help and will do our best to work through issues with you.

Thank you and God Bless you as well.
Was this
answer
helpful?
Yes
No
+1
Sunday, February 13th, 2022 AT 1:48 PM
Tiny
VICTORY76
  • MEMBER
  • 27 POSTS
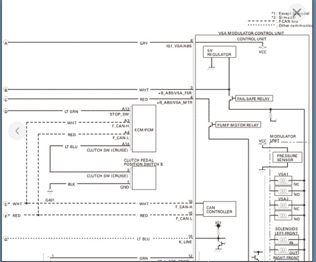
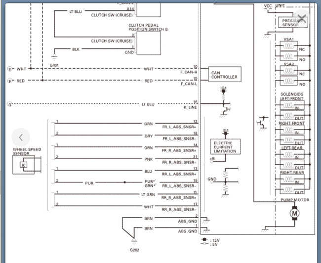
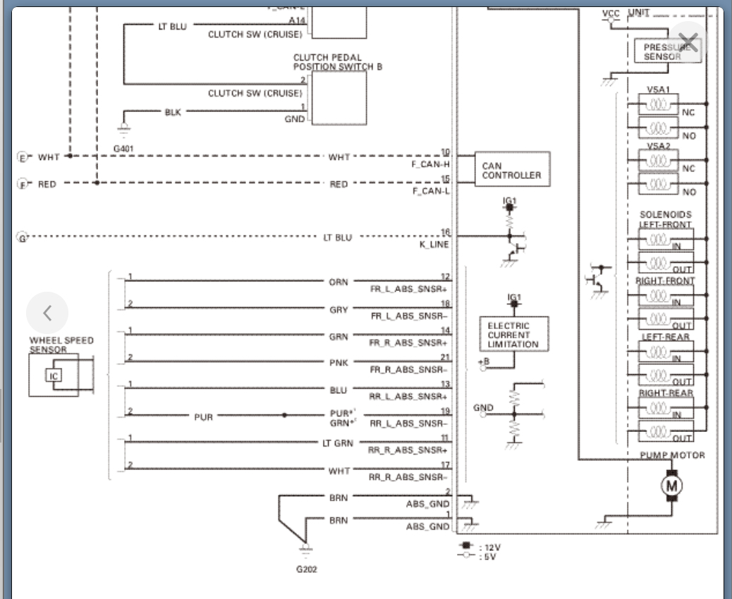
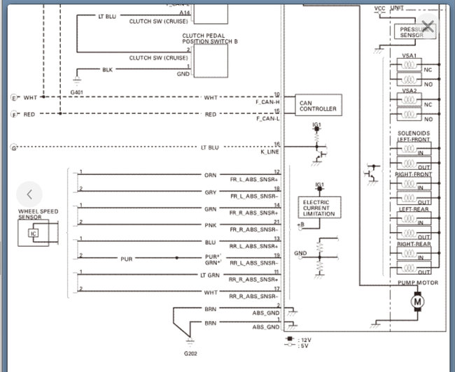
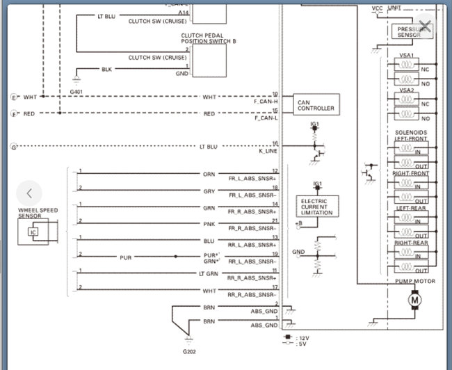
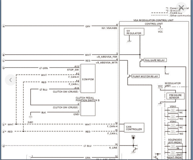
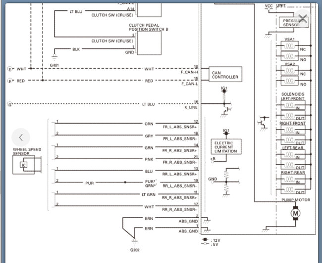
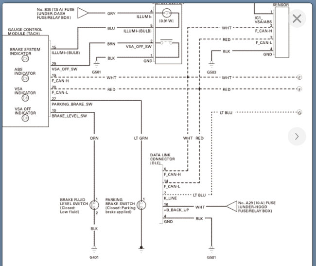
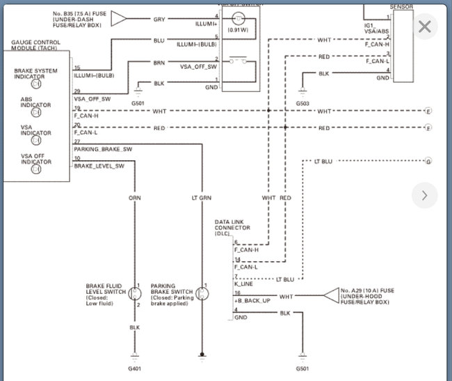
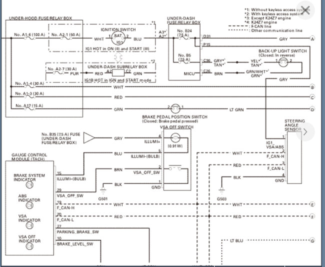
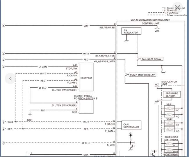
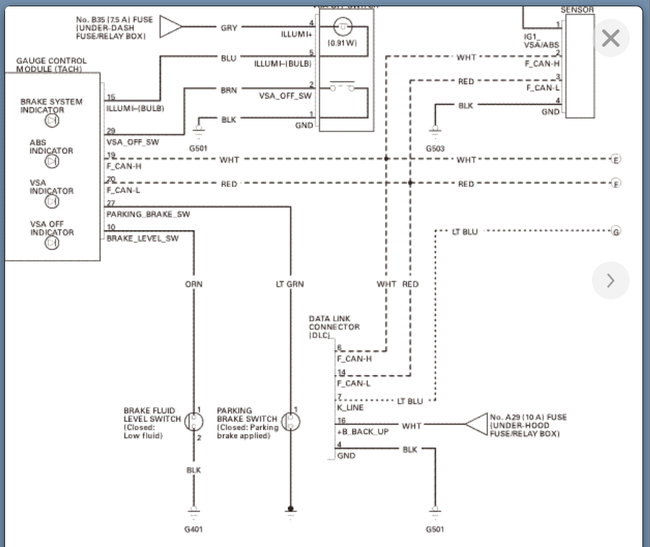
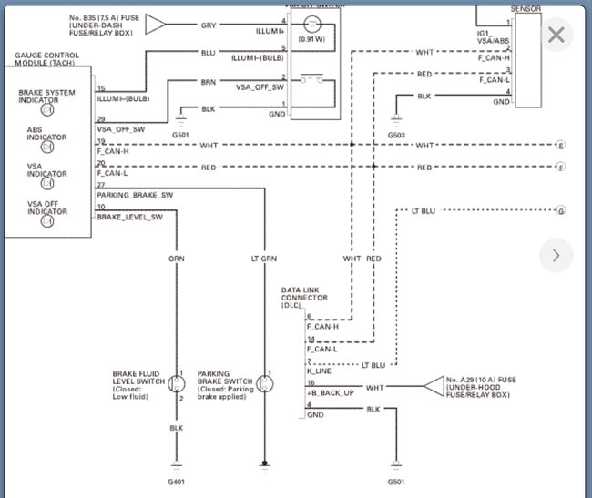
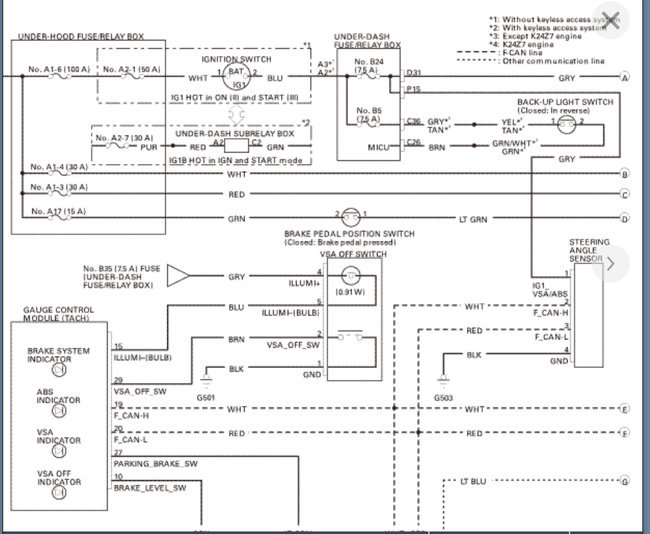
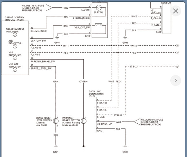
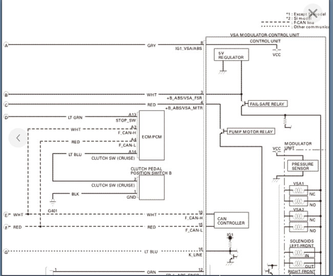
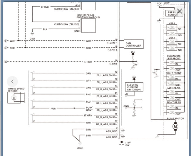
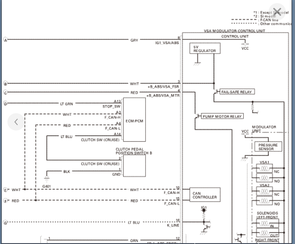
Hello there, I'm back I start fixing the wiring as necessary here I want to share some pics there are no numbers on the wires, and I am not sure if there we have crossed wires due to the color are same two brown and two green? I'm not sure if you can help me with the electric diagram, I'm good at reading those diagrams.

Victor
Was this
answer
helpful?
Yes
No
Monday, February 21st, 2022 AT 4:40 PM
Tiny
KASEKENNY
  • MECHANIC
  • 18,907 POSTS
That is the ABS connector? If so, then the only way to know is to trace the wire to find out where it goes into the ABS and then that will tell us what terminal it is in. Then we can go to that component and disconnect it and check continuity from that pin to the other end and that will tell us if it is wired correctly.

The brown wires may be ground so if that is the case then it doesn't matter if they are backwards. However, the green could be a wheel speed or the stop switch.

Did we ever check for codes? If you have some circuit codes, then that will tell us where to start.
Was this
answer
helpful?
Yes
No
+1
Monday, February 21st, 2022 AT 7:25 PM
Tiny
VICTORY76
  • MEMBER
  • 27 POSTS
Thanks so much, I can't find a way to say how much you have helped me. Thank you, God bless you.
Victor
Was this
answer
helpful?
Yes
No
Tuesday, February 22nd, 2022 AT 7:40 AM
Tiny
KASEKENNY
  • MECHANIC
  • 18,907 POSTS
You just said it. :)

Thanks for the kind words.

Let us know how we can help in the future.
Was this
answer
helpful?
Yes
No
Wednesday, February 23rd, 2022 AT 5:25 AM
Tiny
VICTORY76
  • MEMBER
  • 27 POSTS
Sure, I will let you know after I finish soldering checking the wiring, and running a health scan test have a great day.
Thanks, Victor
Was this
answer
helpful?
Yes
No
Wednesday, February 23rd, 2022 AT 6:18 AM
Tiny
VICTORY76
  • MEMBER
  • 27 POSTS
Hello Kenny K,

I'm back now after my computer deletes all our conversations finally can fix that.
Well, I finished soldering all wires and found out two were wrong but still getting the VSA and TPMS warning lights on the TPMS I can reset using the steering tool but immediately came back. I am not sure if the wiring harness that was used after the accident and someone cut out and reconnected the ABS are the same the one came with the vehicle have the number RXA-32110-RX0-A003-A and the new one 32200-TR7-A024. I called the dealership but for me, they are not giving the right one. Thanks for your time and attention regarding this mess.
Victor
Was this
answer
helpful?
Yes
No
Tuesday, March 8th, 2022 AT 1:19 PM
Tiny
KASEKENNY
  • MECHANIC
  • 18,907 POSTS
Looks like this number 32200-TR7-A024I is a replacement for a 4 door SI with a 2.4L manual transmission.

Is your vehicle a 4 door SI?

If not, then that may help explain what is happening. They may have just found this harness out of another vehicle, and they tried to make it work.

I scanned through this and didn't find any mention of any codes. I think it was because you couldn't communicate with the ABS? Are you still not getting any codes?
Was this
answer
helpful?
Yes
No
+1
Tuesday, March 8th, 2022 AT 5:43 PM
Tiny
VICTORY76
  • MEMBER
  • 27 POSTS
Yes, found a lot of codes.
Was this
answer
helpful?
Yes
No
Wednesday, March 9th, 2022 AT 1:58 PM
Tiny
KASEKENNY
  • MECHANIC
  • 18,907 POSTS
Okay. Can you just get some pictures of the scan tool with all the codes and that will really help shed some light on this? At least it will give us some testing to run through to find the issue. Thanks
Was this
answer
helpful?
Yes
No
Wednesday, March 9th, 2022 AT 2:31 PM

Please login or register to post a reply.