Thursday, October 25th, 2007 AT 7:02 PM
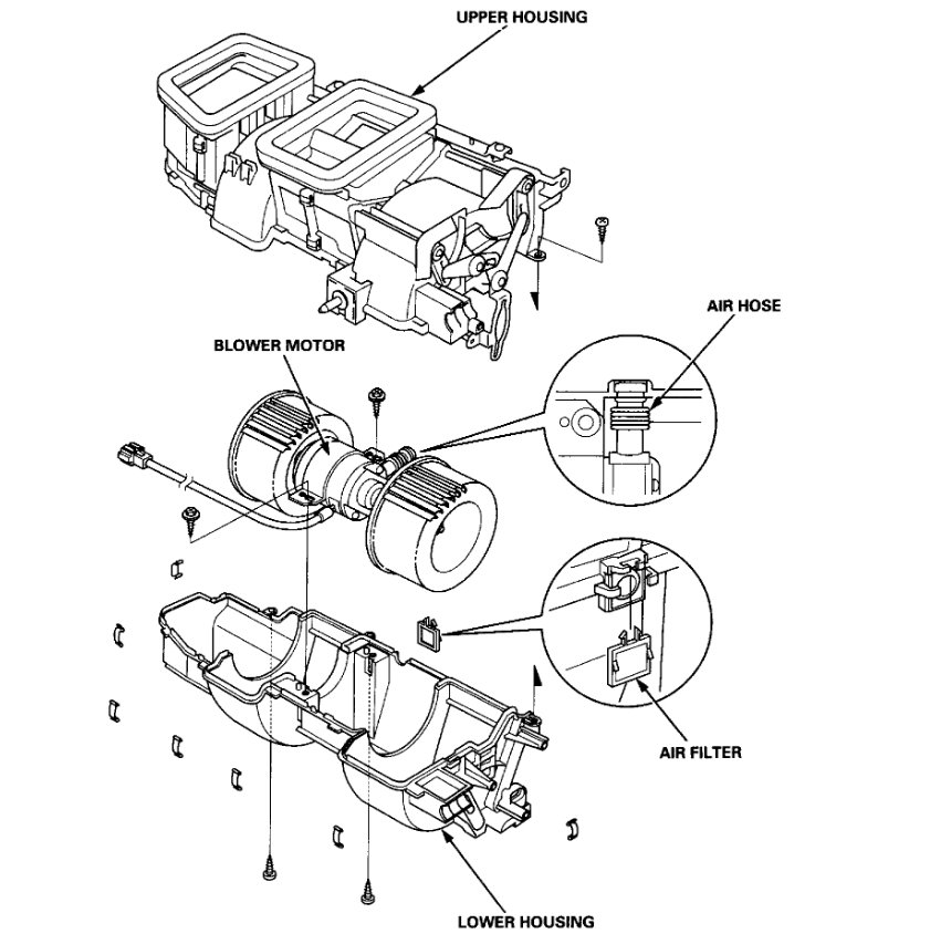
I was trying to replace my blower motor in my 96 acura 2.5 tl. I have a chilton manual for my car and it doesn't say anything about having to remove the dashboard. I cannot see the motor so I don't understand where it is and what I have to do to remove it. I really need help, thank you.







