HOME
ASK A QUESTION
REPAIR GUIDES
BECOME A MEMBER
LOG IN
Login with Facebook
OR
Remember me
NOT A MEMBER?
FORGOT PASSWORD?
CONTACT US
PRIVACY POLICY
TERMS AND CONDITIONS
☰
Home
Acura
TL
Climate Control
Blower Fan
Replace/Remove
How to replace heater fan motor
BRANDONC123
MEMBER
1996 ACURA TL
160,000 MILES
96 acura tl 2.5L heater fan motor replacement
Monday, September 17th, 2012 AT 11:39 PM
2 Replies
IMPALASS
MECHANIC
3,112 POSTS
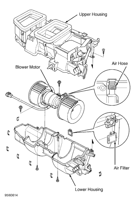
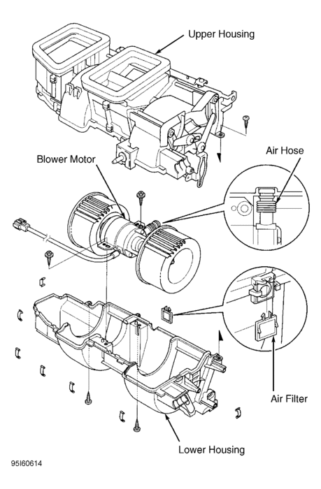
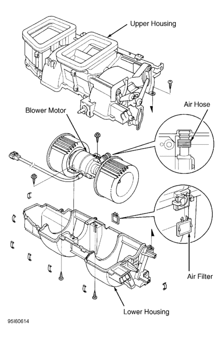
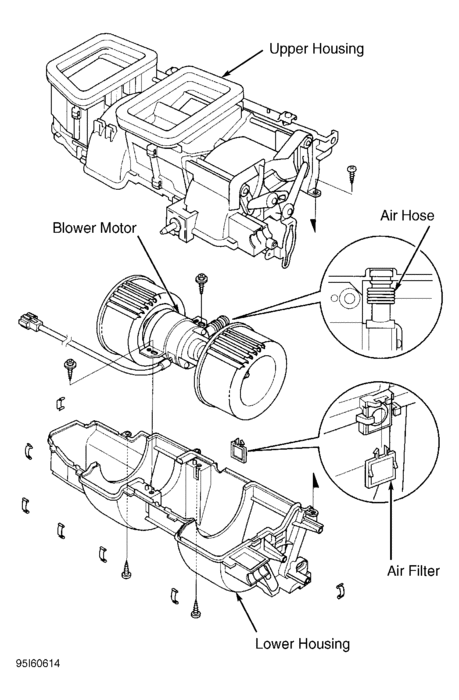
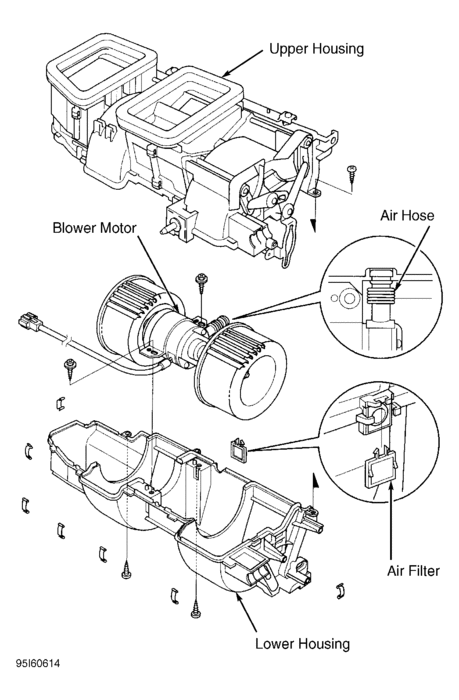
Here you go - hope this helps
Images (Click to make bigger)
Was this
answer
helpful?
Yes
No
-1
Monday, May 10th, 2021 AT 10:37 AM
KHLOW2008
MECHANIC
41,814 POSTS
This entails discharging and recharging the A/C freon and evaporator removal so I hope you understand what you are getting into before you start with the work.
Was this
answer
helpful?
Yes
No
+1
Monday, May 10th, 2021 AT 10:37 AM
Please
login
or
register
to post a reply.
Related Blower Fan Replace/Remove Content
I Was Trying To Replace My Blower Motor In My 96 Acura...
I Was Trying To Replace My Blower Motor In My 96 Acura 2.5 Tl. I Have A Chilton Manual For My Car And It Doesn't Say Anything About...
Asked by
akuraowna
·
1 ANSWER
5 IMAGES
1996
ACURA TL
VIDEO
How to Replace the A/C Blower Motor
Instructional repair video
I Need To Remove The Whole Dash To Replace My Blower...
Do I Need To Remove The Whole Dash To Replace My Blower Motor Or Is There Another Way Around It
Asked by
Anonymous
·
1 ANSWER
1 IMAGE
1996
ACURA TL
Replace The Blower Motor Where Is It?
I Need To Replace The Blower Motor Where Is It?
Asked by
angela324
·
1 ANSWER
2002
ACURA TL
My Heater Motor Has Quit Working
My Heater Motor Has Quit Working, Before It Stopped I Could Here The Fan Turn But It Also Made A Noise Like It Was Loose, I've Had Fan...
Asked by
14471447
·
1 ANSWER
10 IMAGES
1998
ACURA TL
1996 Acura Tl Blower Works Sometimes
Heater Problem 1996 Acura Tl Front Wheel Drive Automatic 176000 Miles I Have The 96 Acura Tl 2.5 With 5 Cyl Engine. The Heater/ac...
Asked by
grahampham
·
2 ANSWERS
1996
ACURA TL
VIEW MORE
Ask a Car Question. It's Free!
How to Use a Test Light
Heater Hose Replacement Chevrolet Camaro
Air Conditioner Recharge - Simple