fuse box diagram Is there a separate fuse for the lighter?

1998 ACURA RL
Avatar
ATIFAGHA
  • MEMBER
  • 1 POST
I don't know whats wrong with it. It simply does not work. It uses to be very flaky, sometimes it would work and then sometimes it wont, then I thought it was the prongs inside and I tried to pull them out a little bit. Since then it does not work at all. I could have shortened it. Is there a separate fuse for the lighter, I saw something about relay, Suggest something please.
Jun 3, 2008 at 8:12 AM
Advertisement
Avatar
RASMATAZ
  • CAR REPAIR CONTRIBUTOR
  • 75,992 POSTS
It sounds like the lighter is no good and needs to be replaced. Check fuse no.4 Accessory 10 amp under dash fuse/relay box. lighter relay see below:


https://images.2carpros.com/forum/automotive_pictures/12900_lighter_2.jpg

Here is a guide to help test it https://www.2carpros.com/articles/how-to-check-an-electrical-relay-and-wiring-control-circuit Please run down this guide and report back (FUSE LOCATION IN POST BELOW) Cheers
Jun 3, 2008 at 8:37 AM
Advertisement
Avatar
TALKTOME290
  • MEMBER
  • 1 POST
1997 Acura RL

I have an 1997 acura rl, the radio, interier lights and cigarette lighter stopped working at the same time. Does anybody know what relay or fuse controls these things? What do I need to replace in order to fix these problems?
Feb 21, 2017 at 3:00 PM (Merged)
Avatar
DOCFIXIT
  • CAR REPAIR CONTRIBUTOR
  • 18,828 POSTS
On the 97 RL it is Fuse #57 20 Amp in underhood fuse box. I attached the info below from the manual.

Please run through this info and let us know what you find.
Feb 21, 2017 at 3:00 PM (Merged)
Avatar
KINGDCOL
  • MEMBER
  • 1 POST
Electrical problem
1996 Acura RL 6 cyl Front Wheel Drive Automatic 204000 miles
----------------------------------------------------------------
I shorted the cigarette lighter. ALL the fuses are fine, but the cig lighter does not work. I use it for cell phone, MP3 player etc. The manuals suggest to check the relay in the relay block under against the right rear of engine compartment on the firewall. Which relay is it? Then underhood relay box is not located in the spot you indicate on my 1996 Acura rl. Do you have any idea where it might be?
Feb 21, 2017 at 3:00 PM (Merged)
Avatar
STRAILER
  • CAR REPAIR CONTRIBUTOR
  • 54,255 POSTS
Hello,

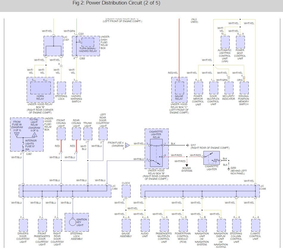
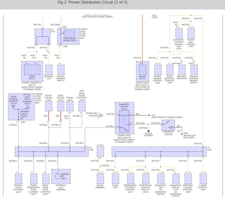
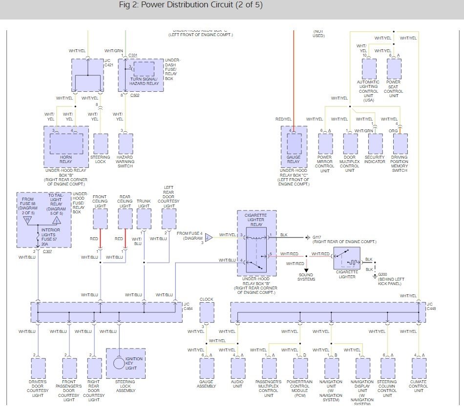
Here is a full fuse box diagram and a guide to show you how to test and replace them. The cigarette lighter has a relay under the hood. Here is some diagrams (BELOW)

https://www.2carpros.com/articles/how-to-check-a-car-fuse

and

https://www.2carpros.com/articles/how-to-check-an-electrical-relay-and-wiring-control-circuit

1 - Not Used
2 - Not Used
3 - 7.5 Amp Rear Window Defogger Relay, Cooling Fan Relay
4 - 10 Amp Radio, ACC
5 - 20 Amp A/C Clutch, Heated Seat (Premium Package U.S. And All Canada)
6 - 20 Amp ECU (PCM)
7 - 10 Amp SRS
8 - 20 Amp Driver's Power Seat
9 - Not Used
10 - 10 Amp Daytime Running Lights (Canada)
11 - 20 Amp Driver's Power Seat
12 - 7.5 Amp Daytime Running Lights (Canada)
13 - 7.5 Amp Meter
14 - 7.5 Amp Starter Signal
15 - 7.5 Amp ACG
16 - 20 Amp Bose System
17 - 20 Amp Front Left Power Window
18 - 20 Amp Front Right Power Window
19 - 7.5 Amp Mirror
20 - 20 Amp ECU (Body)
21 - 20 Amp Rear Left Power Window
22 - 20 Amp Fuel Pump
23 - 10 Amp Windshield Washer, Moonroof
24 - 20 Amp Rear Right Power Window
25 - 30 Amp Ingition Coils
26 - Not Used

Please run some tests and get back to us so we can continue helping you.

Cheers, Ken
May 16, 2017 at 3:13 PM
Repair Safety Notice: This information is for general instructional purposes only. Vehicle repair can be dangerous. Verify all information, follow manufacturer service procedures, use proper tools and safety equipment, and consult a qualified repair shop when needed.