Tuesday, February 17th, 2009 AT 9:35 AM
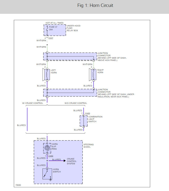
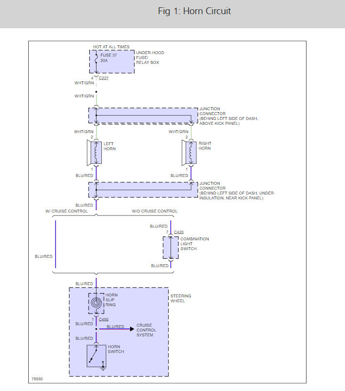
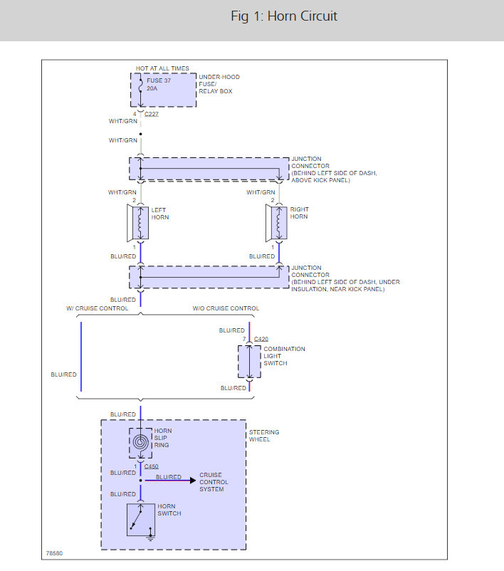
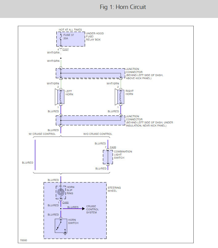
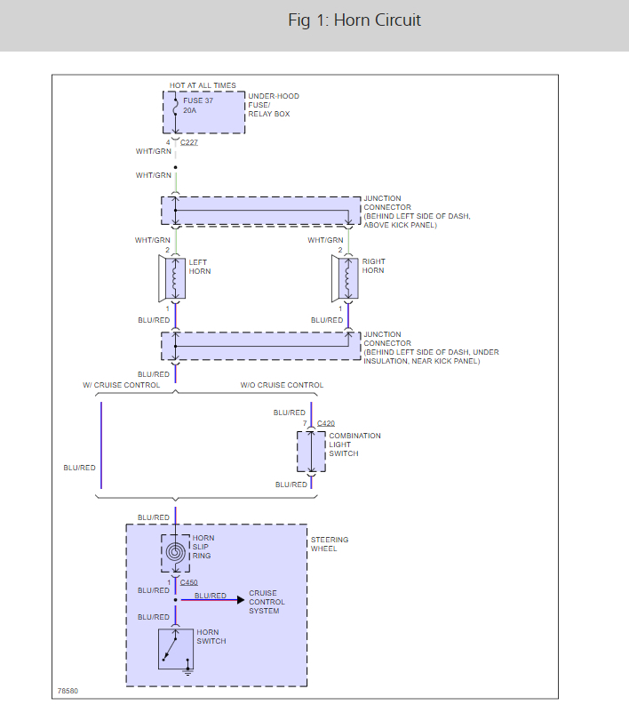
My horn stopped working. I have eliminated the steering wheel switches, relay, and fuse as the cause. I suspect either a bad connection at the horn or a bad ground at the horn or a bad horn. My problem is getting at the horn. My repair manual says to remove the bumper to service the horn. Is there an easier way to get at the horn? Also, Where is the horn? Right, left, center? This is an LS three door coupe with a 1.8 liter B18B1 engine. I really wish I could find a way to get at the horn without taking the bumper off. I take it from the responses that it's not possible to do it any other way? I already considered cutting the wire and relocating the horn but I'd prefer to keep the car as close to stock as possible.









