Actuator replaced and still will not work

Tiny
JERSEYSILVERADO11
  • MEMBER
  • 2011 CHEVROLET SILVERADO
  • 5.3L
  • 4WD
  • AUTOMATIC
  • 72,000 MILES
My truck was not blowing air from the defrost or down to your feet. It was blowing hot air out of the center vents. We took apart the dashboard and three actuators were jammed and would not turn. So we replaced them. We reinstalled the actuators, put the dashboard back together and the hot air stopped from coming into the truck and the defrost was blowing cool air, but now no air is blowing out of any of the vents. We put so many hours in researching and working on the truck that I am so discouraged. We did the manual re-calibration and still nothing. Please throw me a life line!

Thank you.

Jess
Monday, October 2nd, 2017 AT 12:39 PM

1 Reply

Tiny
KEN L
  • MASTER CERTIFIED MECHANIC
  • 55,499 POSTS
You got that thing apart!

The actuators cannot be moved by hand to see if they work. It sounds like the controller is out but to be sure lets run some tests.

Actuator Recalibration

When replacing the HVAC control module it will be necessary to allow the HVAC control module to perform a calibration process. When installing the HVAC control module be sure to perform the following:

Important: Do not adjust any controls on the HVAC control module while the HVAC control module is self-calibrating. If interrupted, improper HVAC performance will result.

Place the ignition switch to the OFF position.
Disconnect the scan tool.
Install the HVAC control module.
Connect all previously disconnected components.
Start the vehicle.
Wait 40 seconds for the HVAC control module to self-calibrate.
Verify that no DTCs have set as current DTCs.
When replacing the HVAC actuator it will be necessary to allow the HVAC control module to perform a calibration process. When installing the HVAC actuator be sure to perform one of the following:

Important: Do not adjust any controls on the HVAC control module while the HVAC control module is self-calibrating. If interrupted, improper HVAC performance will result.

Preferred Method (w/Scan Tool)
Clear all DTCs.
Place the ignition switch in the OFF position.
Install the HVAC actuator.
Connect all previously disconnected components.
Start the vehicle.
With the scan tool, initiate the Motor Re-calibration feature of the Heating and Air Conditioning Special Functions menu.
Verify that no DTCs have set as current DTCs.
Important: Do not adjust any controls on the HVAC control module while the HVAC control module is self-calibrating. If interrupted, improper HVAC performance will result.

Alternate Method (w/o Scan Tool)
Clear all DTCs.
Place the ignition switch to the OFF position.
Install the HVAC actuator.
Connect all previously disconnected components.
Remove the HVAC/ECAS fuse for a minimum of 10 seconds.
Install the HVAC/ECAS fuse.
Start the vehicle.
Wait 40 seconds for the HVAC control module to self-calibrate.
Verify that no DTCs have set as current DTCs.

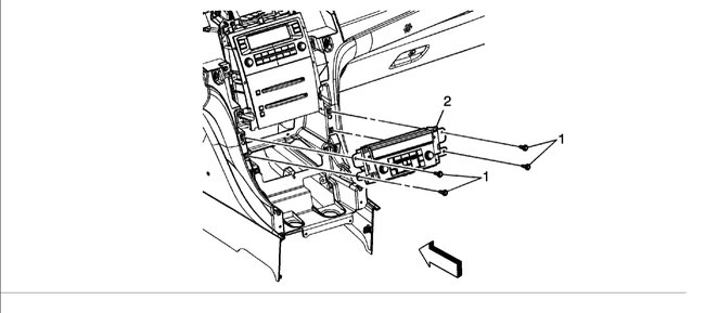
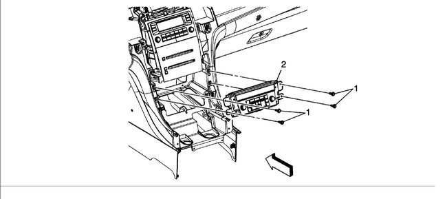
Here is a guide for the blend door actuators:

https://www.2carpros.com/articles/replace-blend-door-motor

Do you have any lights or codes coming up on the climate controller?

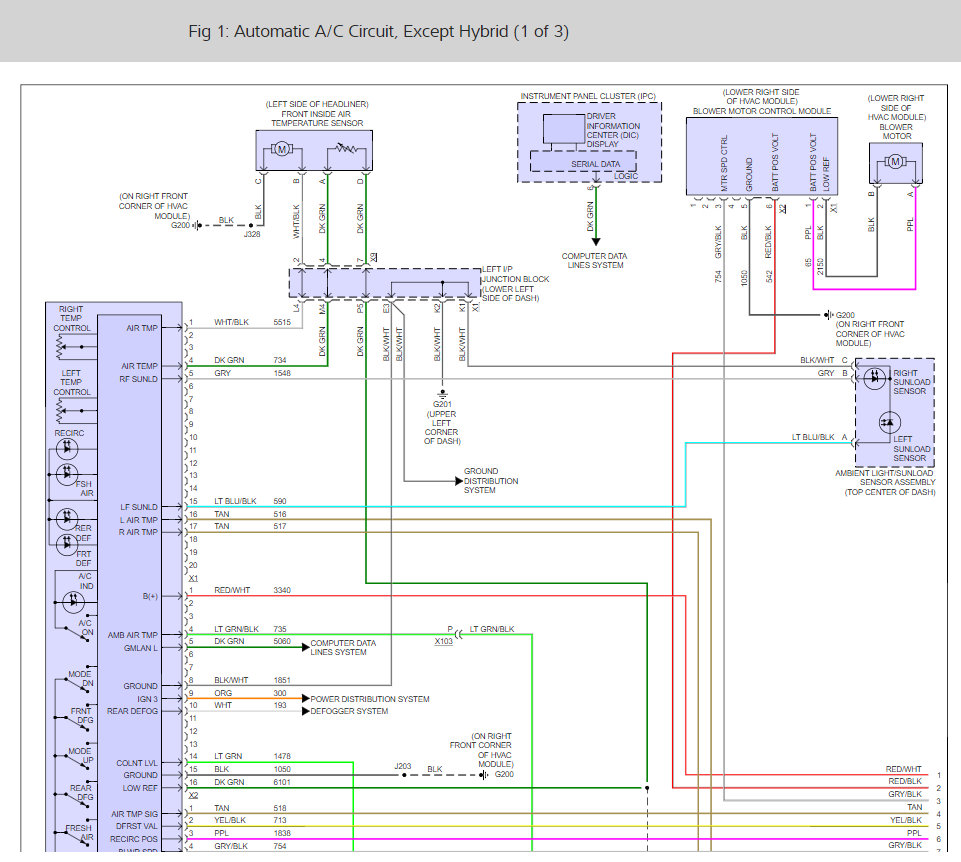
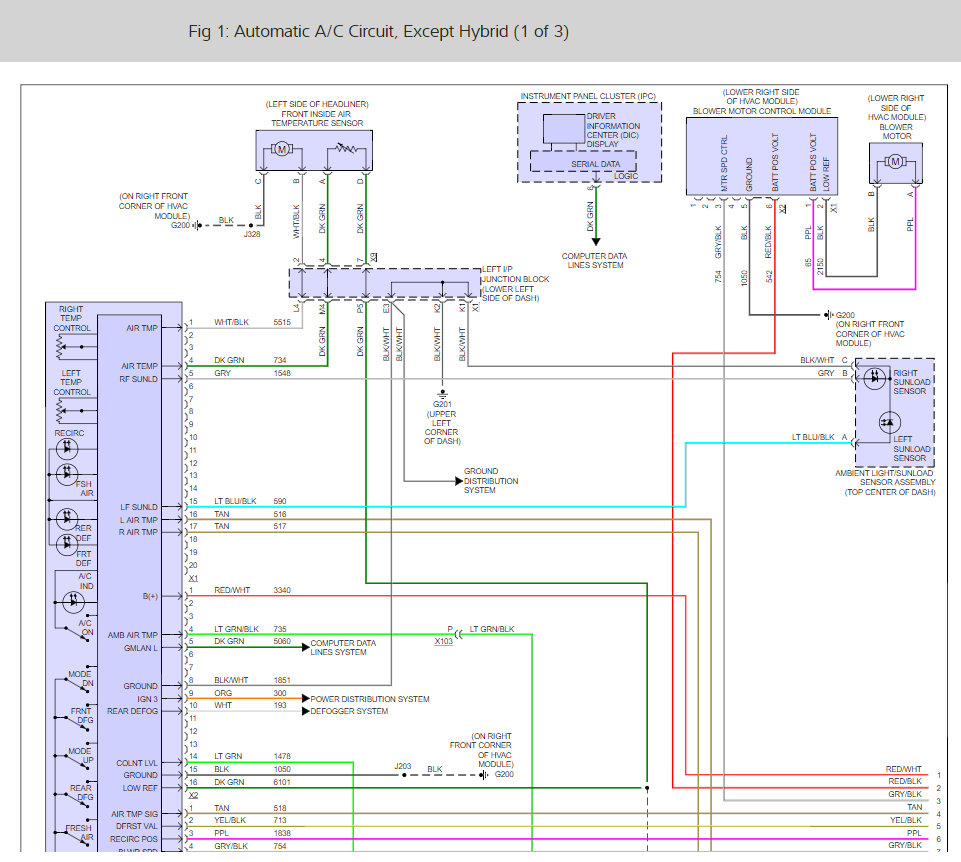
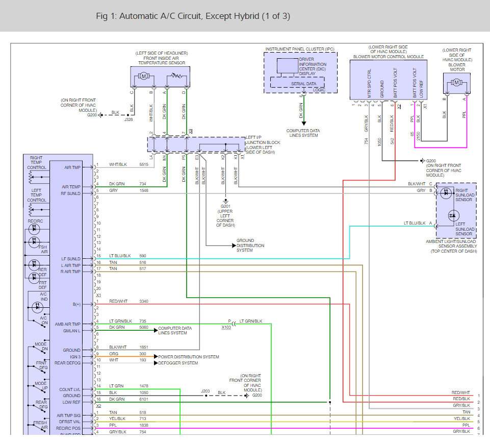
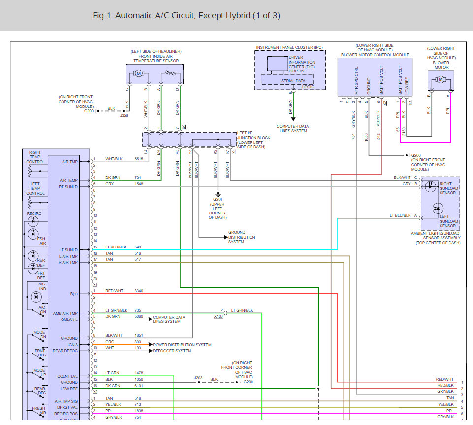
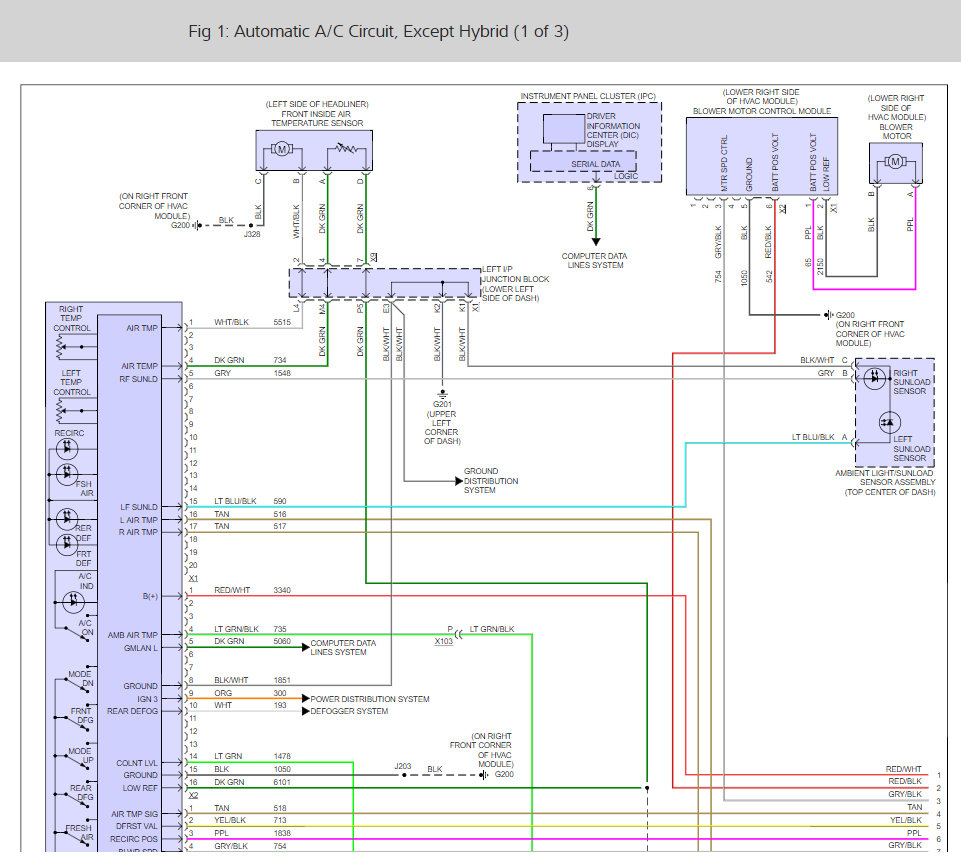
These are all of the diagnostic diagrams I could find check them out and do some testing (below).

https://www.2carpros.com/articles/how-to-check-wiring

Please let us know what you find.

Cheers, Ken
Was this
answer
helpful?
Yes
No
+2
Tuesday, October 3rd, 2017 AT 11:57 AM

Please login or register to post a reply.