A/C wiring diagrams please?

Tiny
BRAD GOODMAN
  • MEMBER
  • 2010 GMC ACADIA
  • 150,000 MILES
When I push the button to turn on front AC the light that should come on blinks three times and goes off. The heat still comes out of vents AC will not turn on. AC works in the back controls.
Friday, January 26th, 2018 AT 2:49 PM

1 Reply

Tiny
ASEMASTER6371
  • MECHANIC
  • 52,796 POSTS
Do you have any gauges to check and see if there is any Freon in the AC system? the flashing lights may be an indication of low Freon. Okay, this sounds like the control head is the issue. If it was an issue with the compressor or any part of the control system, the rear A/C controls would not function.

https://www.2carpros.com/articles/car-air-conditioner-not-working-or-is-weak

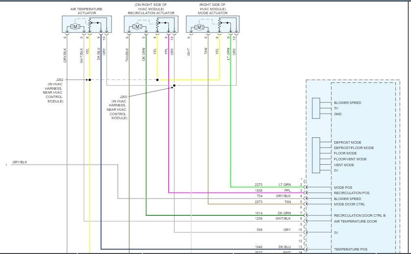
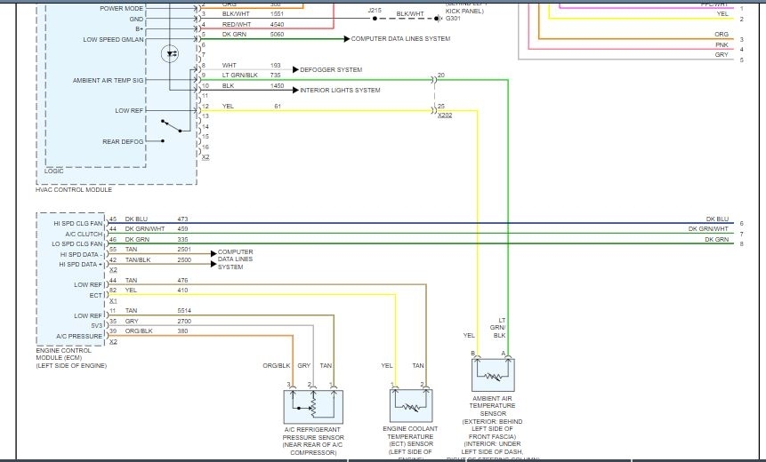
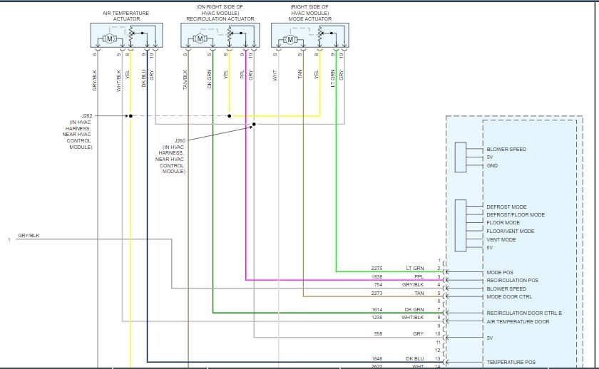
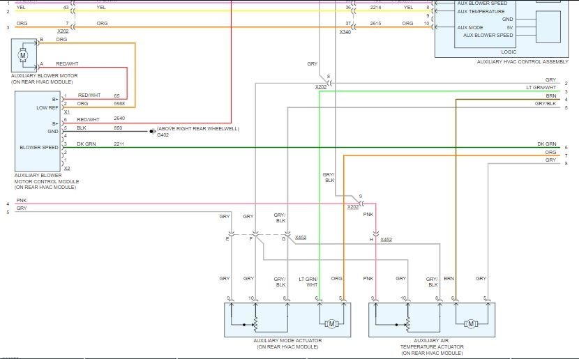
I attached the procedure for replacing the control head and a wiring diagram for the system. Check the fuses for power on both sides.

https://www.2carpros.com/articles/how-to-check-wiring

Check out the diagrams (Below). Please let us know what happens.
Was this
answer
helpful?
Yes
No
+1
Sunday, February 7th, 2021 AT 1:22 PM

Please login or register to post a reply.