HOME
ASK A QUESTION
REPAIR GUIDES
BECOME A MEMBER
LOG IN
Login with Facebook
OR
Remember me
NOT A MEMBER?
FORGOT PASSWORD?
CONTACT US
PRIVACY POLICY
TERMS AND CONDITIONS
☰
Home
Jeep
Grand Cherokee
Climate Control
Air Conditioner
Not Working
AC not working properly
PARIS JAMES
MEMBER
2002 JEEP GRAND CHEROKEE
4.7L
V8
4WD
AUTOMATIC
208,000 MILES
AC switch does not light up and clutch not spinning. Also, AC does not blow cold air.
Tuesday, July 3rd, 2018 AT 11:47 PM
1 Reply
ASEMASTER6371
MECHANIC
52,796 POSTS
Good morning.
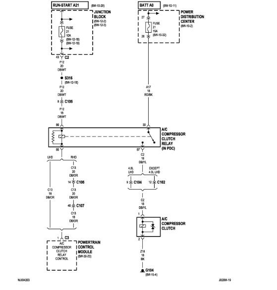
Did you check the fuses for power on both sides with a test light?
If you have a test light we can do some checks to se if it has the correct power to start the compressor.
Also, do you know if it has Freon in the system?
Roy
https://www.2carpros.com/articles/car-air-conditioner-not-working-or-is-weak
https://www.2carpros.com/articles/how-a-car-fuse-works
https://www.2carpros.com/articles/how-to-use-a-test-light-circuit-tester
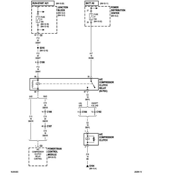
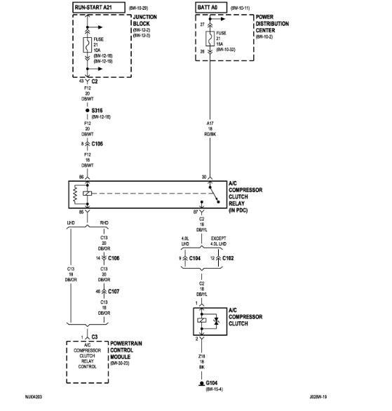
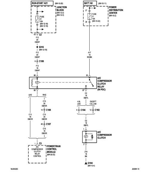
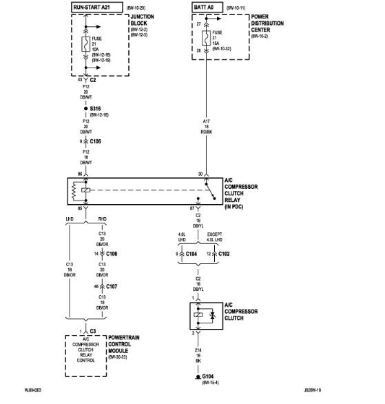
Image (Click to make bigger)
Was this
answer
helpful?
Yes
No
Wednesday, July 4th, 2018 AT 5:10 AM
Please
login
or
register
to post a reply.
Related Air Conditioner Not Working Content
Ac Not Cold Enough
Why Wont My Ac Blow Out Cold Air On The High Way? Or Evin When The Engine Is Above 2500rpm?
Asked by
bmagardo
·
6 ANSWERS
6 IMAGES
1996
JEEP GRAND CHEROKEE
VIDEO
Fix an Air Conditioning Not Working Video
Instructional repair video
GUIDE
Air Conditioner Not Working
Like any sub system in today's car a problem and be minor or a little more involved, this guide will help you find the problem and perform repairs. You can be the judge if...
Ac Not Working
The Air Coming Out Of The Passenger Side Vents Is Not Cold. There Is Also A Hissing Noise That Occaisonally Occurs From The Passenger Side...
Asked by
sbarretta
·
12 ANSWERS
1 IMAGE
2005
JEEP GRAND CHEROKEE
2011 Jeep Grand Cherokee Ac Problem
My Ac On High Will Blow Hard For Minute Or Two Then Blow Low Few Seconds Then Hard Again And It Does This Over And Over
Asked by
brentjolly
·
3 ANSWERS
2011
JEEP GRAND CHEROKEE
Ac Not Enough Cool, And Temperature Remains Constant.
I Got 47, 54 And 56 Upon Diagnostics On My Grand Cherokee 1999 Limited 4.0l. The Ac Blows A Bit Warm Air, And The Temperature Is Same On...
Asked by
wudaal
·
13 ANSWERS
1999
JEEP GRAND CHEROKEE
1998 Jeep Grand Cherokee A/c
My Compressor Is Not Engaging
Asked by
trevi71
·
1 ANSWER
1998
JEEP GRAND CHEROKEE
VIEW MORE
Ask a Car Question. It's Free!
Fix an Air Conditioning Not Working Video
How to Find Low Side A/C Service Port
Air Conditioner - Vacuum Down and Recharge