Sunday, June 16th, 2019 AT 6:26 PM
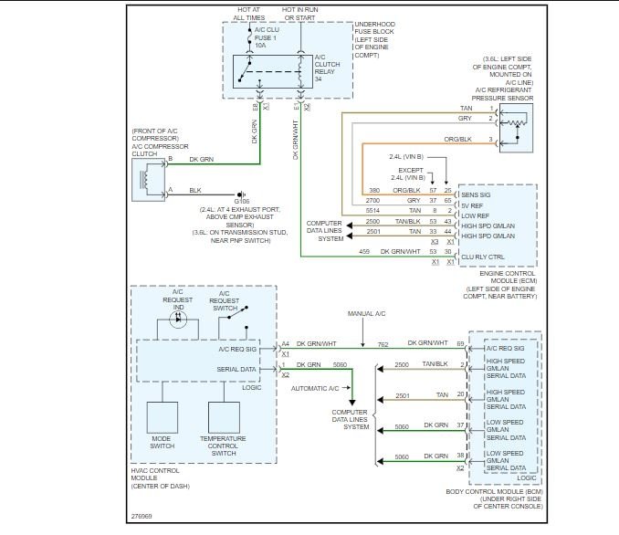
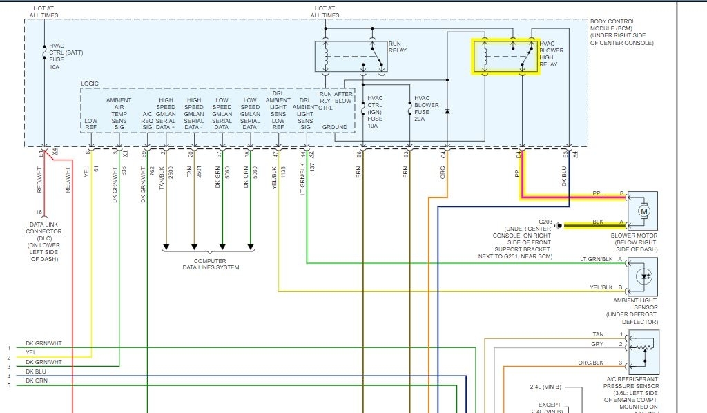
While driving or just starting the car the AC will stop blowing cold and then the temperature gauge stops working. We have replaced the thermostat and the ECT sensor. After changing the ECT sensor it starting working for about 60 miles then it did the same thing. What could be going on?




