Thursday, October 13th, 2022 AT 9:19 AM
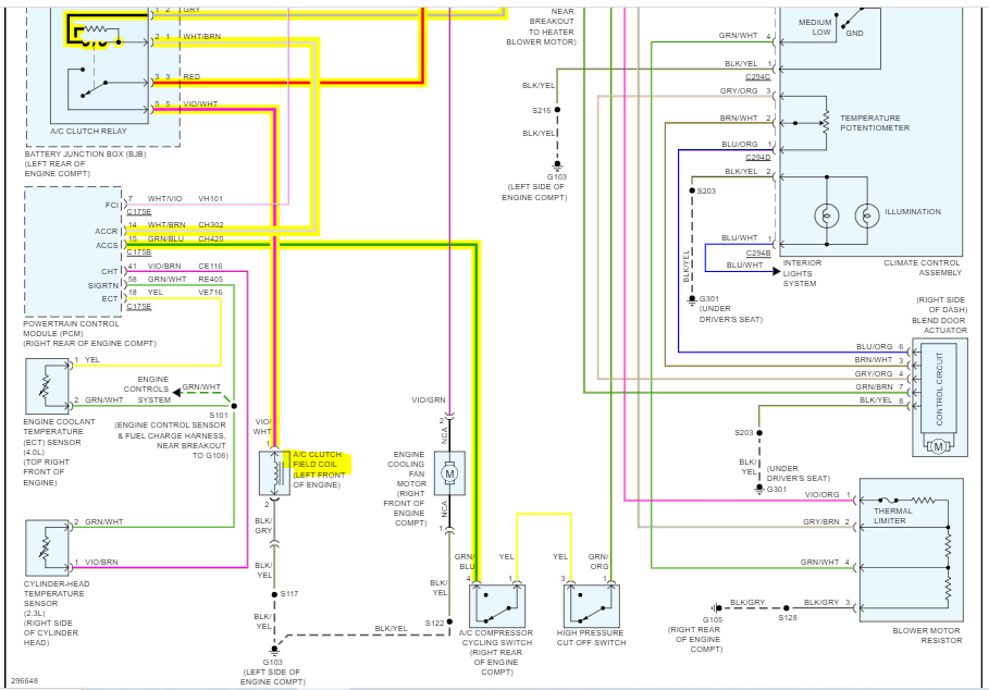
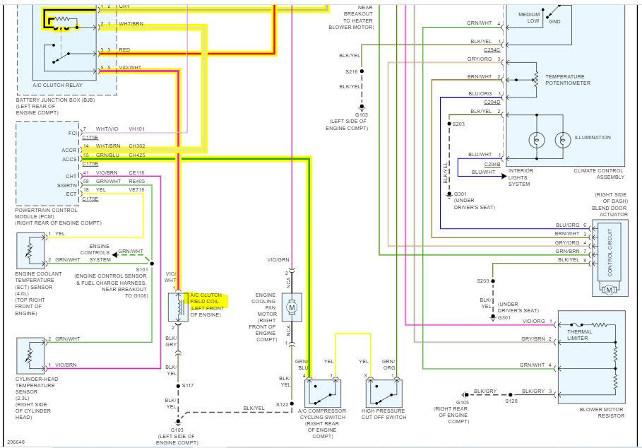
I noticed my gas mileage is down 40 miles per tank full, When I turn on just the vent (inside) cold air comes out especially when it was hot outside, instead of warm air. I notice the truck just has a very short noticeable hesitation when turning on the fan. I assume it is the A/C kicking on. Also, when I turn the fan on at night there is a quick dim of the headlights, like something is drawing the power. My mechanic said the wiring diagram says it should be running all the time.






