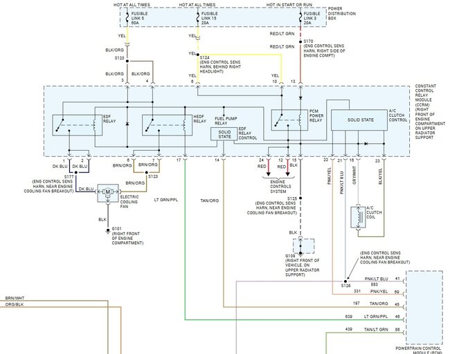
Where is the A/C compressor relay located?

Tiny
JFELAN71GMAIL.COM
  • MEMBER
  • 1997 MERCURY COUGAR
  • 165 MILES
I can't find the A/C compressor relay.
Monday, February 3rd, 2025 AT 4:38 PM

1 Reply

Tiny
STEVE W.
  • MECHANIC
  • 15,700 POSTS
Your car doesn't use a relay. It uses a solid-state controller module that also controls the A/C clutch, the cooling fans and other devices. I take it the clutch isn't engaging? That can be tested if you put a test light leads in place of the two wires on the clutch connector. Then turn the A/C on max and see if the light turns on.
Was this
answer
helpful?
Yes
No
+1
Monday, February 3rd, 2025 AT 7:25 PM

Please login or register to post a reply.