Monday, June 8th, 2020 AT 5:45 PM
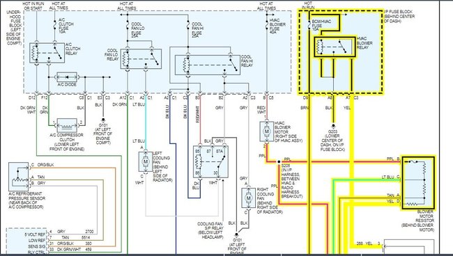
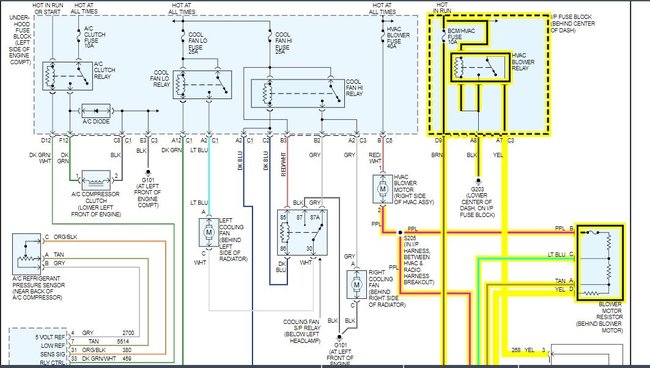
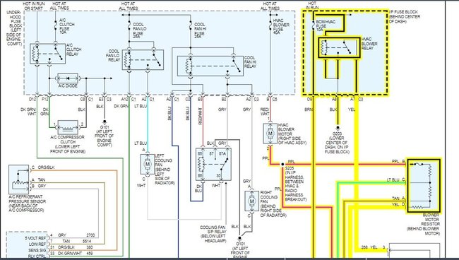
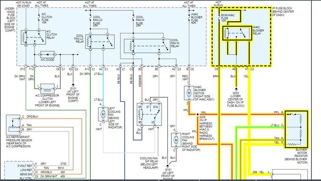
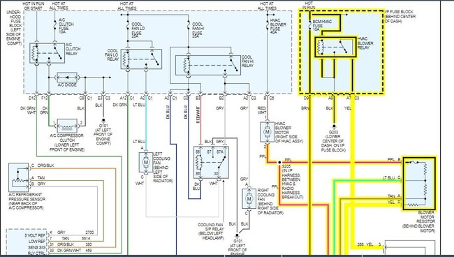
So I just bought this vehicle listed above, and have an issue I have not been able to find an answer to yet. On the lowest two fan settings the A/C light turns on if I press it, but I can't hear the fan at all, which might simply because of how low the setting is. However, if I set my fan to high, or even the speed just below high the air conditioner button will not come on at all, but the fan definitely works. At no time does cold air blow out. I tried to add refrigerant to it, but it doesn't seem to have worked.




