6 cyl Two Wheel Drive Automatic 80000 miles
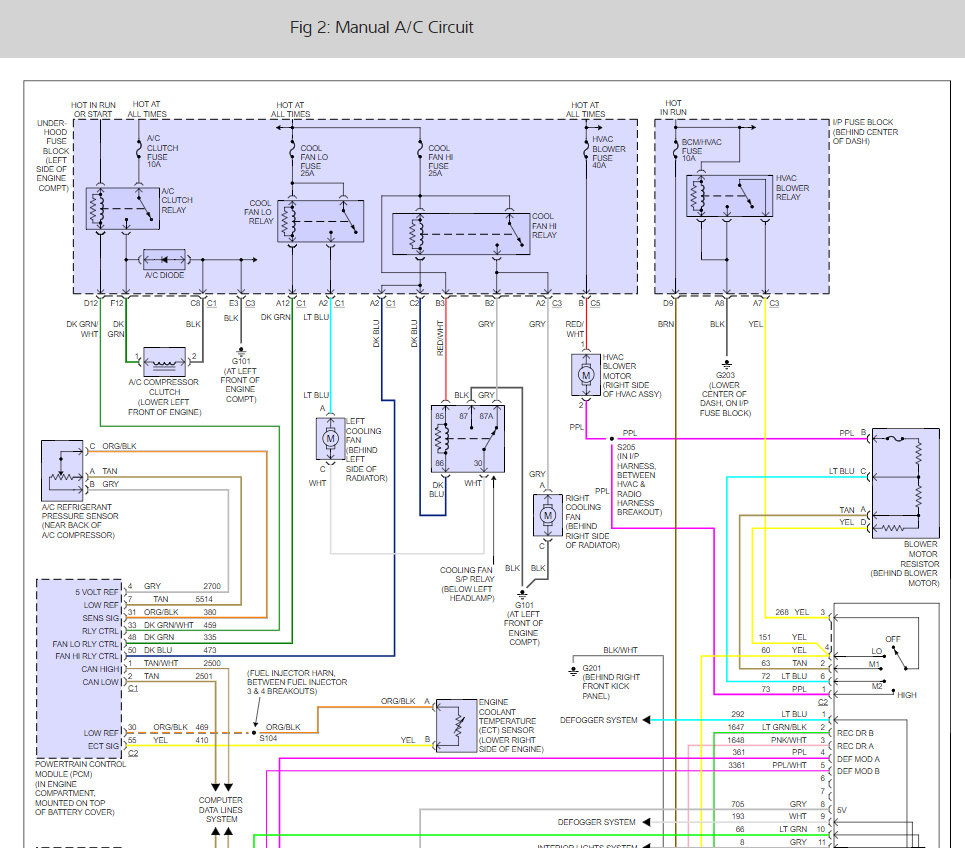
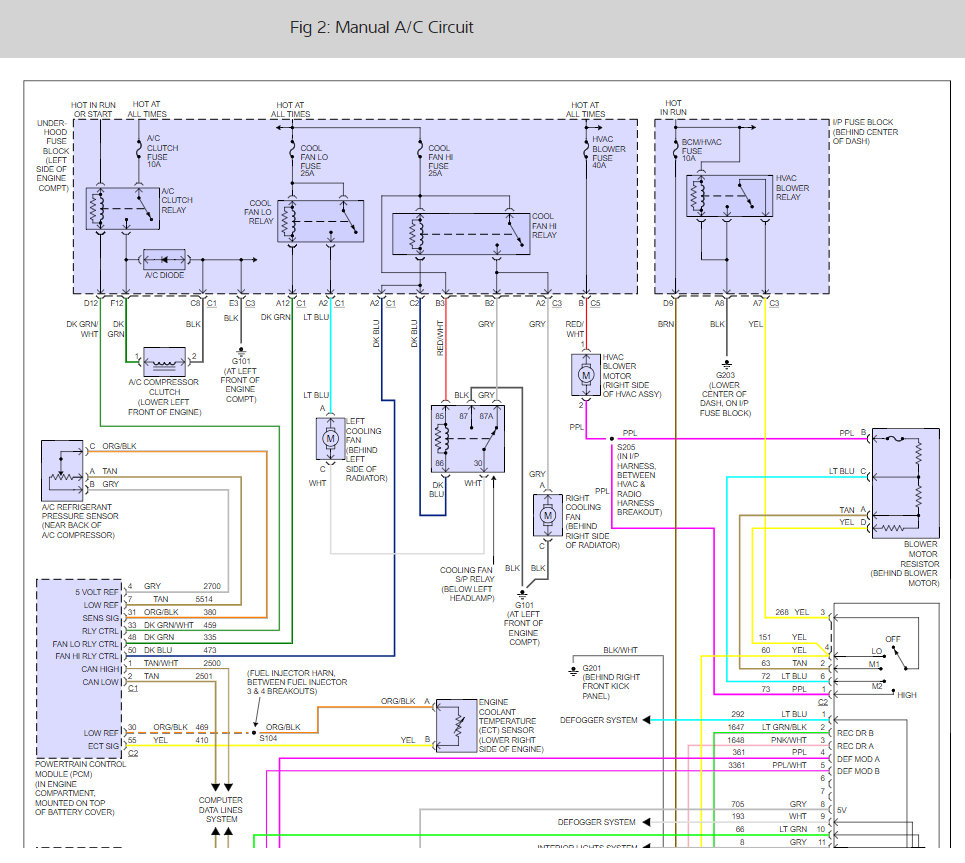
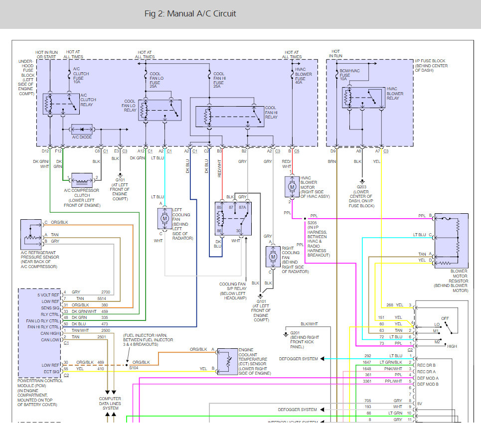
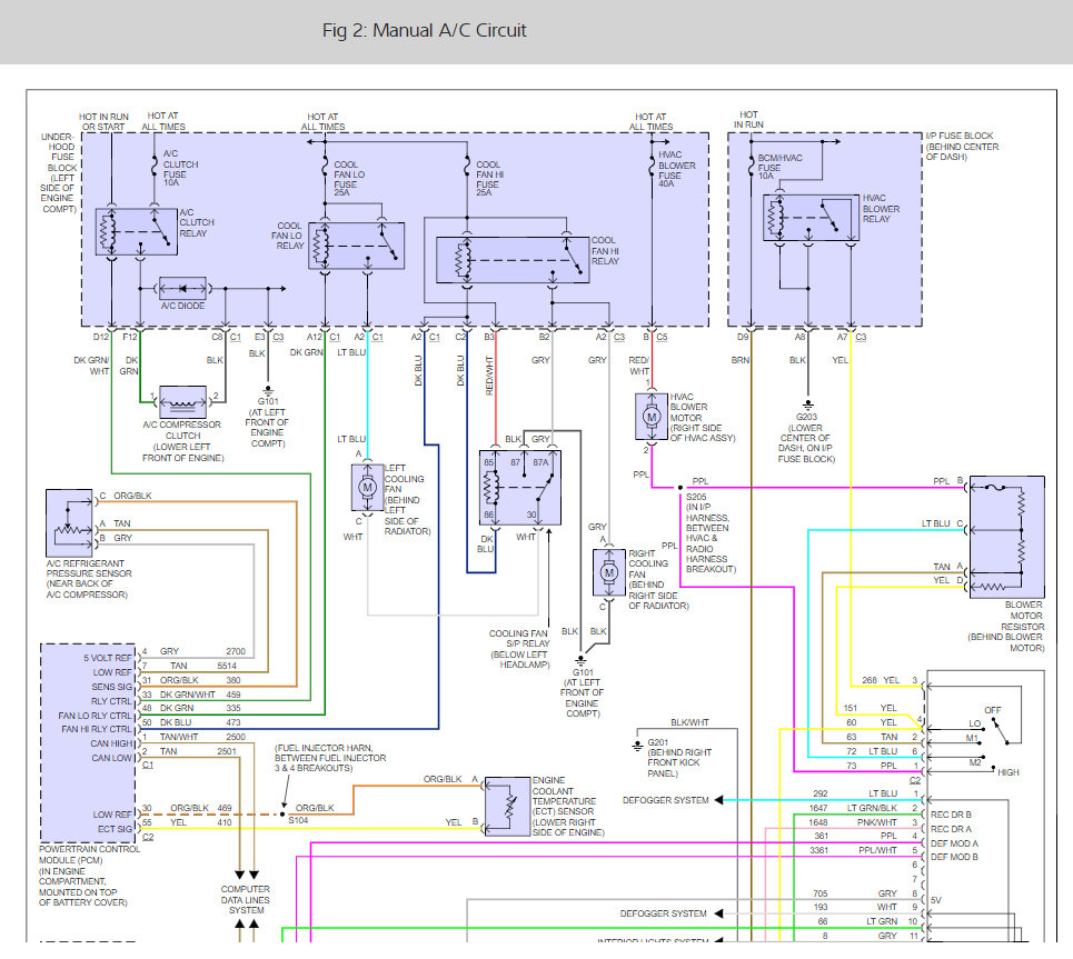
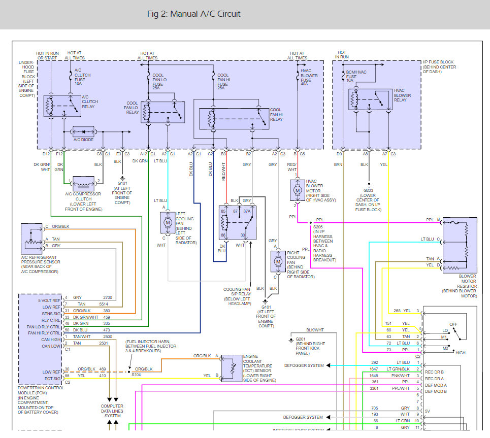
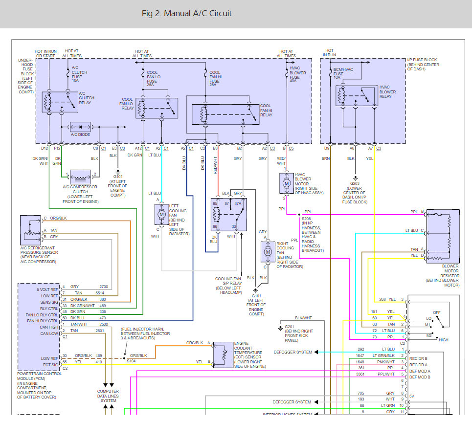
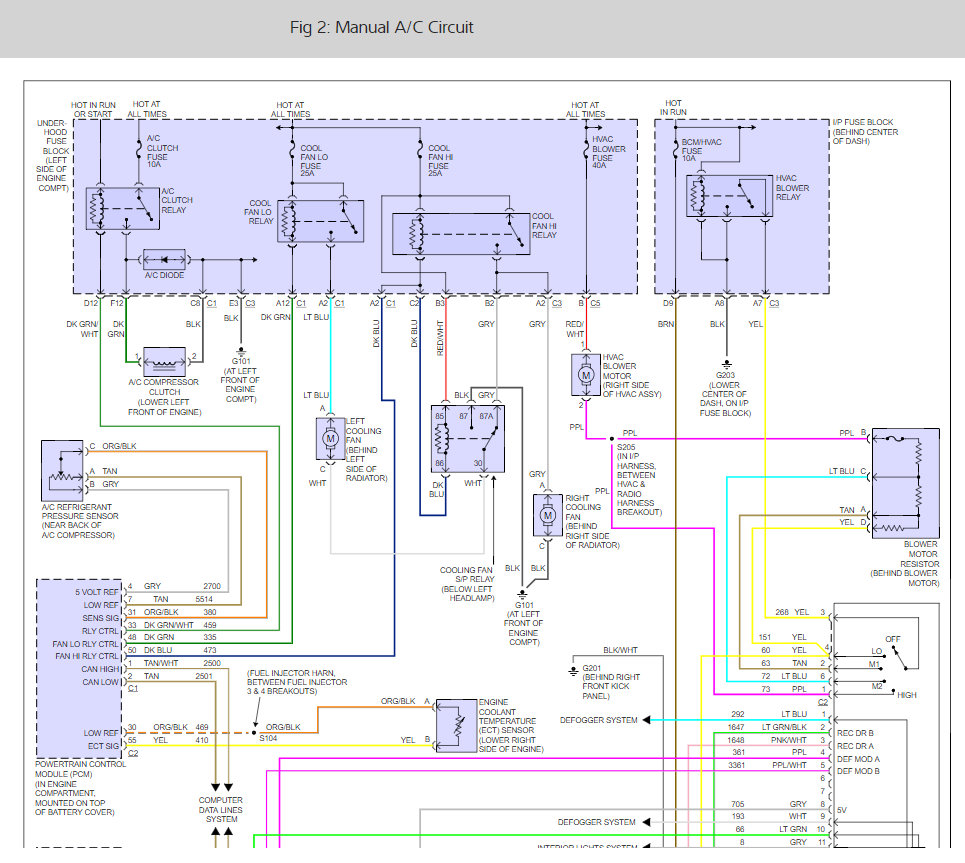
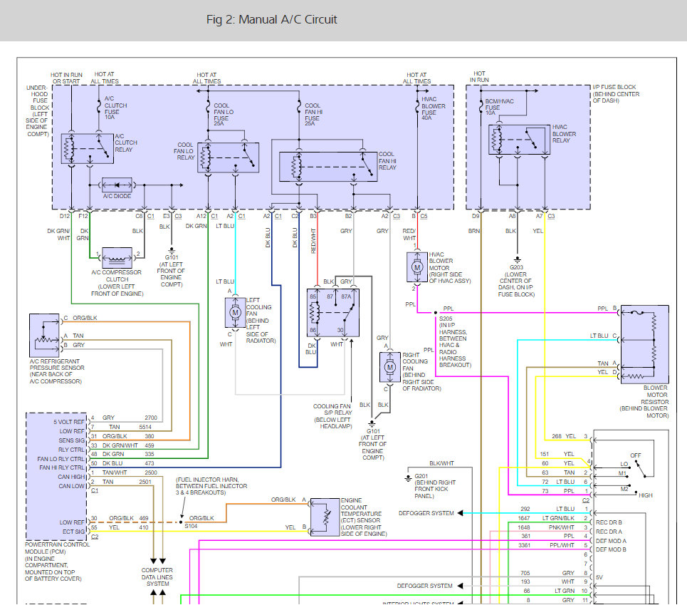
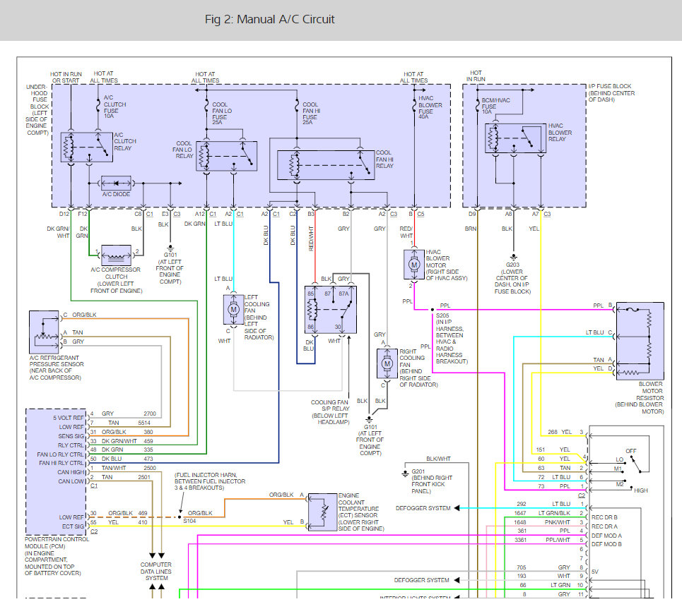
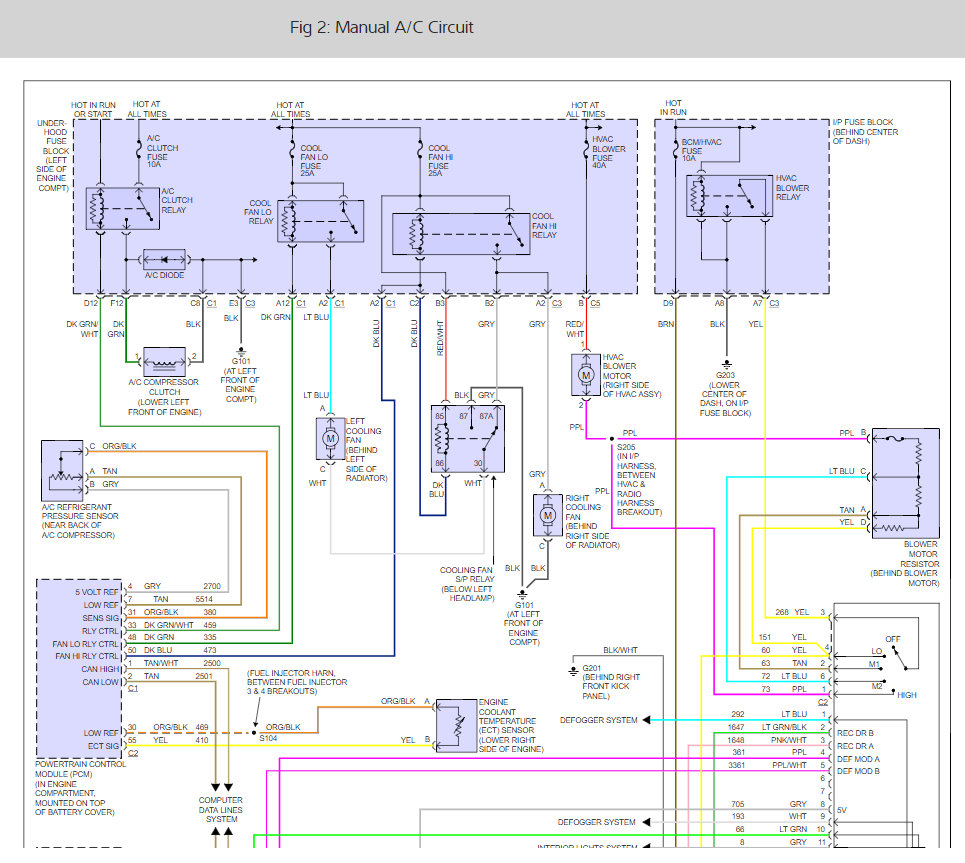
I have a problem trying to get the blower motor for the heater/ac to work. Checked all fuses. Replaced relays, switch, resistor, and even the fan motor. I cant find anyone that has a wiring diagram, even the dealership. Don't know what else to check for and wife not real happy.
Friday, December 4th, 2009 AT 4:37 PM






