A/C pressure off

Tiny
JAMES SMITH4
  • MEMBER
  • 2011 JEEP LIBERTY
  • 2WD
  • AUTOMATIC
  • 100,000 MILES
Low side 20 psi and lowers as engine rev high side 375 psi higher as engine revs. Line from compressor hot to condenser warm from condenser to expansion valve after that line from evaporator is not snow white back to compressor. I believe my problem lies in the condenser, internal blockage or expansion valve partially blocked or not regulating pressure. Any ideas? Checked condenser for debris in front of it, nothing found.
Thursday, June 7th, 2018 AT 12:59 PM

1 Reply

Tiny
ASEMASTER6371
  • MECHANIC
  • 52,796 POSTS
Good evening.

Yes, it sounds like a restriction. It may be the condenser and the back up causes the high side pressure to rise.

The low side is too low. It should be 25-30 lbs and rock solid.

The high side should be two times outside temp plus 15%.

If your air flow is good through the radiator then I would suspect the condenser. I would go with condenser, receiver/dryer and an expansion valve.

Roy

https://www.2carpros.com/articles/car-air-conditioner-not-working-or-is-weak

https://www.2carpros.com/articles/re-charge-an-air-conditioner-system

WARNING: Refer to the applicable warnings and cautions for this system before performing the following operation See: Heating and Air Conditioning > Vehicle Damage Warnings > Warning and See: Heating and Air Conditioning > Vehicle Damage Warnings > Caution . Failure to follow these instructions may result in possible serious or fatal injury.

CAUTION: Before removing the A/C condenser, note the location of each of the radiator/condenser air seals. These air seals are used to direct air through the A/C condenser and radiator. The air seals must be reinstalled in their proper locations in order for the A/C and engine cooling systems to perform as designed.

NOTE: LHD model shown in illustrations. RHD model similar.

imageZoom/Print

1. Disconnect and isolate the negative battery cable.
2. Recover the refrigerant from the refrigerant system See: Heating and Air Conditioning > Procedures > Refrigerant System Recovery.
3. Remove the engine air cleaner housing.
4. Remove the secondary retaining clip and using the proper A/C line disconnect tool (Special Tool Kit or equivalent), disconnect the A/C liquid line (1) from the condenser tube (2) See: Coupler HVAC > Removal and Replacement > Refrigerant Line Coupler - Removal.

imageZoom/Print

NOTE: Upper condenser retaining bracket and bolt shown. Lower retaining bracket and bolt similar.

5. Remove the grille See: Grille > Removal and Replacement > Grille - Removal.
6. If equipped with an automatic transmission, disconnect the transmission cooler lines from the transmission cooler portion of the A/C condenserSee: Transmission Cooler, A/T > Removal and Replacement > Removal.
7. Position the right side condenser air seal out of the way to gain access to the discharge line fitting and the lower condenser retaining bolt.

NOTE: Rotate and tilt the A/C discharge line as necessary to disconnect it from the A/C condenser.

8. Remove the nut (4) that secures the A/C discharge line (5) to the A/C condenser (3) and disconnect the discharge line.
9. Remove the two bolts (2) that secure the A/C condenser to the right side of the radiator (1).
10. Carefully lift the A/C condenser straight up to disengage the condenser mounting brackets from the radiator and remove the condenser from the vehicle.
11. If required, remove the A/C receiver/drier from the A/C condenser See: Receiver Dryer > Removal and Replacement > A/C Receiver Drier - Removal.
12. Remove and discard the O-ring seals and gasket and install plugs in, or tape over the opened refrigerant line fittings and the condenser and receiver/drier ports.

expansion valve

REMOVAL

WARNING: Refer to the applicable warnings and cautions for this system before performing the following operation See: Heating and Air Conditioning > Vehicle Damage Warnings > Warning and See: Heating and Air Conditioning > Vehicle Damage Warnings > Caution . Failure to follow these instructions may result in possible serious or fatal injury.

NOTE: LHD model shown in illustrations. RHD model similar.

imageZoom/Print

1. Recover the refrigerant from the refrigerant systemSee: Heating and Air Conditioning > Procedures > Refrigerant System Recovery.
2. Disconnect and isolate the negative battery cable.
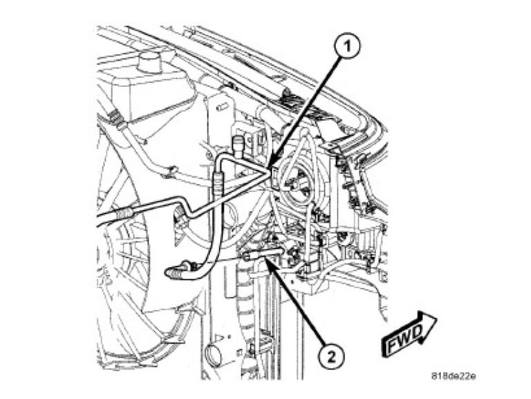
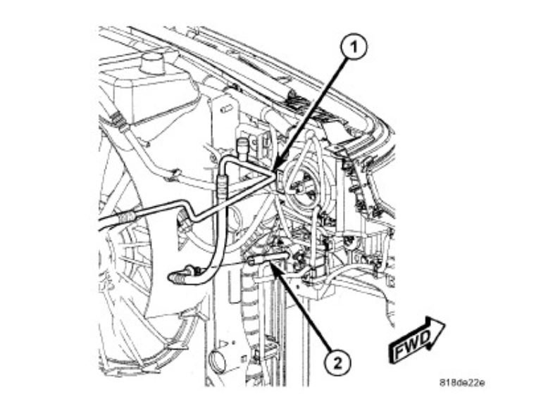
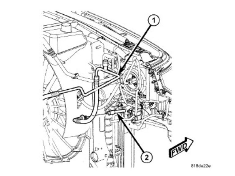
3. Remove the nut (2) that secures the A/C suction line (1) and the A/C liquid line (4) to the A/C expansion valve (3).
4. Disconnect the A/C suction and liquid lines from the A/C expansion valve, remove and discard the O-ring seals and position the refrigerant lines out of the way.

imageZoom/Print

5. Remove the two bolts (1) that secure the A/C expansion valve (2) to the evaporator tube tapping block (3).
6. Remove the A/C expansion valve from the evaporator tube tapping block and remove and discard the O-ring seals.
7. Install plugs in, or tape over the opened refrigerant line and evaporator tube fittings and all expansion valve ports.
Was this
answer
helpful?
Yes
No
Thursday, June 7th, 2018 AT 4:40 PM

Please login or register to post a reply.