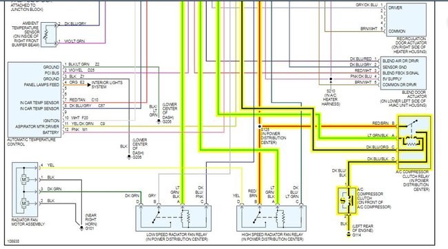
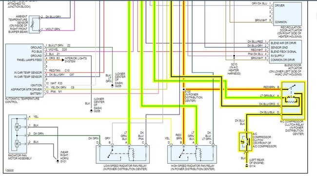
Tuesday, June 30th, 2020 AT 1:53 AM
A/C quit working. Changed compressor, air drier and expansion valve. While charging A/C the compressor wouldn't turn on so I jumped it so I could still charge the system, but still no cold air and the compressor won't kick on without jumping it.





