A/C light not working

Tiny
JOHNDENIX
  • MEMBER
  • 2008 TOYOTA COROLLA
  • 1.8L
  • 4 CYL
  • 2WD
  • AUTOMATIC
  • 60,000 MILES
Hi,

The A/C light failed to come up and I've tried changing the control switch but there was no solution.
What should I do?
Thursday, February 10th, 2022 AT 2:40 PM

3 Replies

Tiny
KASEKENNY
  • MECHANIC
  • 18,907 POSTS
Just to confirm what is happening, does the A/C system work just not the light?

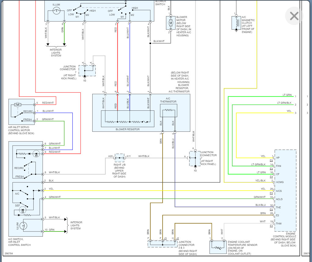
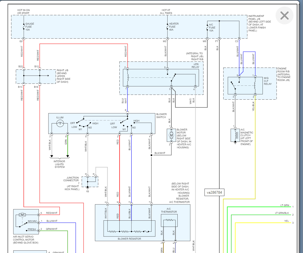
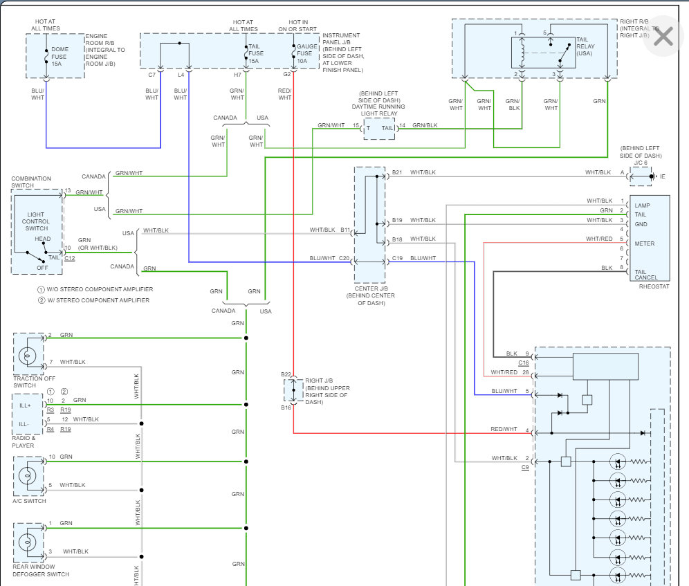
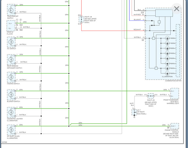
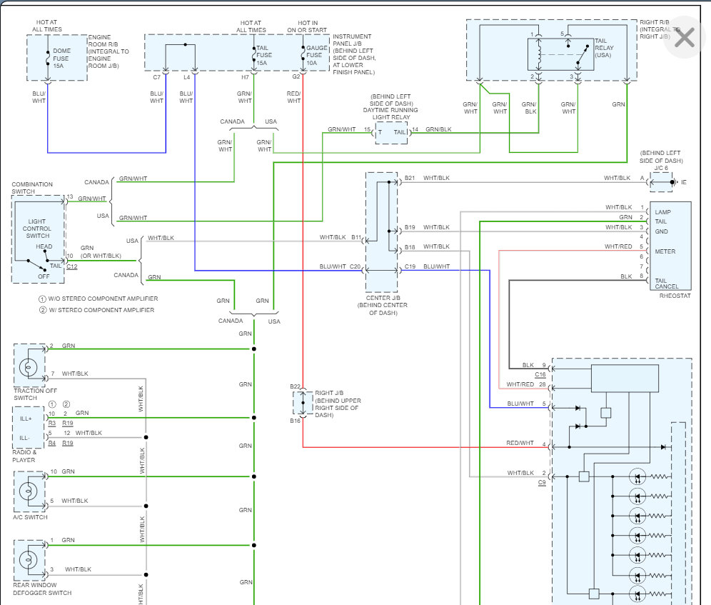
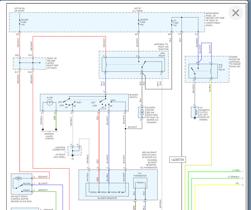
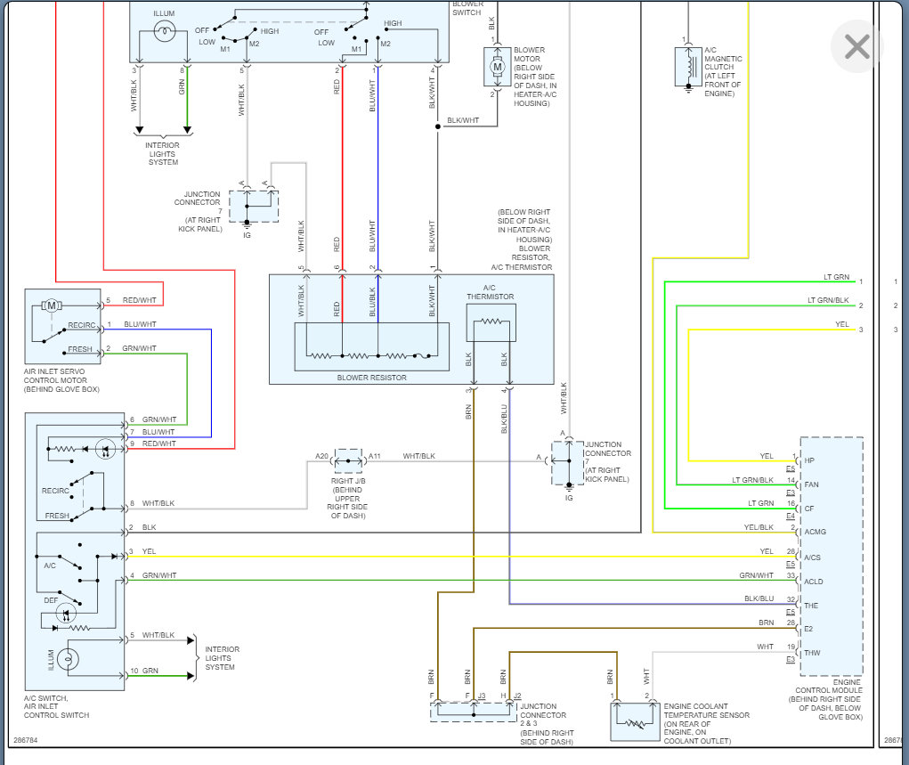
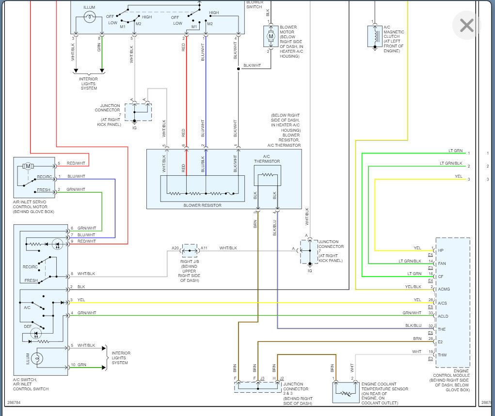
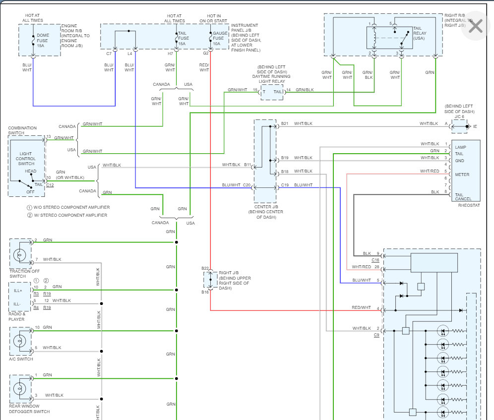
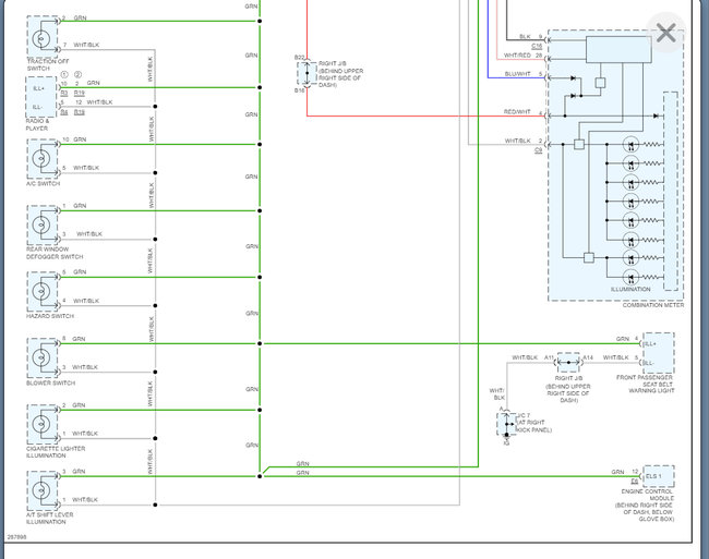
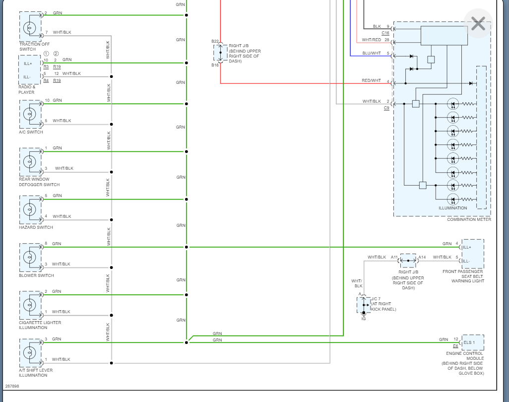
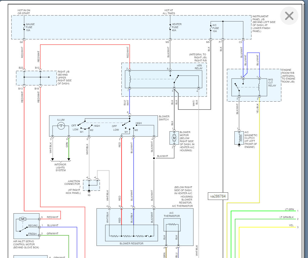
I am attaching the wiring diagram below which will help with this.

Basically, if the A/C light is the only thing not working then we need to consult the interior lighting system.

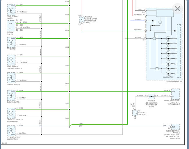
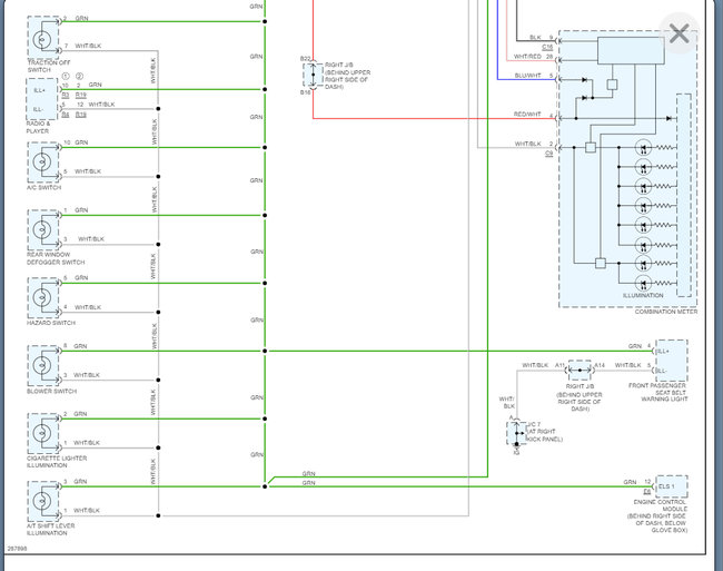
The A/C switch uses the same lighting circuits as the others shown in the diagrams below, so I imagine we have a wiring issue to the switch.

https://www.2carpros.com/articles/how-to-check-wiring

Please see the wiring below but if the A/C is not working then we need to dig further into that side of the system.

Let me know and we can go from there.

Thanks
Was this
answer
helpful?
Yes
No
Friday, February 11th, 2022 AT 3:03 PM
Tiny
JOHNDENIX
  • MEMBER
  • 2 POSTS
The A/C is not working, only the blower that is working, compressor is not responding due to the switch, but the compressor is in good condition.
Was this
answer
helpful?
Yes
No
Friday, February 11th, 2022 AT 3:16 PM
Tiny
KASEKENNY
  • MECHANIC
  • 18,907 POSTS
Okay. Got it.

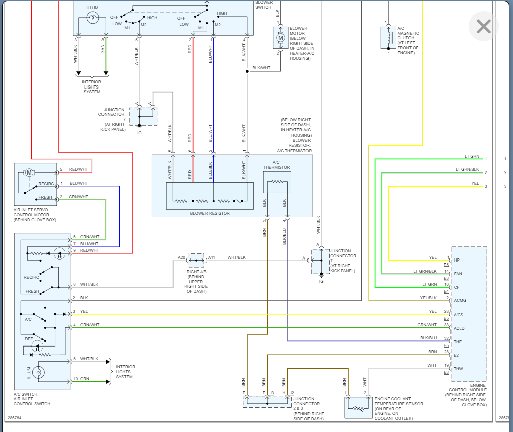
Let's start with this. Check the voltage on the black wire coming from the A/C fuse. With your read meter lead on this wire and the black on a good ground, you should have 12 volts.

Next, we need to check the ground from the PCM.

The way this works is the fuse sends power to the switch. When you turn the switch on it closes the circuit, but the PCM needs to provide the ground path. So, to check that the PCM is grounding it we need to put your red meter lead on battery positive and then the black lead on this yellow wire and the meter should read 12 volts.

https://www.2carpros.com/articles/how-to-check-wiring

If it doesn't then that means the PCM is the issue or one of the other inputs to the PCM is preventing the A/C from coming on.

This would be a pressure sensor or the pressure itself could be low. So, let's check these circuits and then we can check the pressures and see if that could be the issue.
Was this
answer
helpful?
Yes
No
Saturday, February 12th, 2022 AT 7:19 PM

Please login or register to post a reply.