AC/heater problem

Tiny
ASMSOR
  • MEMBER
  • 2004 TOYOTA LANDCRUISER
  • 3.0L
  • 4 CYL
  • 4WD
  • AUTOMATIC
  • 202,500 MILES
When car is cold, the airflow in the heating system is good, but sometimes with good and warm engine the air flow shuts down. The blower motor runs at full speed, but still no air coming out of the vents. Even if I change the temperature too cold the air flow is bad. I have changed three servo motors, resistance for the blower motor, both thermistors and head unit. When I run the check A/C for fault codes, it sometimes come up with code 21 and 24. Sometimes it can work almost okay for days (still a little weak air flow I imagine) suddenly it turns bad again. When it is not working I have heard a strange sound from somewhere in the compartment area when the heater starts or when I turn off the ignition. (Squeaking sound)
Hope you can give me some tips about what to do, because I am running out of good ideas regarding to how to find the fault.

Best regards, Asmund
Monday, March 18th, 2019 AT 3:29 PM

9 Replies

Tiny
ASEMASTER6371
  • MECHANIC
  • 52,796 POSTS
Good afternoon,

This sounds like something in the housing, such as a door, is sticking not allowing the flow of air.

I would remove the blower motor, inspect the wheel on the blower for any damage and then look or feel up in the duct for any obstruction in the ducts.possibly paper of some kind that moves around and blocks sometimes but not others.

Roy

Read the guide below, it will help

https://www.2carpros.com/articles/low-or-no-air-flow-from-vents
Was this
answer
helpful?
Yes
No
Monday, March 18th, 2019 AT 4:07 PM
Tiny
JIM CONNOLLY
  • MEMBER
  • 2 POSTS
  • 1996 TOYOTA LANDCRUISER
Heater problem 6 cyl All Wheel Drive 151000 miles

hi
I have a 1996 toyota landcruiser my heater just blows cold air my rear heat works fine all buttons work fine and I checked all the fuses any idea what it might be?

I just had my stereo replaced and sure enough, the heater stopped heating. (BestBuy geek says he doesn't think he did anything?)

The blower and all other dash components work fine. The manual says there's a cable that runs from the bottom hot-cold slide to a control on the engine side of the firewall, but I didn't see any loose connections at first glance. I'm guessing I'll have to pull the stereo and look for myself.

Any other hints are greatly appreciated. Thanks!
Was this
answer
helpful?
Yes
No
Thursday, March 21st, 2019 AT 7:18 PM (Merged)
Tiny
KEN L
  • MASTER CERTIFIED MECHANIC
  • 55,297 POSTS
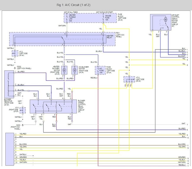
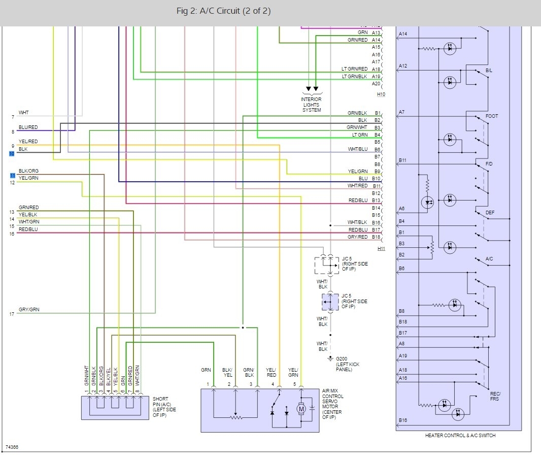
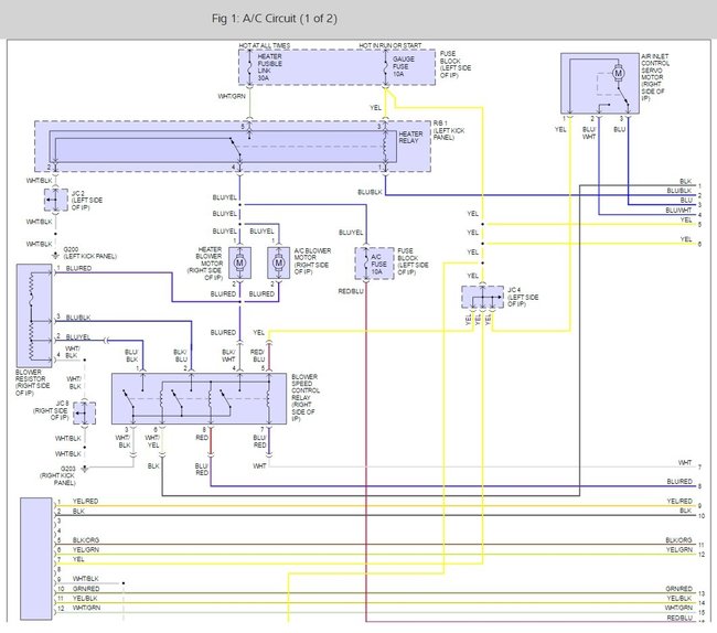
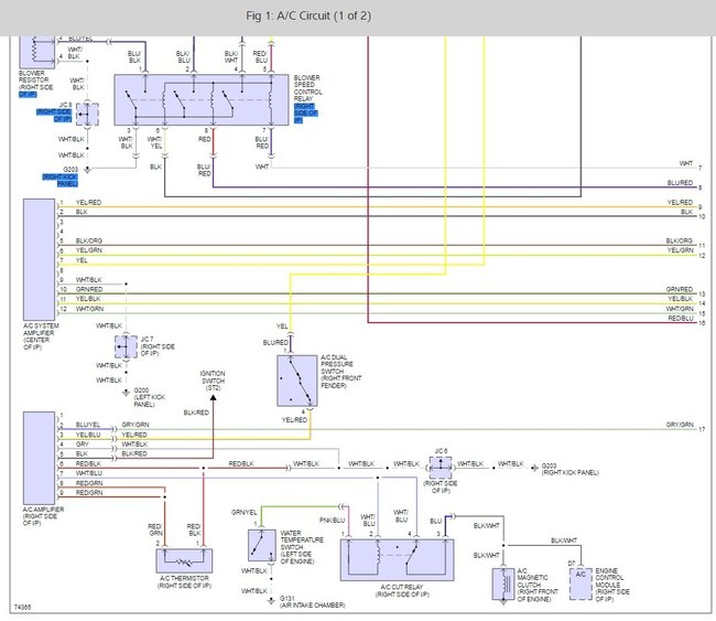
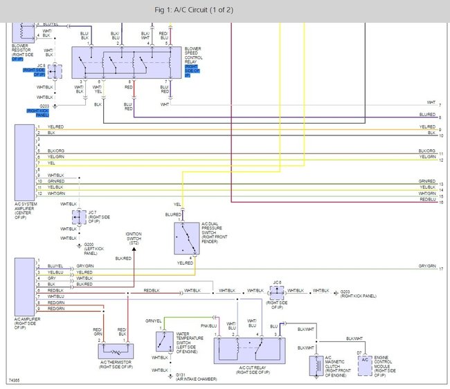
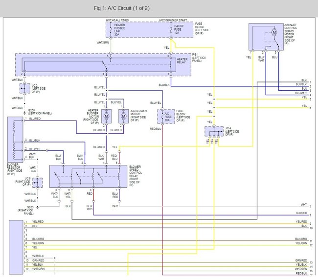
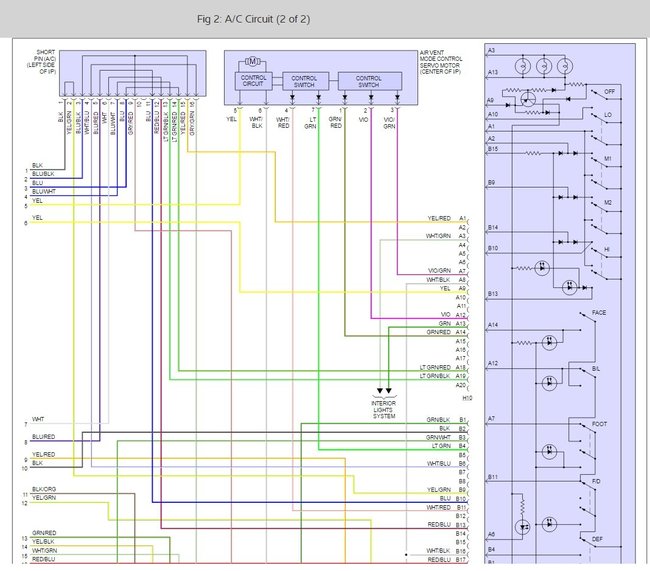
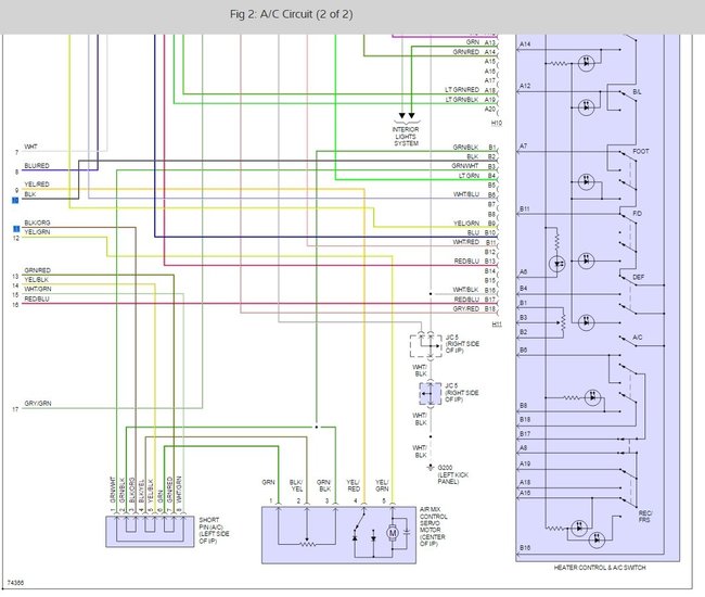
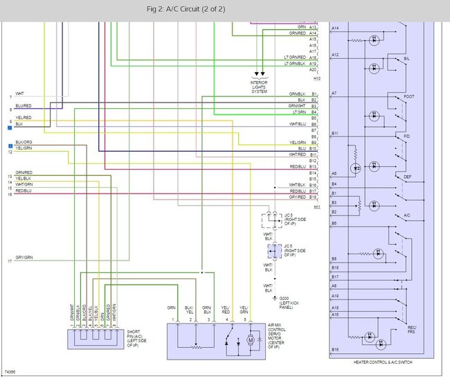
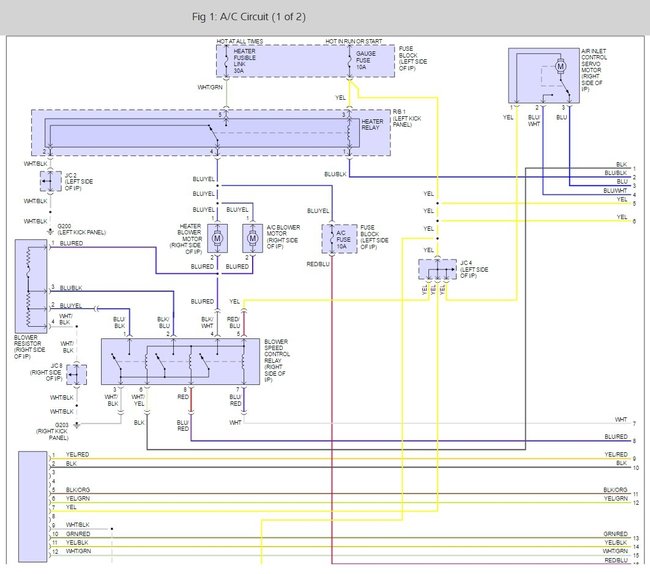
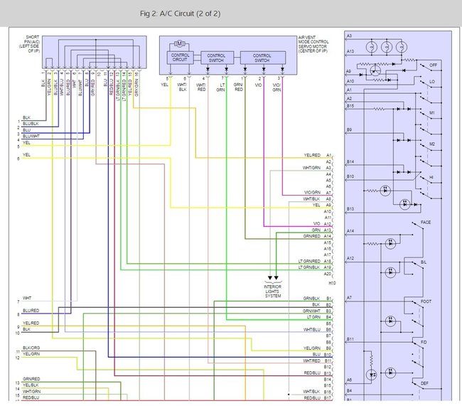
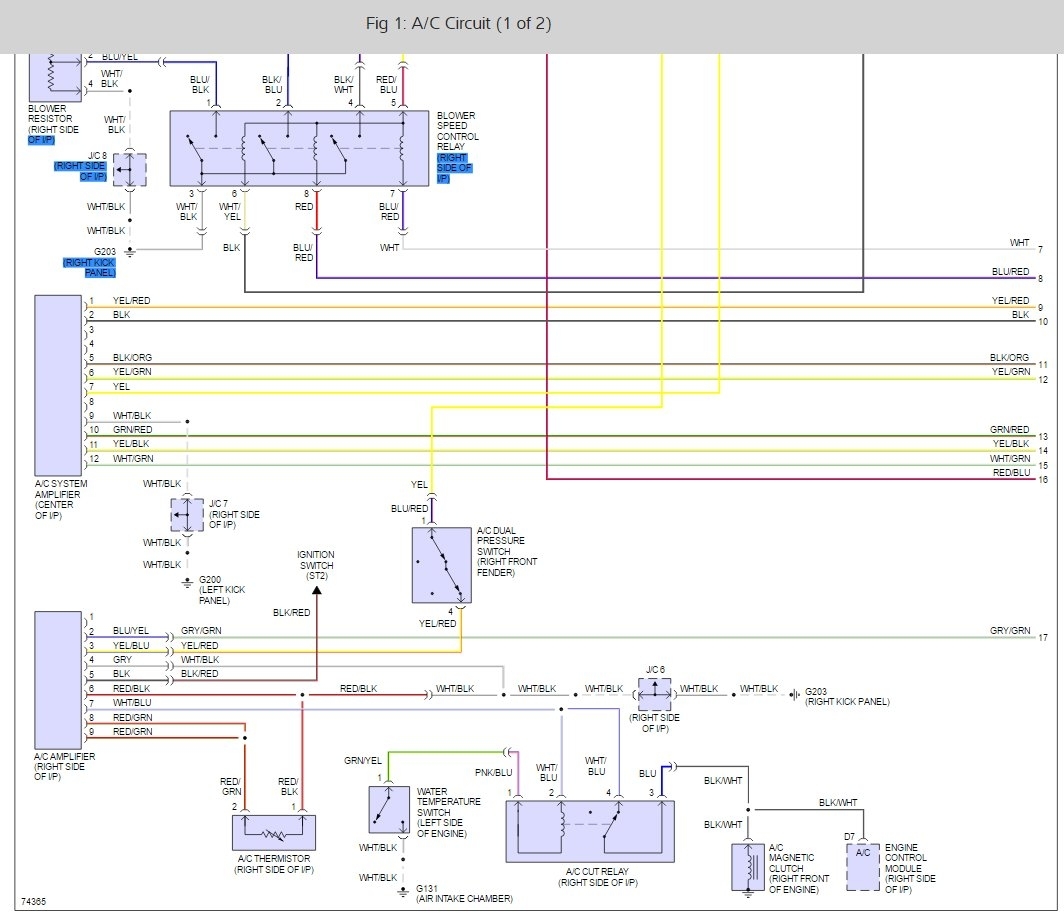
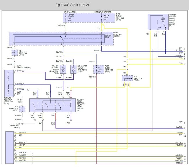
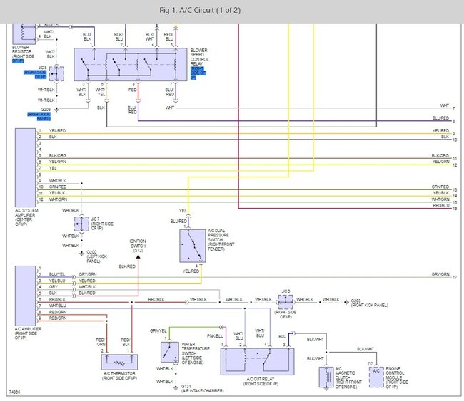
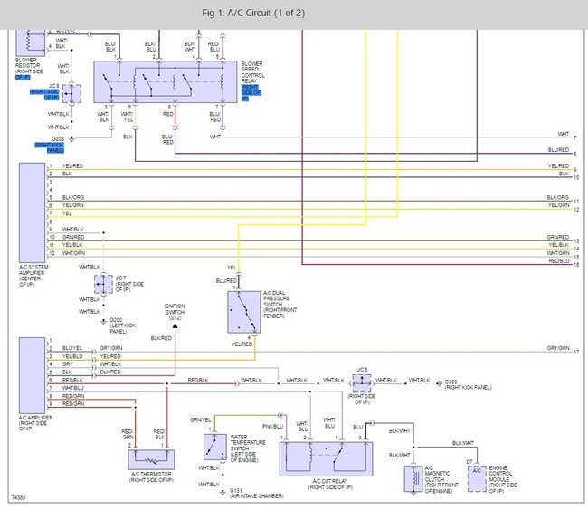
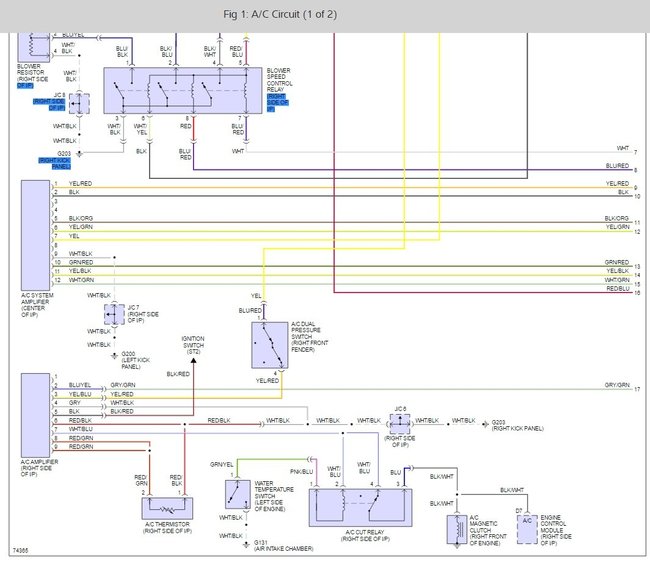
This sounds like you have an air blend door actuator that is not working. You have two blend door actuators that run the system, here is a guide and a wiring diagram to help you get the problem fixed. You will probably need to replace the actuator.

https://www.2carpros.com/articles/replace-blend-door-motor

and

https://www.2carpros.com/articles/how-to-use-a-test-light-circuit-tester

Please let us know what happens.

Best, Ken
Was this
answer
helpful?
Yes
No
Thursday, March 21st, 2019 AT 7:18 PM (Merged)
Tiny
MICK007
  • MEMBER
  • 1 POST
  • 1999 TOYOTA LANDCRUISER
Heater problem
1999 Toyota Landcruiser Four Wheel Drive Manual

What could be wrong with the heat system, the dial is all the way up to the red but no heat is getting in, it is just blowing cold air into the cabin?
Was this
answer
helpful?
Yes
No
Thursday, March 21st, 2019 AT 7:18 PM (Merged)
Tiny
A.D.
  • MEMBER
  • 3 POSTS
. I had that problem and added anti-freeze to radiator. Made a big difference but now I'm trying to locate an anti-freeze smell in the motor comp?
Was this
answer
helpful?
Yes
No
Thursday, March 21st, 2019 AT 7:18 PM (Merged)
Tiny
A.D.
  • MEMBER
  • 3 POSTS
  • 1999 TOYOTA LANDCRUISER
  • V8
  • 4WD
  • AUTOMATIC
  • 156,000 MILES
Took 15 min to blow warm air and at times would go back to cool air, topped-off radiator with antifreeze and fixed problem, Now I keep smelling coolant in motor comp. But don't see any leaks. Fluid is to top of radiator, looks like clear water. Temp guage about half way. What could that smell be?
Was this
answer
helpful?
Yes
No
Thursday, March 21st, 2019 AT 7:18 PM (Merged)
Tiny
RASMATAZ
  • MECHANIC
  • 75,992 POSTS
Dunno how long you've replace the thermostat don't recall or whatever replace it and also backflush the heater core. Also bleed the system and see happens
Was this
answer
helpful?
Yes
No
Thursday, March 21st, 2019 AT 7:18 PM (Merged)
Tiny
A.D.
  • MEMBER
  • 3 POSTS
If I topped-off the radiator with coolant (to radiator cap), shouldn't it be to that level the next day (assuming there's no leaks)? Next day it was to where you can see it, but not to the cap.
I Keep checking level, remains at where it can be seen.
Guage at half way mark.

Heater works good now.

Still smell coolant in motor when motor warm.

Concerned about possible slow leak, (not visible).

Thank you for your suggestions.
Was this
answer
helpful?
Yes
No
Thursday, March 21st, 2019 AT 7:18 PM (Merged)
Tiny
RASMATAZ
  • MECHANIC
  • 75,992 POSTS
Concerned about possible slow leak, (not visible). Have it pressure tested
Was this
answer
helpful?
Yes
No
Thursday, March 21st, 2019 AT 7:18 PM (Merged)

Please login or register to post a reply.