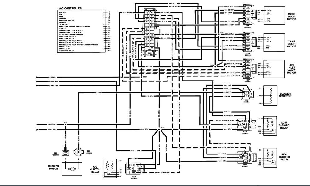
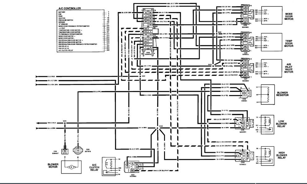
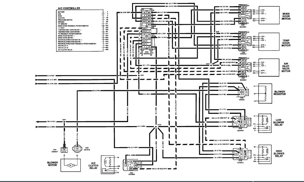
Car starts, all electronics work exept for the display for AC/Heater. The fan will not start.
Checked fuses in the fuse box, they are all good.
I read something about the fusible links under the hood, does anyone have pictures on these cables?
Saturday, April 11th, 2020 AT 3:41 AM








