Wednesday, October 26th, 2022 AT 9:28 AM
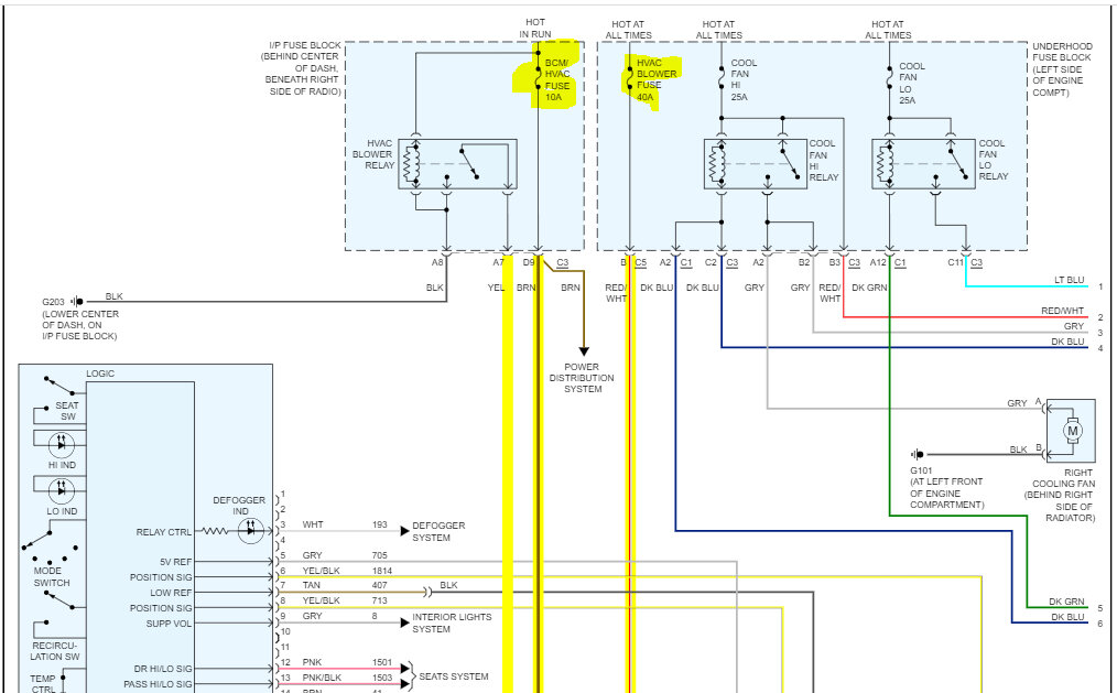
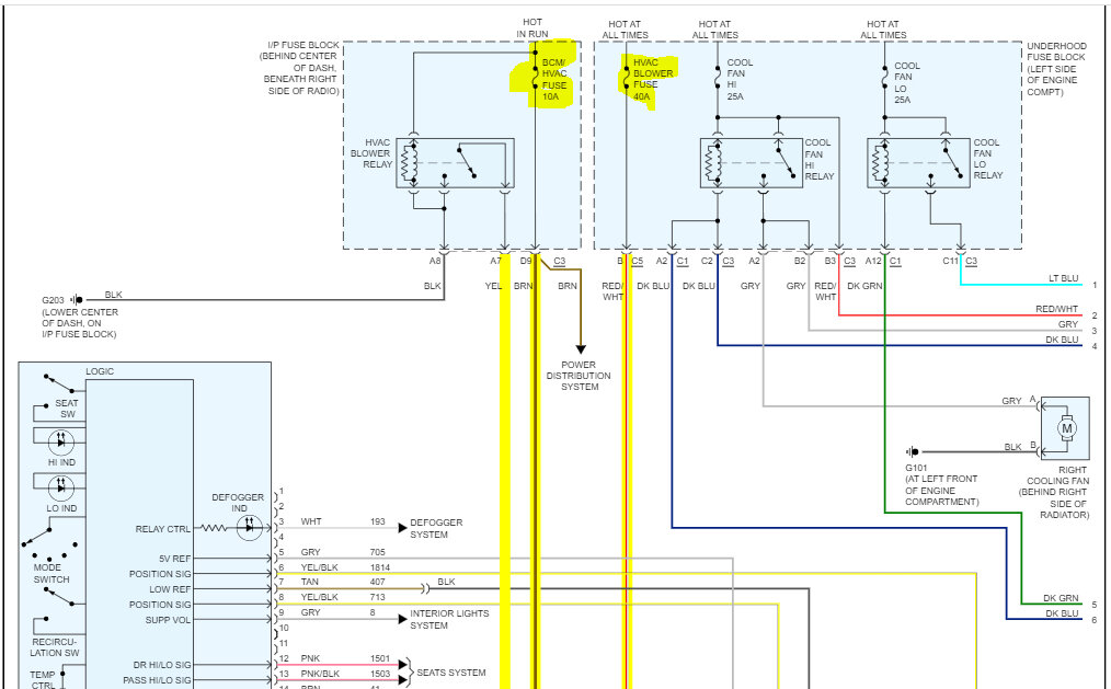
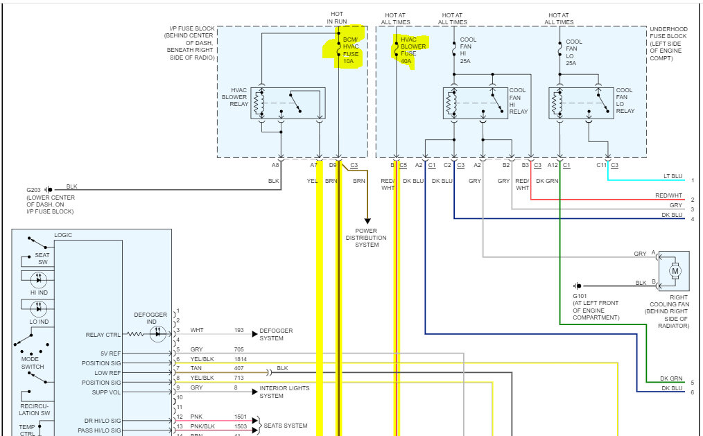
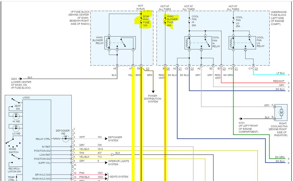
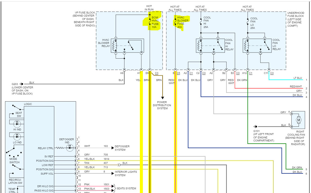
Hello! Recently my AC/heating controls have stopped working in my car. It started where it would get “stuck” on one setting. I would turn the dial to heat, it would stay cold. I would turn the dial to cool, it would stay warm. Like wherever I set the dial to initially, it would get stuck. After a while the lights on the panel stopped coming on, the ac button with the snowflake wouldn’t light up when pressed and didn’t work either. I could get it to work for a couple of months by gently hitting the panel and it would work again. Currently, the blowers work and all, but I cannot control if my A/C or heat come on by turning the dials. I would just love to know which parts I need to most likely replace! I know my heating and A/C systems work, I just can’t control them or get them to turn on. Thank you!



