A/C not working, DTC codes 27 99, 27 97, 12 64, 12 62 and 12 65

2005 LINCOLN LS
200,000 MILES • 3.9L • V8 • 2WD • AUTOMATIC
Avatar
BRETT MULLEN
  • MEMBER
  • 2 POSTS
hello my name is Brett. i saw your comment for the self test for the A/C and i got back the codes; 27 99 27 97 12 64 12 62 and 12 65.. what do i do now?
Jul 26, 2020 at 10:15 PM
Advertisement
Repair Safety Notice: This information is for general instructional purposes only. Vehicle repair can be dangerous. Verify all information, follow manufacturer service procedures, use proper tools and safety equipment, and consult a qualified repair shop when needed.
Avatar
ASEMASTER6371
  • AUTOMOTIVE REPAIR CONTRIBUTOR
  • 52,796 POSTS
Good morning,

I will attach the possibilities for you for the codes.

What is the exact issue you have with the climate control?

I attached the operation and possible causes for the codes. The codes are 4 digit codes, not 2. It appears to be a wiring issue with the control system.

https://www.2carpros.com/articles/how-to-check-wiring

Normal Operation
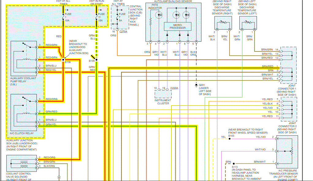
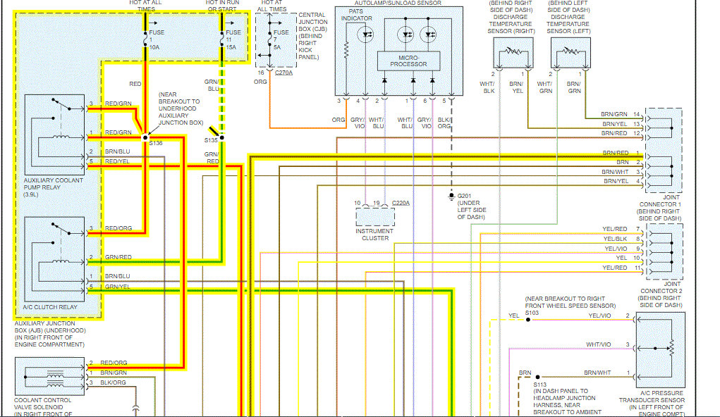
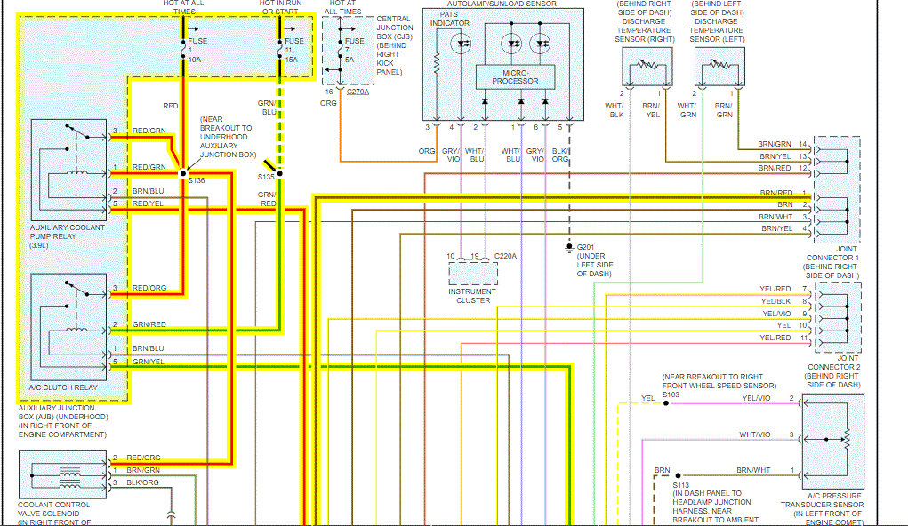
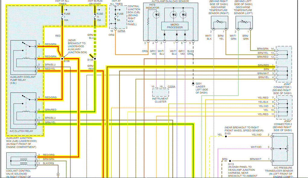
Under normal operation, the coolant control valve receives battery voltage through circuit 30-FB3 (RD/OG)/30-FA1 (RD). The coolant control valve is provided a ground through circuit 91S-FB3 (BN/BL) and/or 91S-FB4 (BN/GN) from the Dual Automatic Temperature Control (DATC) module, depending on which side of the heater core the warm coolant is to flow through.

Under normal operation, the auxiliary coolant pump relay coil receives a ground from the Dual Automatic Temperature Control (DATC) module through circuit 91S-FA76 (BN/BL). The Coil receives battery voltage through circuit 30-FA74 (RD/GN). Battery voltage is supplied to the relay contacts from circuit 30-FA74 (RD/GN). When the relay coil is energized, voltage is delivered to the auxiliary coolant pump motor through circuit 30S-FB1 (RD/YE). Ground for the motor is provided through circuit 31-FB1 (BK/YE).

Possible Causes
An open in circuit 30-FB3 (RD/OG)/30-FA1 (RD), 91S-FB3 (BN/BL) or 91S-FB4 (BN/GN).
A short to ground or voltage in circuit 91S-FB3 (BN/BL) or 91S-FB4 (BN/GN).
A short to voltage in circuit 91S-FB3 (BN/BL) or 91S-FB4 (BN/GN).
Coolant control valve.
Evaporator discharge air temperature sensor.
DATC module.

1265

Normal Operation
Under normal operation, to open the mode doors, the DATC module supplies the cold air bypass, air inlet, defrost, panel mode and floor mode door actuator motors voltage through the door actuator open circuits and ground through the door actuator close circuits. To close the mode doors, the DATC module reverses the voltage and ground circuits.

The mode door actuator feedback resistors are supplied a ground from the DATC module by the mode door actuator return circuits and a 5-volt reference voltage on the mode door actuator reference circuits. The DATC module reads the voltage on the mode door actuator feedback circuits to determine the mode door actuator position by the position of the actuator feedback resistor wiper arm.

Door actuator open circuits:
Air inlet - 32-FB8 (WH/RD)
Defrost - 32-FB5 (WH/BK)
Panel mode - 32-FB7 (WH)
Floor mode - 32-FB6 (WH/VT)

Door actuator close circuits:
Air inlet - 33-FB8 (YE/RD)
Defrost - 33-FB5 (YE/BK)
Panel mode - 33-FB7 (YE)
Floor mode - 33-FB6 (YE/VT)

Door actuator return circuits:
Air inlet - 9-FB8 (BN/RD)
Defrost - 9-FB5 (BN/YE)
Panel mode - 9-FB7 (BN)
Floor mode - 9-FB6 (BN/WH)

Door actuator reference circuits:
Air inlet - 7-FB8 (YE/RD)
Defrost - 7-FB5 (YE/BK)
Panel mode - 7-FB7 (YE)
Floor mode - 7-FB6 (YE/VT)

Door actuator feedback circuits:
Air inlet - 8-FB8 (WH/RD)
Defrost - 8-FB5 (WH/BK)
Panel mode - 8-FB7 (WH)
Floor mode - 8-FB6 (WH/VT)

Possible Causes
An open, short to voltage, ground or together in door actuator open, close, return, reference or feedback circuits.
Air inlet, defrost, panel mode and floor mode door actuator motor.
DATC module.
Stuck or bound linkage or door.
Jul 27, 2020 at 7:49 AM
Avatar
BRETT MULLEN
  • MEMBER
  • 2 POSTS
Okay, so i bought this car a couple days ago. the car had to be jumped and there also is no key fob... the A/C worked fine when i started it . i was told not to let the car run because of overheating. they told me there was something wrong with cooling system.. immediate thought was thermostat which i changed because there wasn't any water present in oil or smoke from exhaust. anyhow, the A/C is now blowing extremely hot. did self test still not working...
Jul 27, 2020 at 3:23 PM (Merged)
Advertisement
Avatar
ASEMASTER6371
  • AUTOMOTIVE REPAIR CONTRIBUTOR
  • 52,796 POSTS
Good afternoon,

Do you have a set of gauges to test the Freon pressures? I need to see those reading to start.

https://www.2carpros.com/articles/car-air-conditioner-not-working-or-is-weak

Does the compressor clutch engage when you turn on the A/C?

https://www.2carpros.com/articles/re-charge-an-air-conditioner-system

I attached a wiring diagram of the compressor if you have no power to the clutch.

https://www.2carpros.com/articles/how-to-check-wiring

Roy
Jul 27, 2020 at 3:23 PM (Merged)