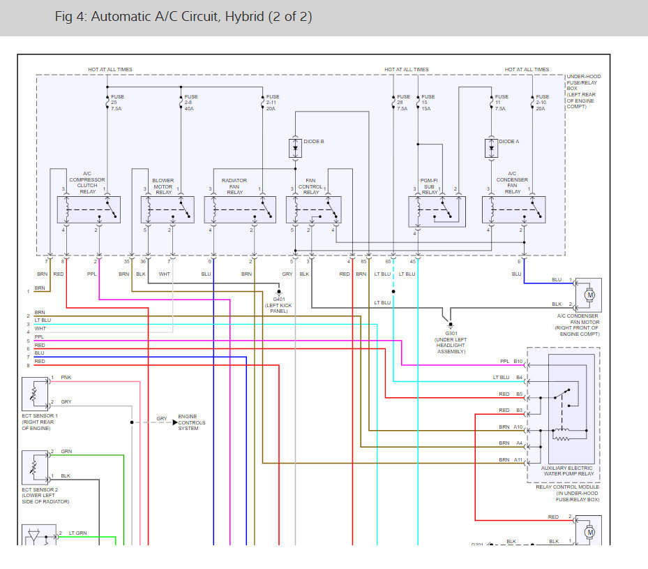
When driving my A/C will automatically go from cabin air (cold air) to outside air (warm air). After a few minutes it will switch back to cabin air (cold). This cycle keeps repeating itself. When it cuts off I cannot manually switch it back on. What could be the cause of this?
Aug 31, 2019 at 1:10 PM



