Sunday, July 1st, 2018 AT 4:45 PM
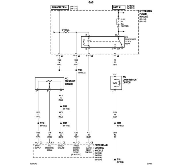
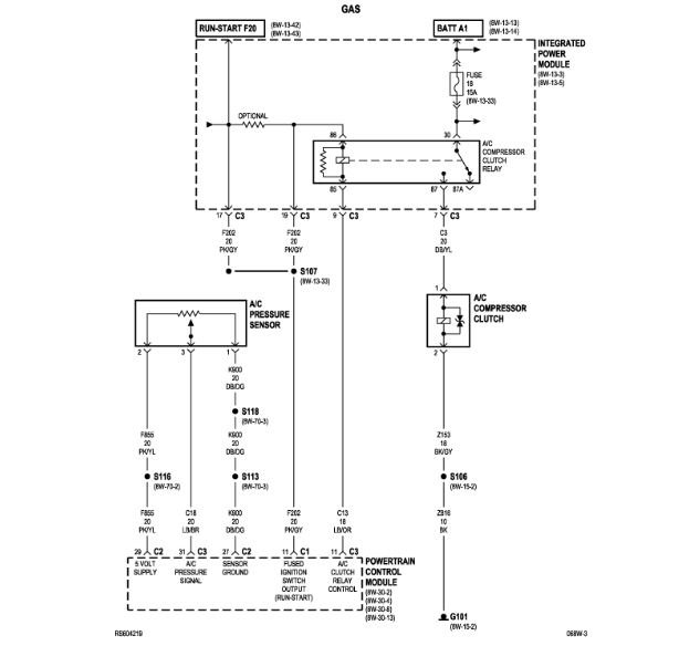
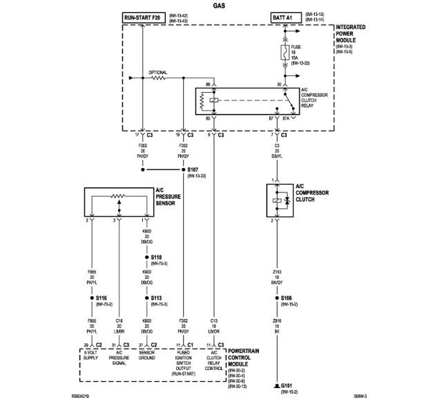
The A/C compressor clutch will not engage. It has rear air and there are no visible leaks. I have tried to see if it is getting power and checked relays and fuses looks to be fine but it does not seem to be getting power.


