Installed rebuilt PCM.
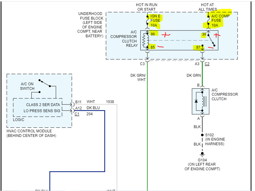
I evacuated the system and charged with 2 cans Freon but compressed never came on I know if everything is correct compressor should come on after 24 oz of Freon.
About 5 days later I checked the system with gauges and the system was about empty. I noticed that the low side pressure valve was leaking.
My question is, could the Freon I was filling could leak out that much and cause compressor not to come on?
When I evacuated system it held steady at -30 on gauge for an hour. Is it possible you can evacuate, and it shows no leaks but under pressure something faulty like the low side pressure switch it would leak?
What I’m trying to figure out is the problem just the leaking pressure valve or something else could be bad like shorted wire somewhere?
Wednesday, September 13th, 2023 AT 11:17 AM



