Friday, June 17th, 2022 AT 8:44 AM
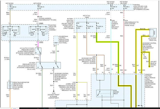
I need to find out where the relay/fuses for the compressor, it turns on by hand. Attached gauges while car running, and they read 90 on low and 90 on high side. Checked fuse 24 which is 20 amps and it's good. Checked wires at compressor but both are ground. Also jumped the low-pressure switch and nothing. It has power and ground. There is also this switch, which has two powers and two grounds, tried to jump power to ground and nothing. It may have also caused the fan to stop working after I did that. I think I blew a fuse when I jumped it.


