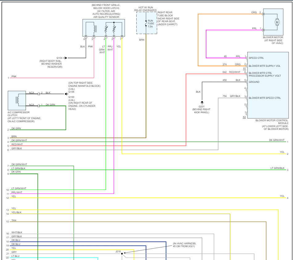
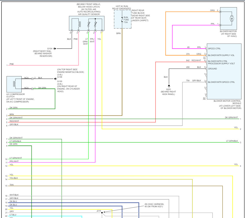
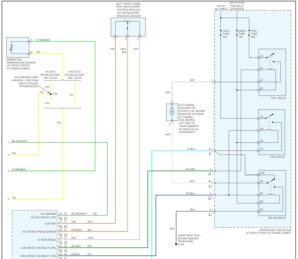
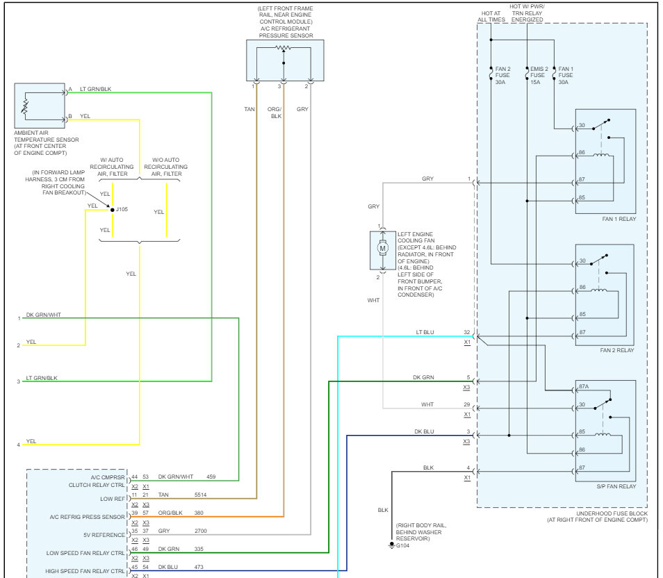
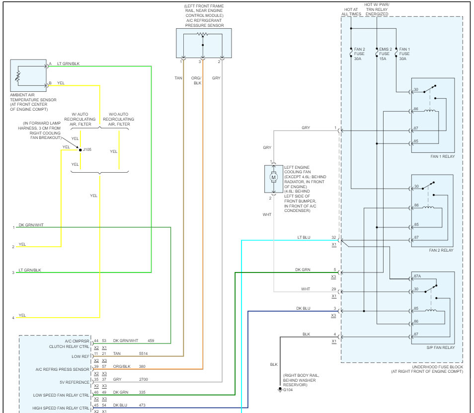
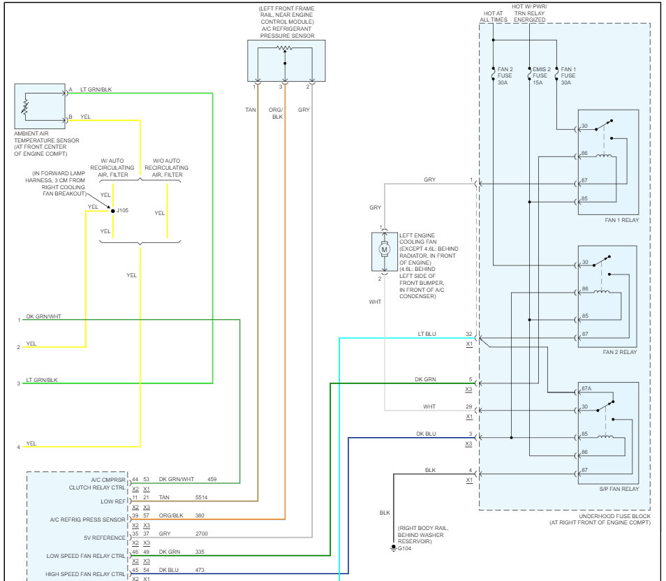
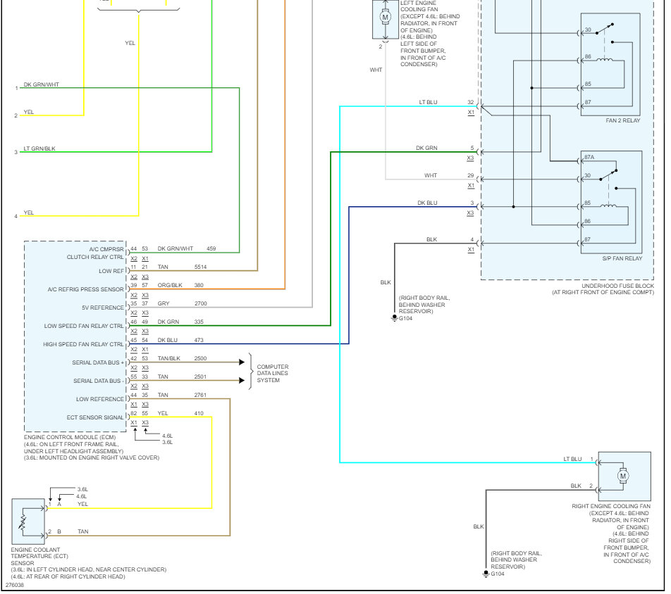
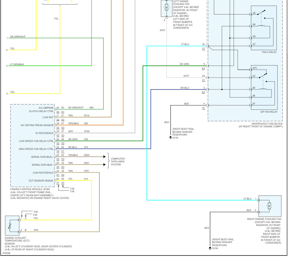
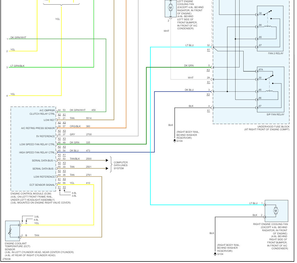
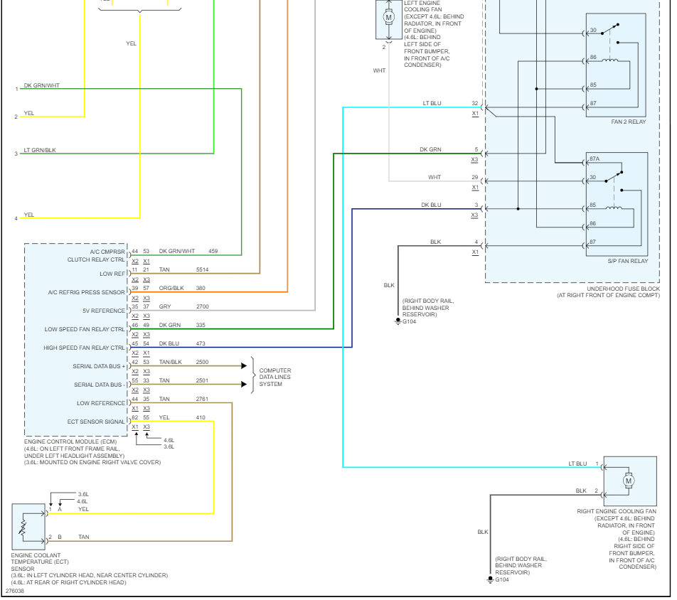
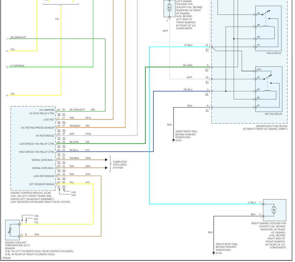
B3933:06 AC evaporator temperature sensor circuit short to ground/open
We can get the compressor to kick in when we use a jump wire at the relay, so we replaced the relay, however we are still having the same problem.
I have called the Cadillac house to find an evaporator temperature sensor however they cannot find anything like that for this vehicle and have suggested it’s the actuator temps level. We’re not sure what to do now.
Saturday, September 2nd, 2023 AT 11:38 AM




















