Wednesday, May 23rd, 2018 AT 4:22 PM
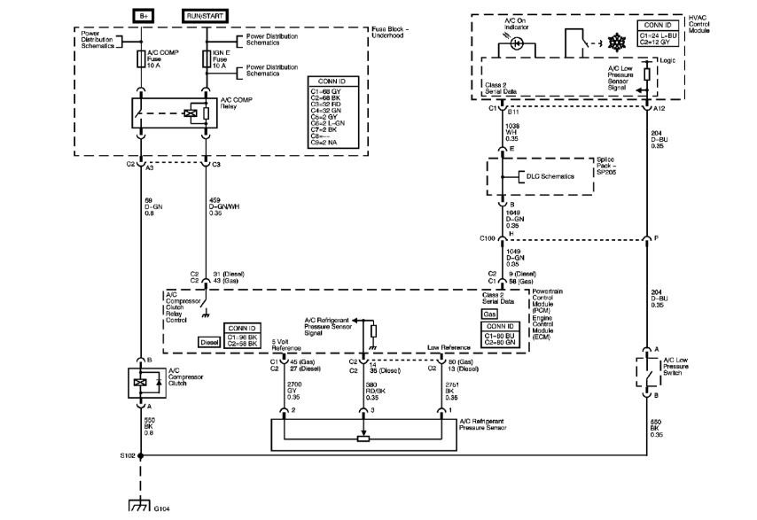
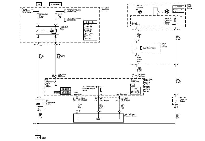
Hi, I have been having trouble trying to find out what is going on with my A/C. I just recently changed the quick connect on the anti freeze line for the heater. And doing so when I took off from my house my A/C worked fine. But I got a burnt wire smell in my A/C and when I stopped to take a look I saw nothing. When I started my truck up again I was not getting as cold of A/C that I usually get. So I took the truck back home and I saw my compressor was powering on and off still and it was cooling my Freon line. But the next day on my way to work I got that wire smell again. I am not sure if it was a wire or a relay but something burned out because now my compressor does not engage and I was told that I have no power to the compressor either anymore.


