AC compressor does not engage

Tiny
URSULOROBLES
  • MEMBER
  • 2009 HONDA CRV
  • 2.4L
  • 2WD
  • AUTOMATIC
  • 135,000 MILES
I started having an on-off problem with the A/C. It would cool and after a few minutes, it would stop cooling. I replaced the cooling fan that comes on when A/C is engaged. Now, the A/C does not come on at all. Where is the relay or A/C fuse?
Wednesday, August 23rd, 2017 AT 4:31 PM

23 Replies

Tiny
STEVE W.
  • MECHANIC
  • 15,679 POSTS
What are the operating pressures in the system? To see if it even has any r134A in it toss a gauge set on it. If it has any in it you should see a pressure close to the air temperature in Fahrenheit. If you are sure it has a good charge and the compressor is not coming on, you could jump twelve volts to the positive side and see if it engages and cools.
Here are the relays, diodes. The clutch fuse is fuse 20, the main HVAC control fuse is fuse 36 both in the dash fuse panel.
Was this
answer
helpful?
Yes
No
+2
Wednesday, August 23rd, 2017 AT 10:04 PM
Tiny
URSULOROBLES
  • MEMBER
  • 47 POSTS
I checked fuses number 36 and 20, they are not defective. I do not have voltage at the red/white wire on connector next to A/C clutch. The other two wires are ground coming from ECM to compressor. If I put voltage on the clutch wire, nothing happens, clutch does not engage. The pressures on ac gauges are 96 low side and 195 on high side. What do you think?
Was this
answer
helpful?
Yes
No
Thursday, August 24th, 2017 AT 9:44 AM
Tiny
STEVE W.
  • MECHANIC
  • 15,679 POSTS
96 low and 195 high without the compressor running are not correct. With no compressor operation the system should stabilize to a pressure almost equal to the outside ambient temperature in degrees Fahrenheit. So if you have a 95 degree day and the compressor is not working you should see a resting pressure of 95-98 psi on both high and low sides.

If you put twelve volts to the red/white wire and got no clutch engagement then the clutch is bad. It has a replaceable coil that is easy to remove and replace.
The other two wires are the thermal switch that opens if the compressor gets hot.

I suspect you have two issues, the odd pressures suggest a bad expansion valve that is stuck/plugged and the bad clutch.
Once the clutch coil is replaced and the compressor is working you can watch the pressures to see if the expansion valve is bad.
Was this
answer
helpful?
Yes
No
Thursday, August 24th, 2017 AT 12:57 PM
Tiny
URSULOROBLES
  • MEMBER
  • 47 POSTS
A/C gauge readings with engine off, 110 lbs on low side and 108 lbs on high side. I replace the A/C clutch relay and A/C condenser relay under hood; the A/C compressor came on and turned off after a few seconds. I will check if there is voltage at A/C clutch.
Was this
answer
helpful?
Yes
No
+2
Thursday, August 24th, 2017 AT 4:57 PM
Tiny
KEN L
  • MASTER CERTIFIED MECHANIC
  • 55,302 POSTS
Good call, here is a guide that will help

https://www.2carpros.com/articles/how-to-use-a-test-light-circuit-tester

Here is another guide that can help.

https://www.2carpros.com/articles/car-air-conditioner-not-working-or-is-weak

Please let us know what happens.

Cheers, Ken

Was this
answer
helpful?
Yes
No
Friday, August 25th, 2017 AT 12:37 PM
Tiny
STEVE W.
  • MECHANIC
  • 15,679 POSTS
OK if the compressor came on then it may not be a bad clutch. It does show that the PCM is able to activate the clutch relay so the control side is likely OK.
110 low/108 high would be about 105 degrees F for air temperature. And it should mean enough 134A for the switches to work.
At this point I would probably recover the 134a in the system. Change the expansion valve. Recharge it with the amount on the compressor tag and then check for operation.
Was this
answer
helpful?
Yes
No
+1
Friday, August 25th, 2017 AT 9:13 PM
Tiny
URSULOROBLES
  • MEMBER
  • 47 POSTS
Sorry I have not responded sooner; I had the compressor working and cooling, and the cooling fan was not working, so I replaced the relay and it worked. Suddenly, the starter went out. I ordered a new one and should it on the engine soon so I can start the engine again. I will keep you informed,
thanks.
Was this
answer
helpful?
Yes
No
Tuesday, August 29th, 2017 AT 10:37 AM
Tiny
STEVE W.
  • MECHANIC
  • 15,679 POSTS
Sounds about like my vehicles. Replace one part and the rest get jealous. No rush, we'll be here.
Was this
answer
helpful?
Yes
No
-1
Wednesday, August 30th, 2017 AT 2:55 AM
Tiny
URSULOROBLES
  • MEMBER
  • 47 POSTS
Okay, the engine cranks and starts. When I turn a/c on, the ac is cooling, low pressure at 30-35 lbs and high pressure at about 200 - 250 lbs, but, as it cools, the high side goes higher and the a/c condenser fan in front of radiator does not come on. I replace the a/c condenser relay, the one that is between the fan control relay and the radiator fan relay and the condenser cooling fan motor does not come on. I check for voltage on the blue wire, there is none. If I put 12 volts on the blue wire, condenser fan comes on and the compressor low side and high pressures read 35 lbs and 250 respectively. What can I check next?
Was this
answer
helpful?
Yes
No
Thursday, August 31st, 2017 AT 7:52 PM
Tiny
URSULOROBLES
  • MEMBER
  • 47 POSTS
The problem seems to be that the condenser fan in front of radiator is not coming on.
Was this
answer
helpful?
Yes
No
Thursday, August 31st, 2017 AT 7:54 PM
Tiny
STEVE W.
  • MECHANIC
  • 15,679 POSTS
Pressures sound about right for 70 degrees or so. The fan not coming on is an issue though. When it hit's 225 or so the AC pressure switch should tell the PCM to kick the fans to high speed. As neither is turning on I would suspect the pressure sensor. It should have ground to the black wire, reference voltage to the red wire and the signal comes out the green wire. It's possible a bad connection or bad sensor.
Was this
answer
helpful?
Yes
No
-1
Thursday, August 31st, 2017 AT 9:06 PM
Tiny
URSULOROBLES
  • MEMBER
  • 47 POSTS
Do you suspect the ac pressure switch or ac pressure sensor? Where is (are) they located so I can check, I appreciate your help,

Ursulo
Was this
answer
helpful?
Yes
No
Friday, September 1st, 2017 AT 8:49 AM
Tiny
KEN L
  • MASTER CERTIFIED MECHANIC
  • 55,302 POSTS
Yep, it is down in front by the compressor, here is a diagram that shows its location. (Below)
Was this
answer
helpful?
Yes
No
+2
Friday, September 1st, 2017 AT 11:26 AM
Tiny
URSULOROBLES
  • MEMBER
  • 47 POSTS
The green wire sends signal to condenser fan? Is it voltage 12 volts?
Was this
answer
helpful?
Yes
No
-1
Friday, September 1st, 2017 AT 11:38 AM
Tiny
KEN L
  • MASTER CERTIFIED MECHANIC
  • 55,302 POSTS
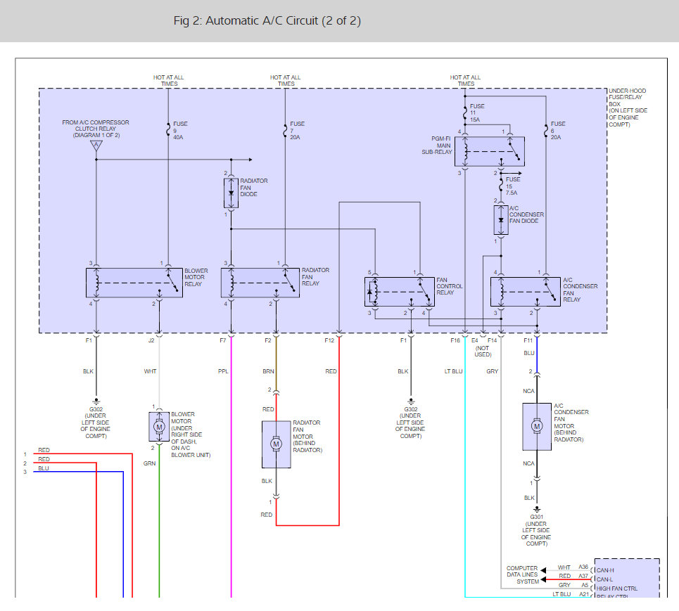
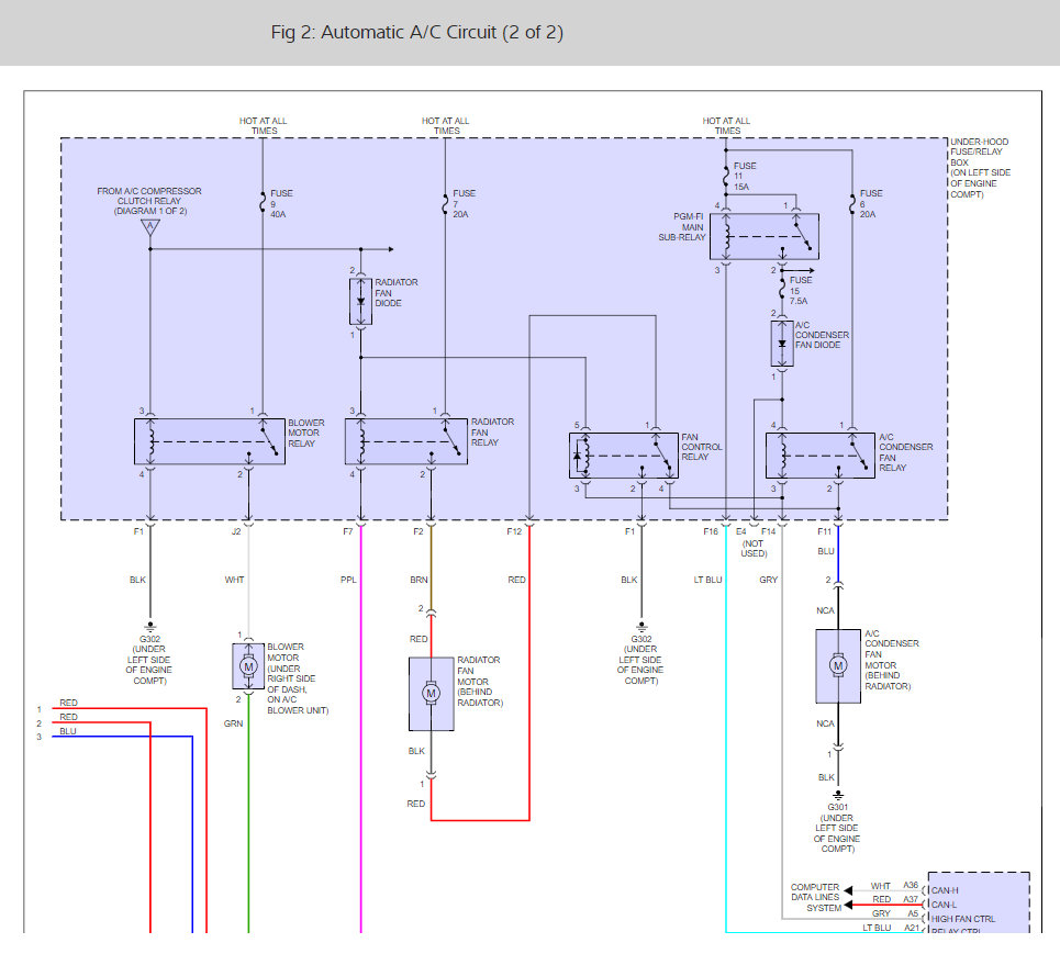
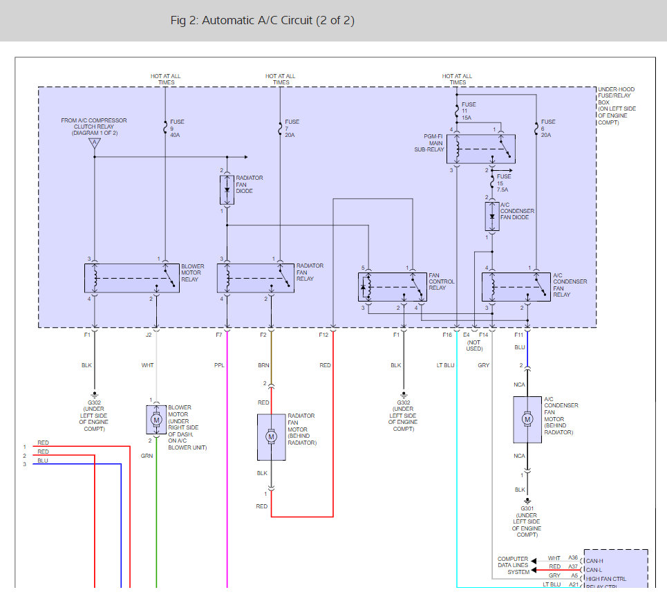
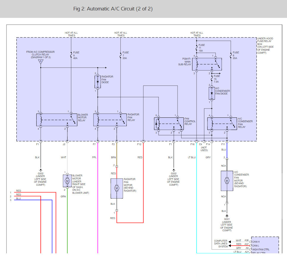
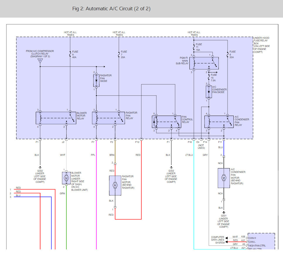
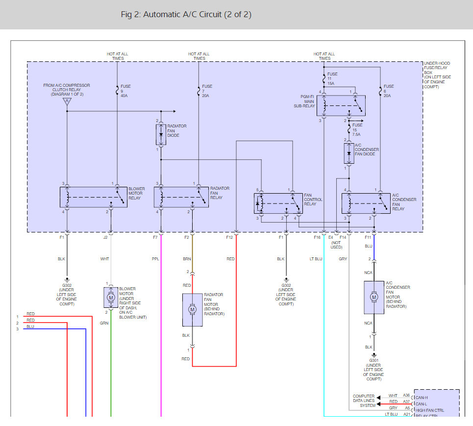
I believe so, here is a full wiring diagram of the system to help you with the testing. (Below)
Was this
answer
helpful?
Yes
No
-1
Friday, September 1st, 2017 AT 11:48 AM
Tiny
URSULOROBLES
  • MEMBER
  • 47 POSTS
How do I test the red, green and black wires on the a/c pressure sensor?
Was this
answer
helpful?
Yes
No
Friday, September 1st, 2017 AT 4:56 PM
Tiny
STEVE W.
  • MECHANIC
  • 15,679 POSTS
Red should have 5 volts reference voltage on it. The black wire is ground. So if you put a voltmeter on them with the key on and AC switched on you should see 5 volts.

To check the signal output measure the voltage on the green wire. With the AC on and high pressure below 212 psi. You should see.7 to 1.94 volts. With high pressure over 213 psi you should see a voltage from 1.95 volts up to 4.5 volts.

If the above check out then you will need to check the control signals out of the PCM to the fan relay.
Was this
answer
helpful?
Yes
No
-1
Friday, September 1st, 2017 AT 5:32 PM
Tiny
URSULOROBLES
  • MEMBER
  • 47 POSTS
The red wire has 5.0 volts, and the green wire has 2.20 volts with high side pressure at under 212 lbs and increasing up to 3 volts with pressure up to 350lbs and the engine seems to change rpms and the condenser fan does not come on. Is is the sensor, incorrect readings? It will read almost 4 volts and high side is at 400 lbs.
Was this
answer
helpful?
Yes
No
Tuesday, September 5th, 2017 AT 6:08 PM
Tiny
STEVE W.
  • MECHANIC
  • 15,679 POSTS
The switch will cut the AC off at 4.5 volts which is around the 450 psi mark. So I would say the sensor is OK. That signal feeds into the pcm and it determines the fans speeds and running condition. The PCM then turns on one or both fans as needed.

You wrote that before the starter died you replaced the relay and the fan worked for a bit correct? Then it stopped working. If that is correct I would really check that relay socket. A loose pin might account for the problems. I would also check the signal right at the PCM for both the sensor and the relay.
Was this
answer
helpful?
Yes
No
+1
Tuesday, September 5th, 2017 AT 11:46 PM
Tiny
URSULOROBLES
  • MEMBER
  • 47 POSTS
Okay, what are the voltage and / or readings on the a/c condenser relay? With key on and off? What is the pin no. For the sensor and relay at the PCM?
Thanks.
Was this
answer
helpful?
Yes
No
+1
Wednesday, September 6th, 2017 AT 12:02 PM

Please login or register to post a reply.