Tuesday, March 14th, 2017 AT 7:22 PM
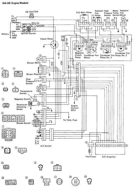
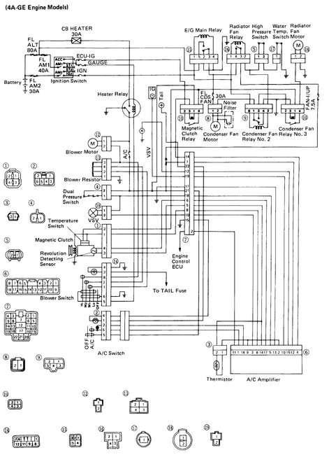
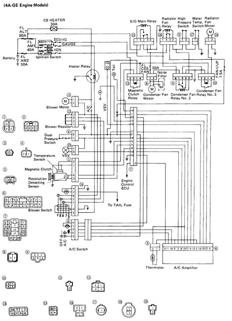
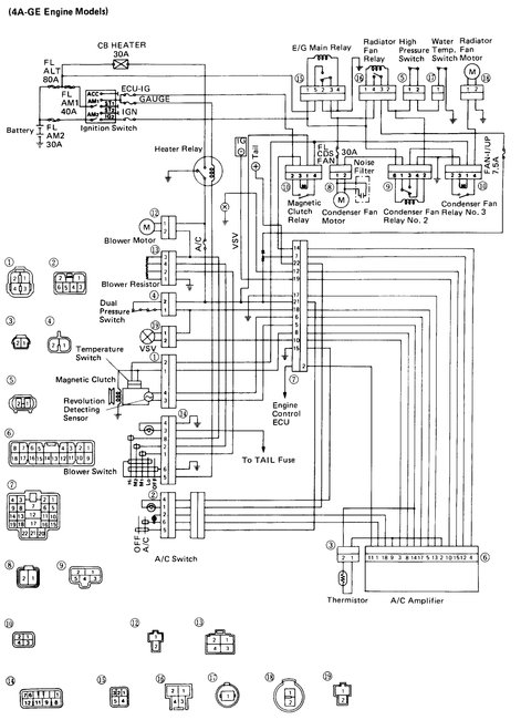
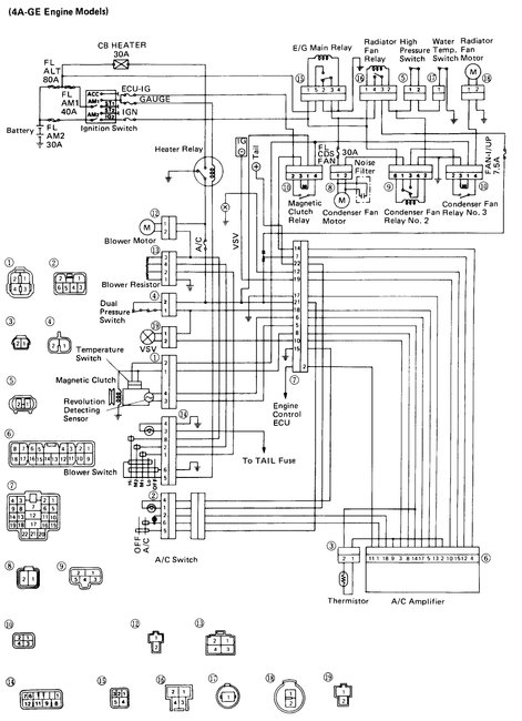
I have searched for eight hours to find the location of the A/C compressor clutch actuating relay. The manual is wrong, the cover plate at driver side kick plate is wrong and the posters in Toyota Nation sixth generation Corolla are wrong. The passenger side kick plate at door post has nothing but insulation behind it. No person seems to know what a "assist" plate referenced on the driver side kick plate cover is. The problem is that the clutch stopped pulling in when A/C is turned on. I have not found a wiring diagram for less than $50.00. Hair pulling time again. I did find the relay online: 4-Seasons 35980 Relay - HVAC Relay.




