Thursday, June 7th, 2018 AT 12:03 AM
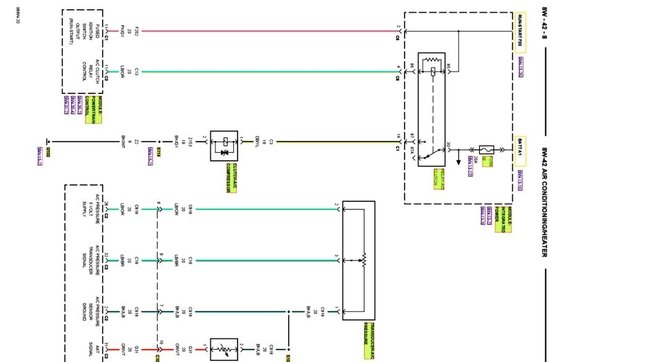
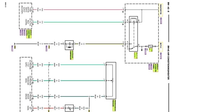
I was planning to replace a new serpentine belt and a AC condenser today. So I replace a new serpentine belt due to the damage of the original belt that broke and shredded. After I replaced a new belt. It sounds like there was a clicking sound that just recently started right after I installed the new belt. Before trying to attempt replacing a condenser. I have noticed that the clutch is not engaging when recharging through the low pressure system with an AC dye/Freon rechargeable. My goal is to make sure to find the exact location of the leak before taking it apart. I tried to bypass manually through the relay and found unsuccessful with that procedure. I cannot seem to engage the AC clutch. Is there another way for me to diagnose if the clutch and the AC compressor is still good or defected?



