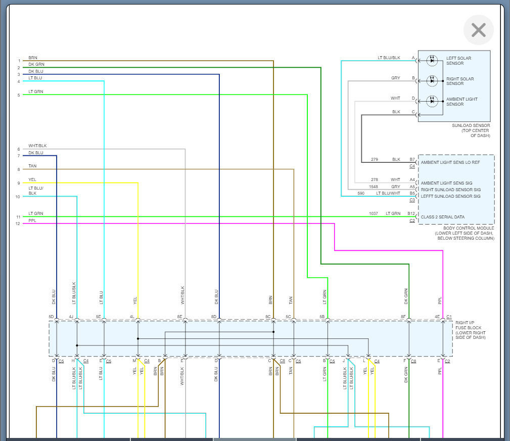
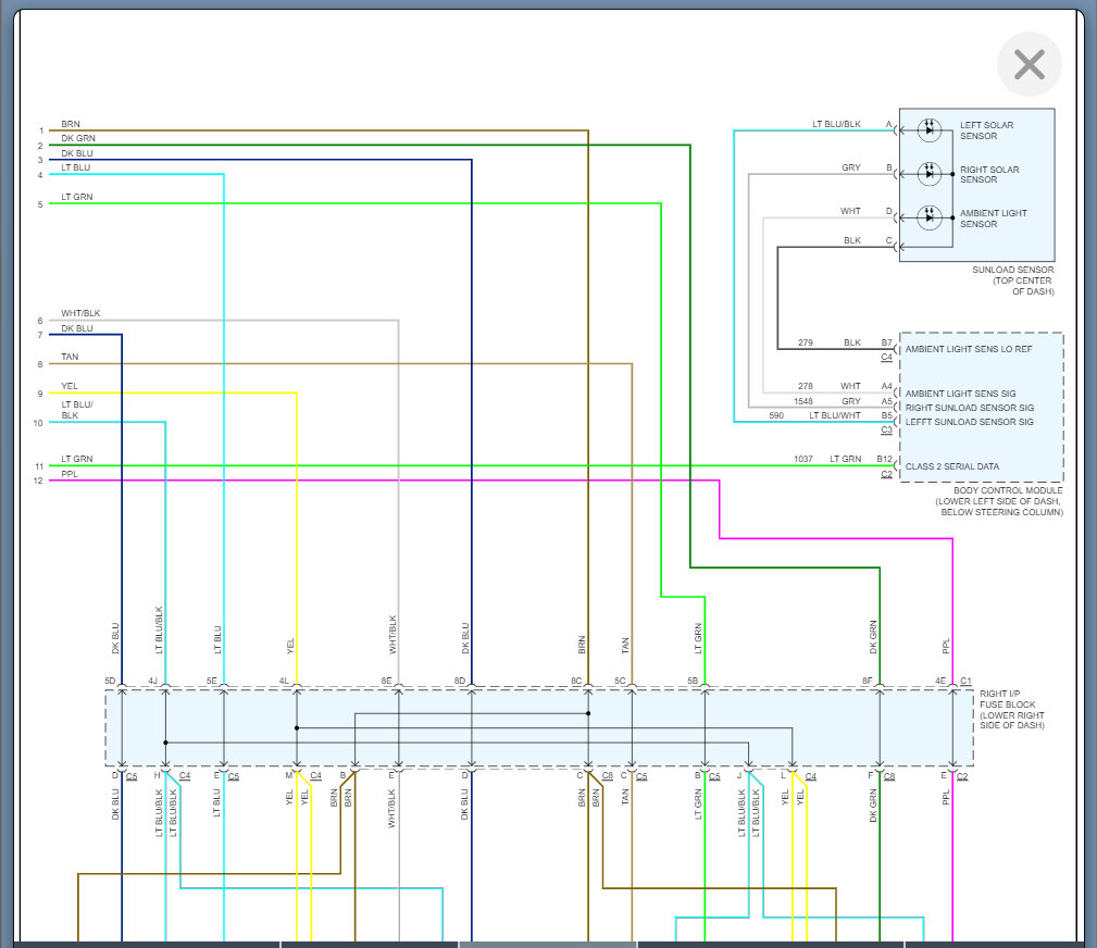
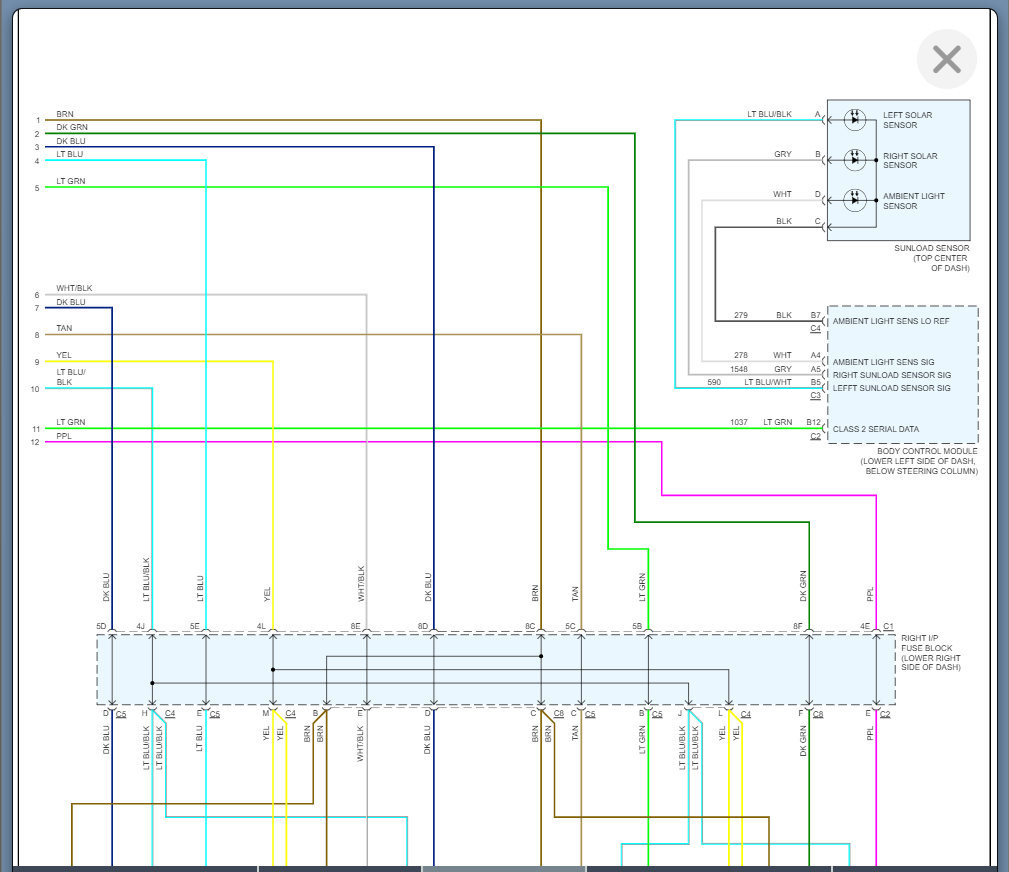
The air blows warm (perhaps dampers are blending in heat when all I want is cold) and now Climate Control (auto dial zone) won’t light up.
When I unplug the control panel and plugged it back in, it lights up for less than a second.
Perhaps related, some months ago started having alternator whine on right rear speaker.
Have reset system (battery disconnect 30 minutes) checked all fuses and relays in the truck.
Thoughts?
Tuesday, May 17th, 2022 AT 4:52 AM









