Wednesday, July 26th, 2017 AT 11:17 AM
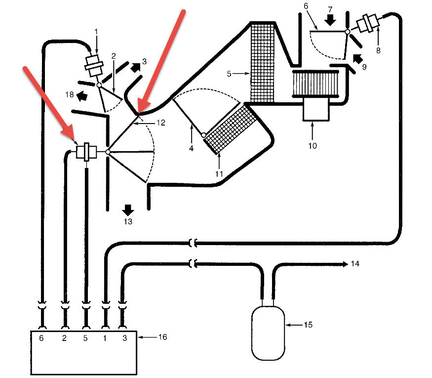
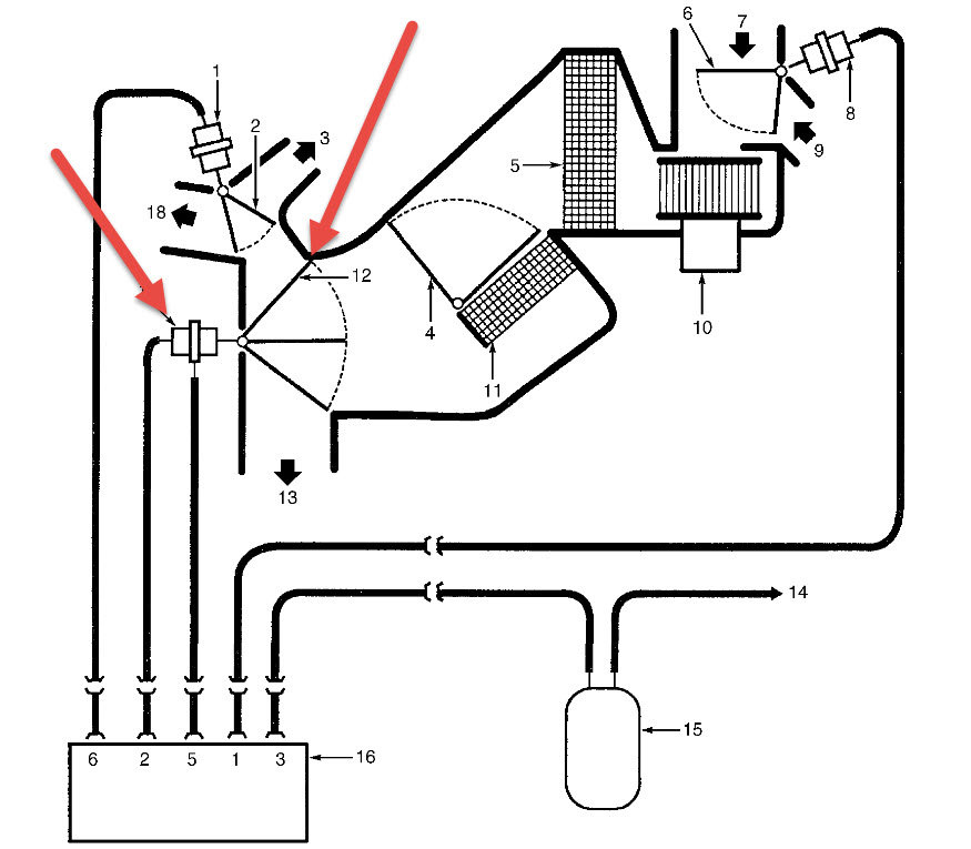
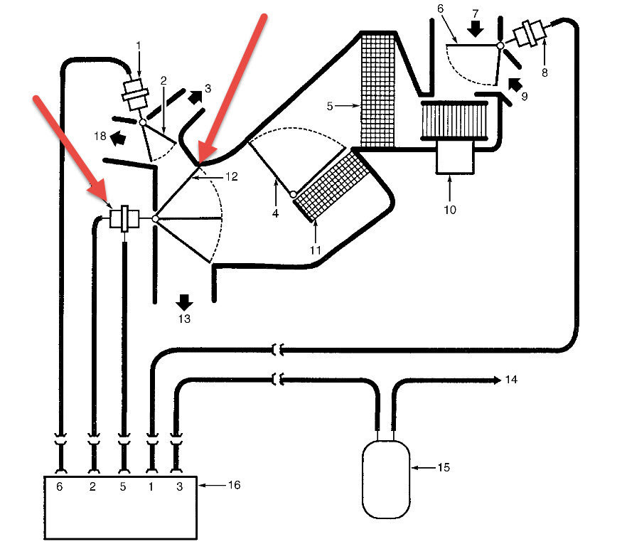
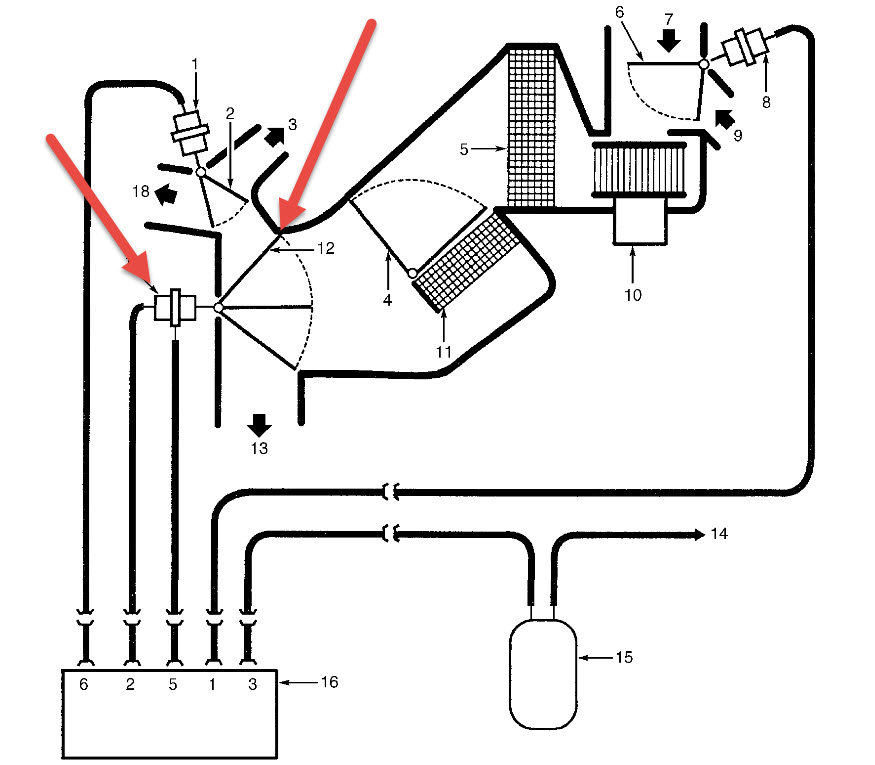
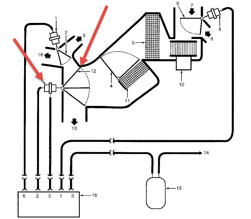
I changed the A/C blower motor and solenoid, changed out two vacuum lines, checked other vacuum lines, checked fuses. I do not know how to check the vacuum pump to see if it is working. I checked the vacuum lines on the control switch, and still blows out defrost.



